SIMOREG DC-MASTER 6RM70 全数字直流调速柜使用说明书:[3]

2025-10-26 16:10:34

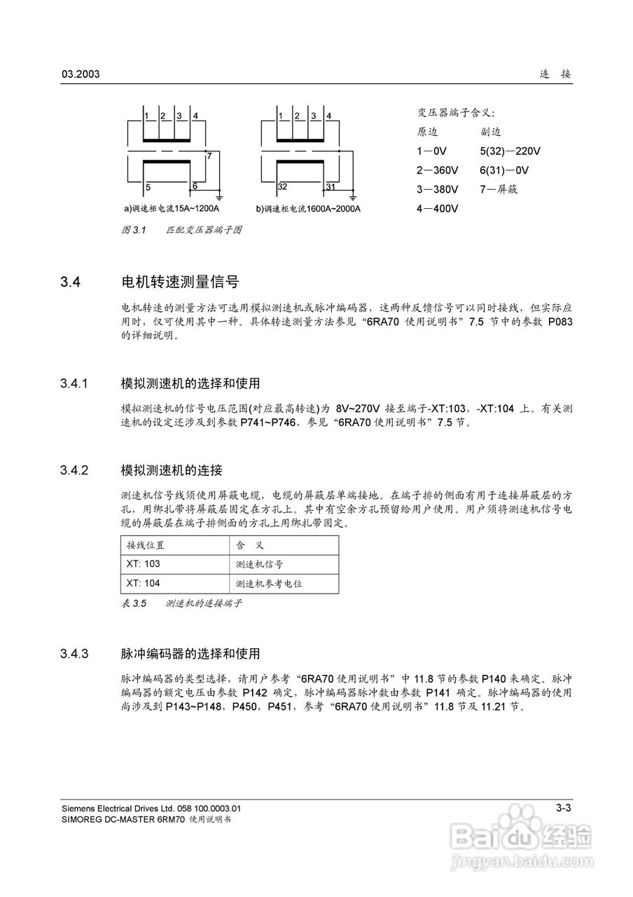
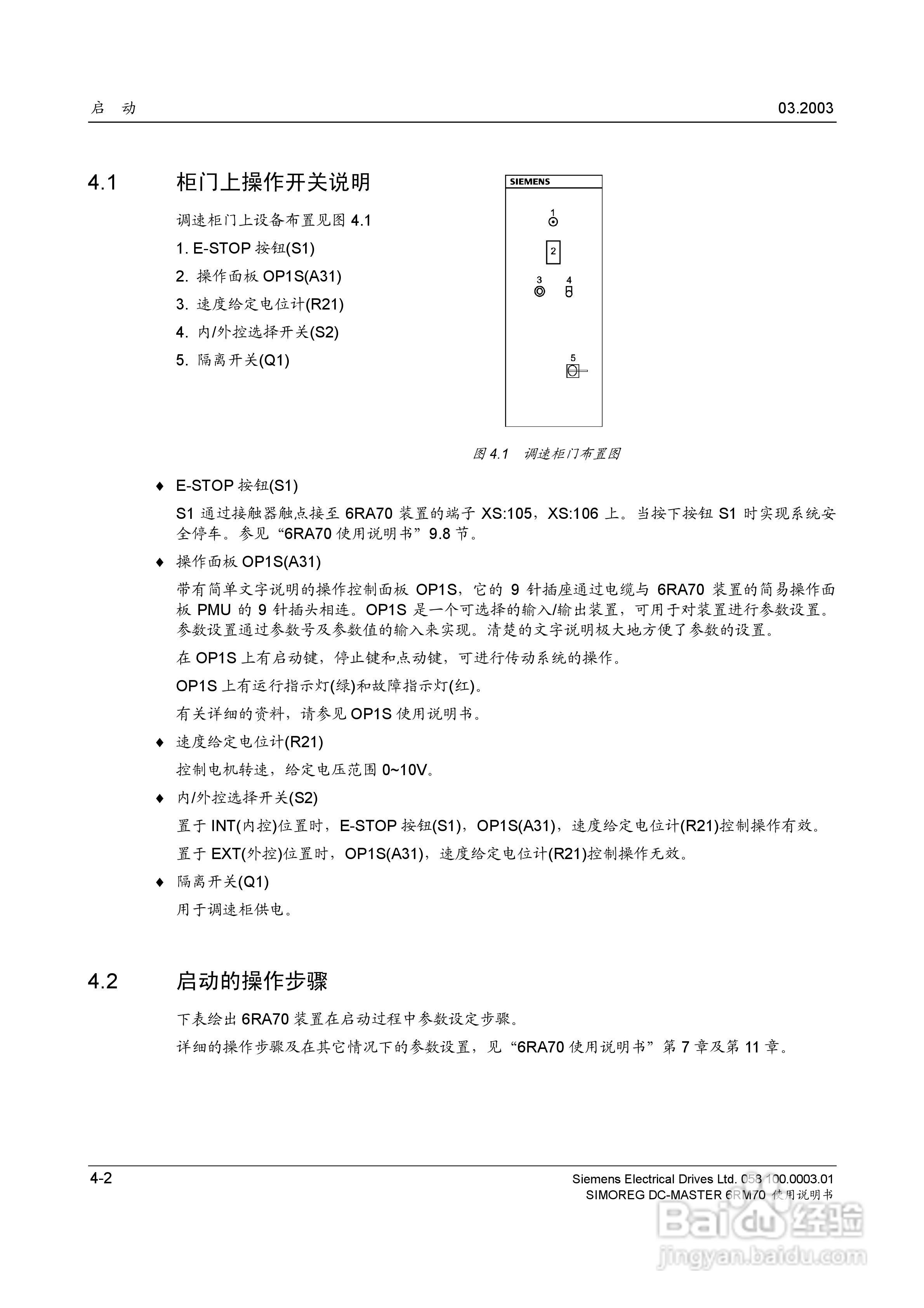
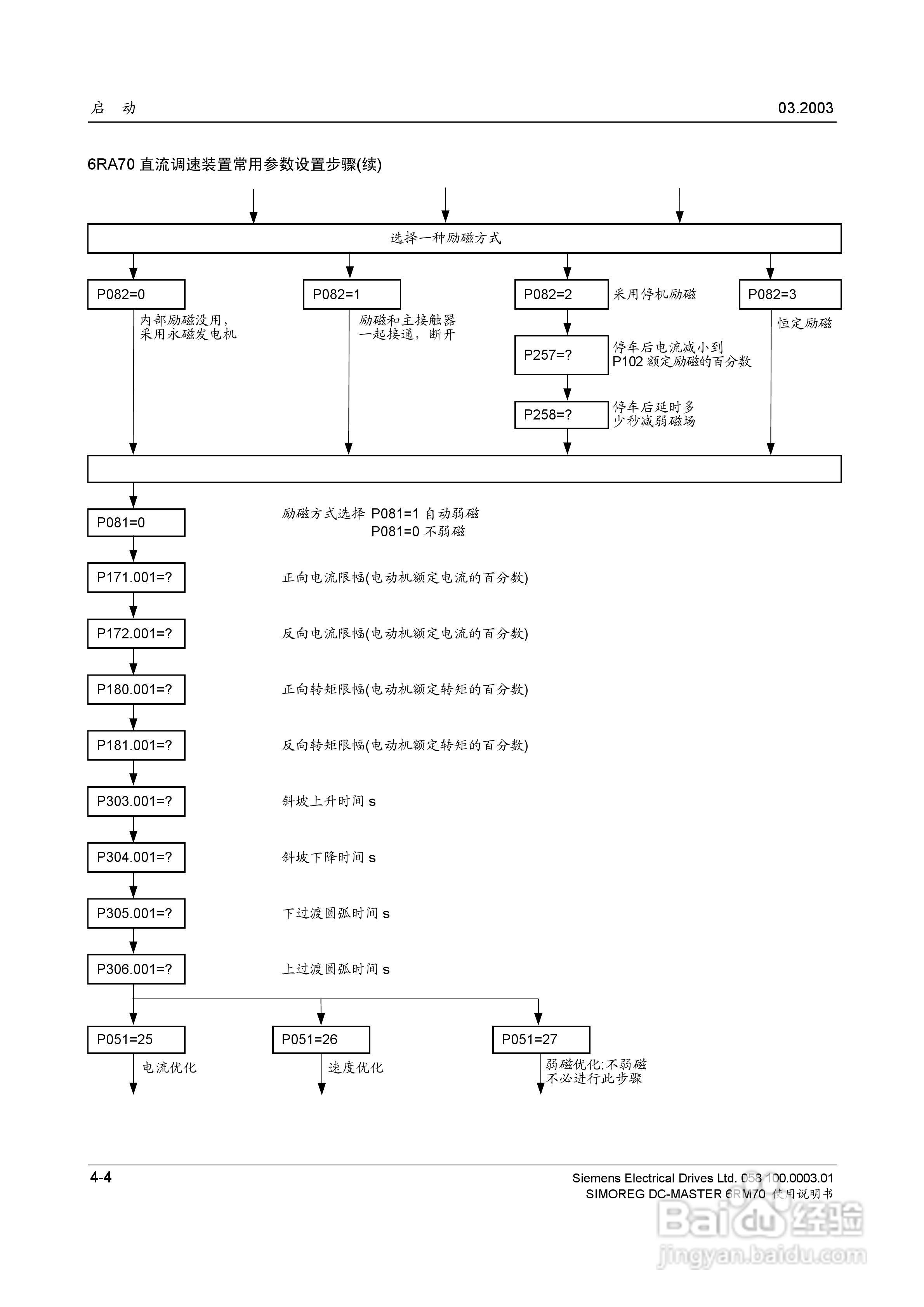
本篇为《SIMOREG DC-MASTER 6RM70 全数字直流调速柜使用说明书》,主要介绍该产品的使用方法以及常见故障解决方案。

 

SIMOREG DC-MASTER 6RM70 全数字直流调速柜使用说明书:[3]

SIMOREG DC-MASTER 6RM70 全数字直流调速柜使用说明书:[3]

SIMOREG DC-MASTER 6RM70 全数字直流调速柜使用说明书:[3]

SIMOREG DC-MASTER 6RM70 全数字直流调速柜使用说明书:[3]

SIMOREG DC-MASTER 6RM70 全数字直流调速柜使用说明书:[3]

SIMOREG DC-MASTER 6RM70 全数字直流调速柜使用说明书:[3]

SIMOREG DC-MASTER 6RM70 全数字直流调速柜使用说明书:[3]

SIMOREG DC-MASTER 6RM70 全数字直流调速柜使用说明书:[3]

SIMOREG DC-MASTER 6RM70 全数字直流调速柜使用说明书:[3]

SIMOREG DC-MASTER 6RM70 全数字直流调速柜使用说明书:[3]

(共篇)上一篇:|下一篇:
声明:本网站引用、摘录或转载内容仅供网站访问者交流或参考,不代表本站立场,如存在版权或非法内容,请联系站长删除,联系邮箱:site.kefu@qq.com。
相关推荐
  • 阅读量:150
  • 阅读量:138
  • 阅读量:128
  • 阅读量:170
  • 阅读量:148
  • 猜你喜欢