小度生活
首页
美食营养
手工爱好
生活家居
返回
小度生活
首页
美食营养
游戏数码
手工爱好
生活家居
健康养生
运动户外
职场理财
情感交际
母婴教育
时尚美容
知识问答
生活知识
搜索
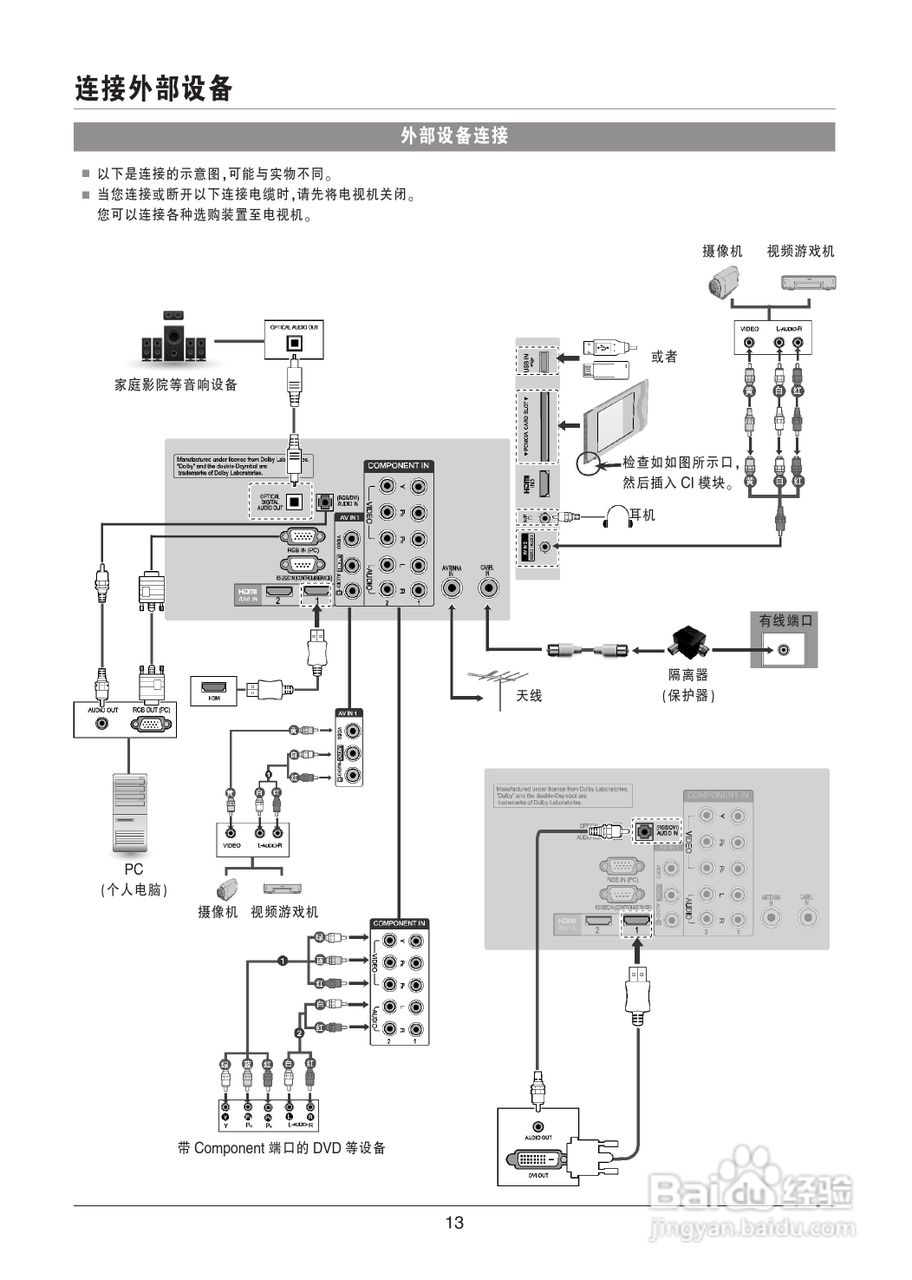
LG 47LW4500-CA液晶彩电使用说明书:[2]
2026-01-13 14:01:18
(共篇)
上一篇:
|
下一篇:
声明:
本网站引用、摘录或转载内容仅供网站访问者交流或参考,不代表本站立场,如存在版权或非法内容,请联系站长删除,联系邮箱:site.kefu@qq.com。
相关推荐
LG 47LW6500-CA液晶彩电使用说明书:[2]
阅读量:61
LG 42LW4500-CA液晶彩电使用说明书:[1]
阅读量:59
使用说明书封面怎么做
阅读量:119
使用说明书wf2651使用指南
阅读量:52
LG 42LW4500-CA液晶彩电使用说明书:[6]
阅读量:140
猜你喜欢
ant是什么意思
吃杏有什么好处
dump是什么意思
吐血是什么原因
眼袋大是什么原因
闻鸡起舞是什么意思
什么是蓝筹股
吃瓜群众是什么意思
我还是从前那个少年是什么歌
事业单位考试考什么
猜你喜欢
什么是软水
11月10日是什么星座
4月24日是什么日子
入党誓词是什么
四大是什么
如释重负是什么意思
孔子名什么字什么
ara是什么
头痛是什么原因造成的
蛊惑是什么意思