小度生活
首页
美食营养
手工爱好
生活家居
返回
小度生活
首页
美食营养
游戏数码
手工爱好
生活家居
健康养生
运动户外
职场理财
情感交际
母婴教育
时尚美容
知识问答
生活知识
搜索
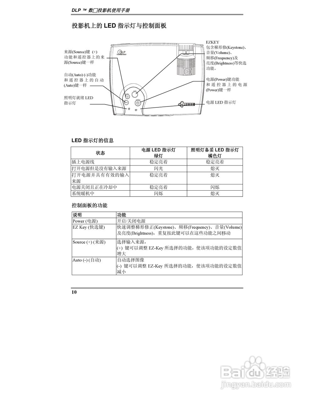
丽讯Vivitek D315投影机说明书:[1]
2025-10-25 04:23:43
本篇为《丽讯Vivitek D315投影机说明书》,主要介绍该产品的使用方法以及常见故障解决方案。
(共篇)
下一篇:
声明:
本网站引用、摘录或转载内容仅供网站访问者交流或参考,不代表本站立场,如存在版权或非法内容,请联系站长删除,联系邮箱:site.kefu@qq.com。
相关推荐
丽讯Vivitek D315投影机说明书:[3]
阅读量:145
丽讯Vivitek D315投影机说明书:[4]
阅读量:126
丽讯Vivitek D5500投影机说明书:[12]
阅读量:21
投影机ip设置
阅读量:156
投影机怎样连接使用
阅读量:158
猜你喜欢
向往的生活在线观看免费第四季
如何快速入眠
期待着你的回来我的小宝贝是什么歌
蜜丝佛陀怎么样
霍乱是什么病
如何去除法令纹
长痘痘该怎么调理
如何推广自己的网站
双眼皮贴怎么剪
cancel是什么意思中文
猜你喜欢
两杠两星是什么军衔
dic是什么病的简称
1是什么意思
敷衍是什么意思
蜜蜂的秘密生活
饥荒千年狐怎么升级
如何补交养老保险
生活常识大全
皮肤晒伤后怎么办
家里怎么养乌龟