小度生活
首页
美食营养
手工爱好
生活家居
返回
小度生活
首页
美食营养
游戏数码
手工爱好
生活家居
健康养生
运动户外
职场理财
情感交际
母婴教育
时尚美容
知识问答
生活知识
生活百科
搜索
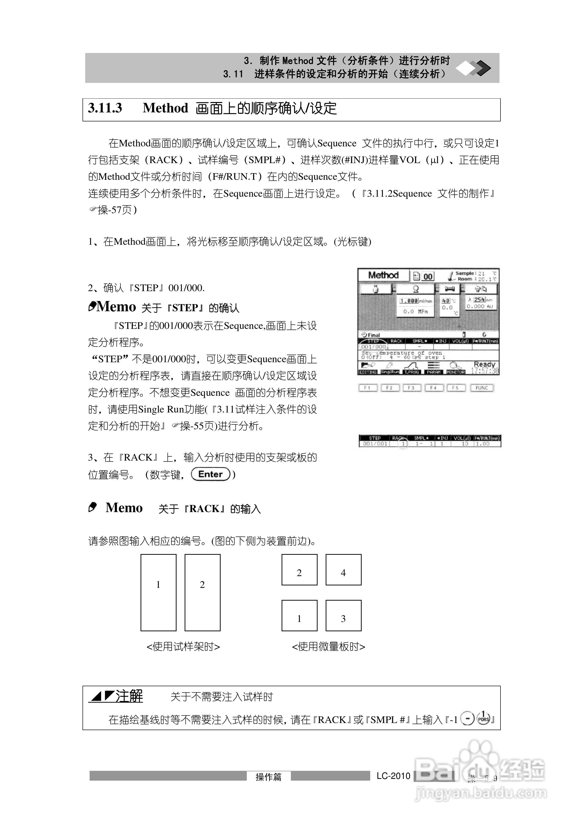
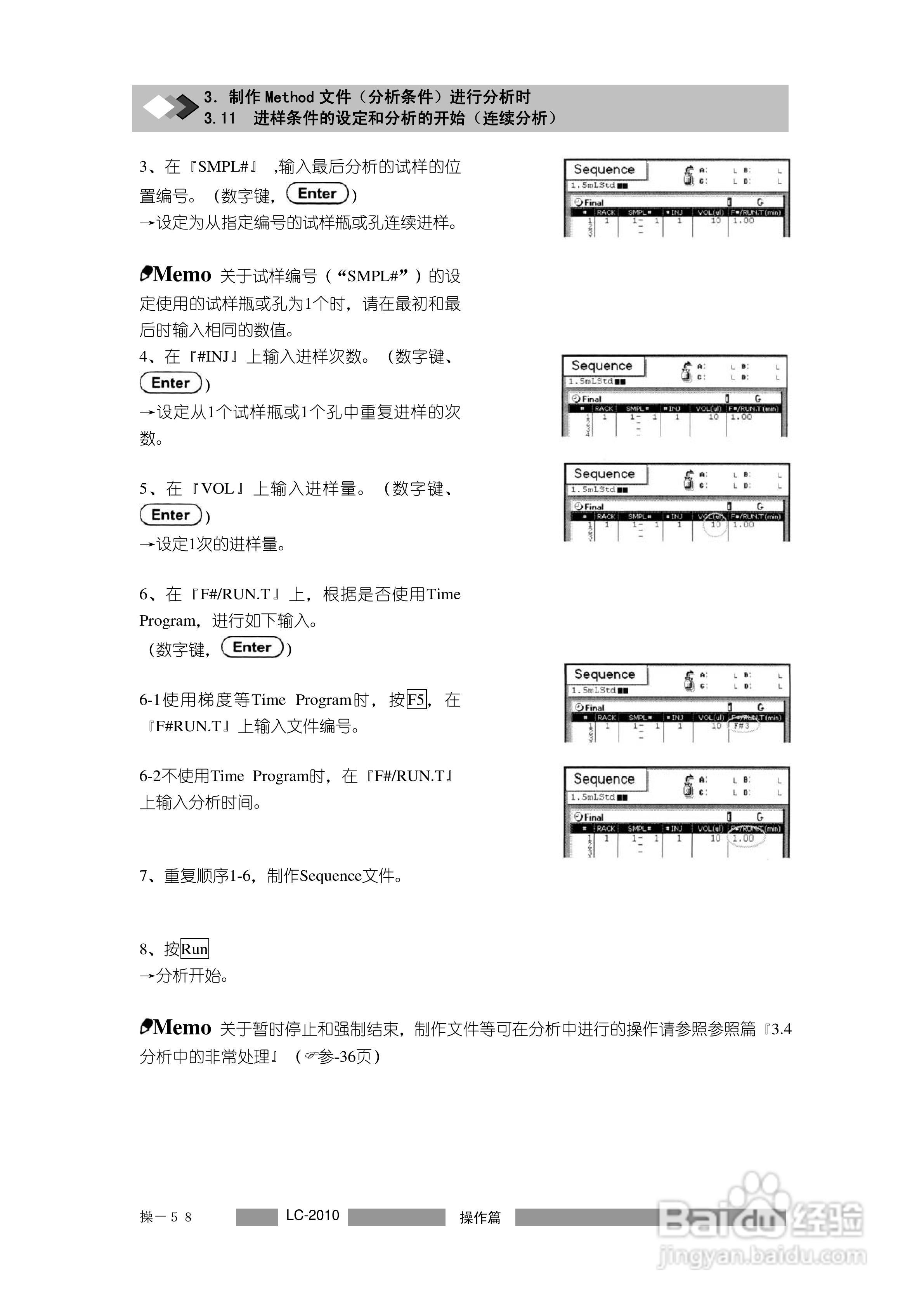
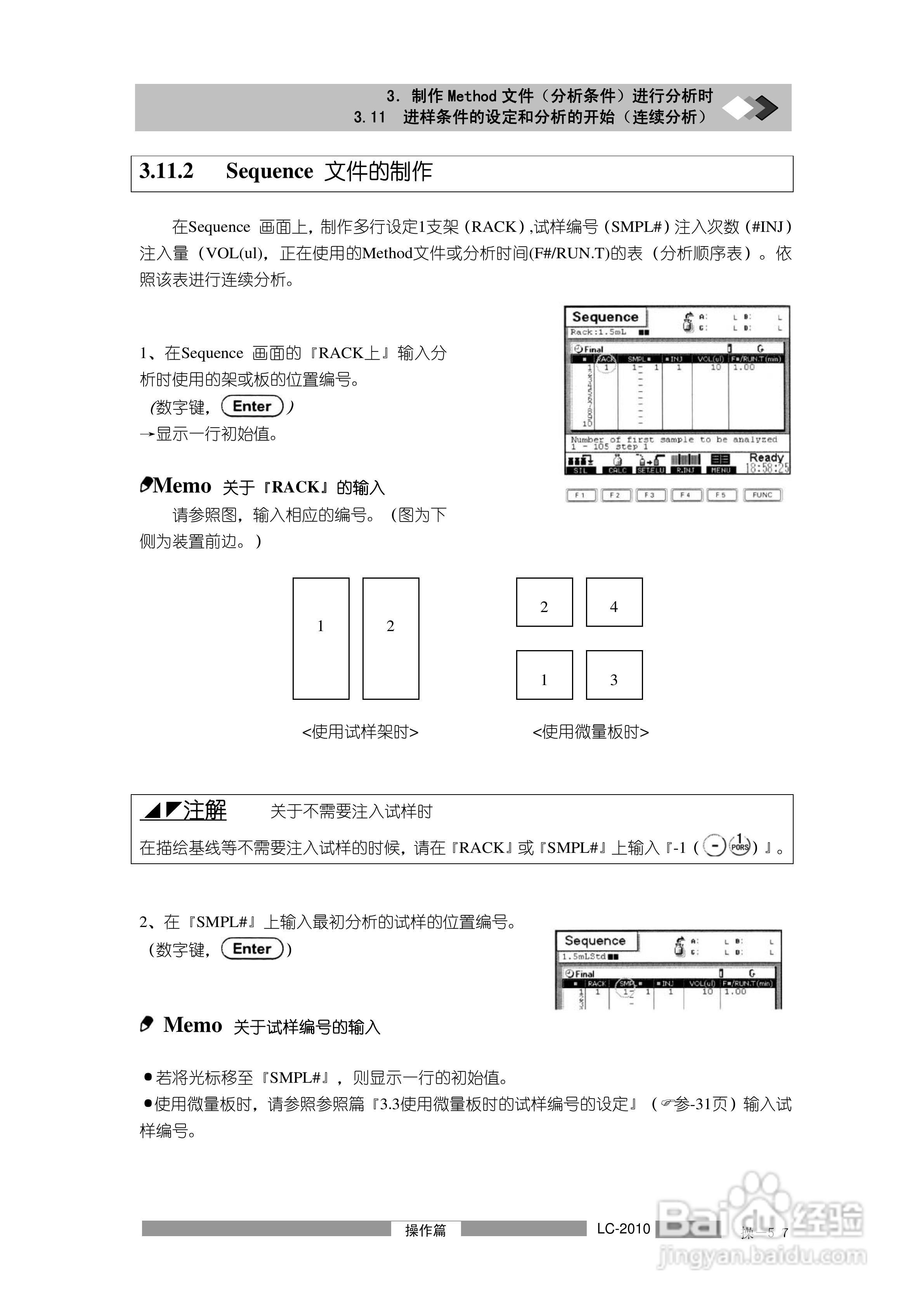
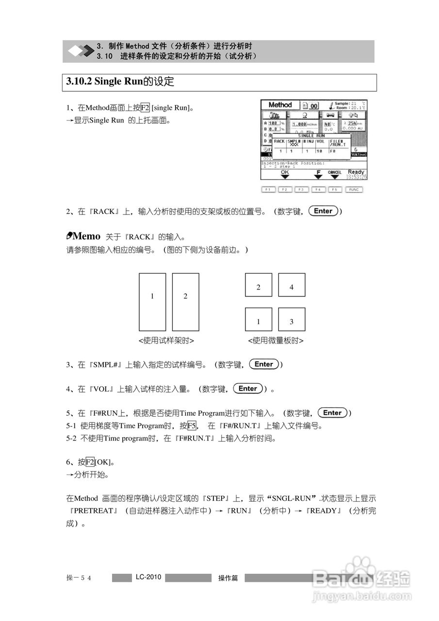
LC-2010A岛津高效液相色谱仪操作说明书:[9]
2026-04-18 17:48:11
本篇为《LC-2010A岛津高效液相色谱仪操作说明书》,主要介绍该产品的使用方法以及常见故障解决方案。
(共篇)
上一篇:
|
下一篇:
声明:
本网站引用、摘录或转载内容仅供网站访问者交流或参考,不代表本站立场,如存在版权或非法内容,请联系站长删除,联系邮箱:site.kefu@qq.com。
相关推荐
LC-2010A岛津高效液相色谱仪操作说明书:[10]
阅读量:105
LC-2010A岛津高效液相色谱仪操作说明书:[4]
阅读量:95
LC-2010A岛津高效液相色谱仪操作说明书:[7]
阅读量:126
LC-2010A岛津高效液相色谱仪操作说明书:[5]
阅读量:105
LC-2010A岛津高效液相色谱仪操作说明书:[13]
阅读量:67
猜你喜欢
什么是绩效管理
kumho是什么轮胎
什么是房改房
滴虫性阴炎的症状用什么药效果好
gf是什么意思
girl什么意思
维生素b6的作用及功能
cto是什么意思
一碧千里是什么意思
玩什么游戏可以赚钱
猜你喜欢
japanese是什么意思
本末倒置是什么意思
维生素泡腾片
professional是什么意思
pmi是什么意思
parts是什么意思
什么的经历
维生素u
厉兵秣马是什么意思
曾几何时是什么意思