小度生活
首页
美食营养
手工爱好
生活家居
返回
小度生活
首页
美食营养
游戏数码
手工爱好
生活家居
健康养生
运动户外
职场理财
情感交际
母婴教育
时尚美容
知识问答
生活知识
生活百科
搜索
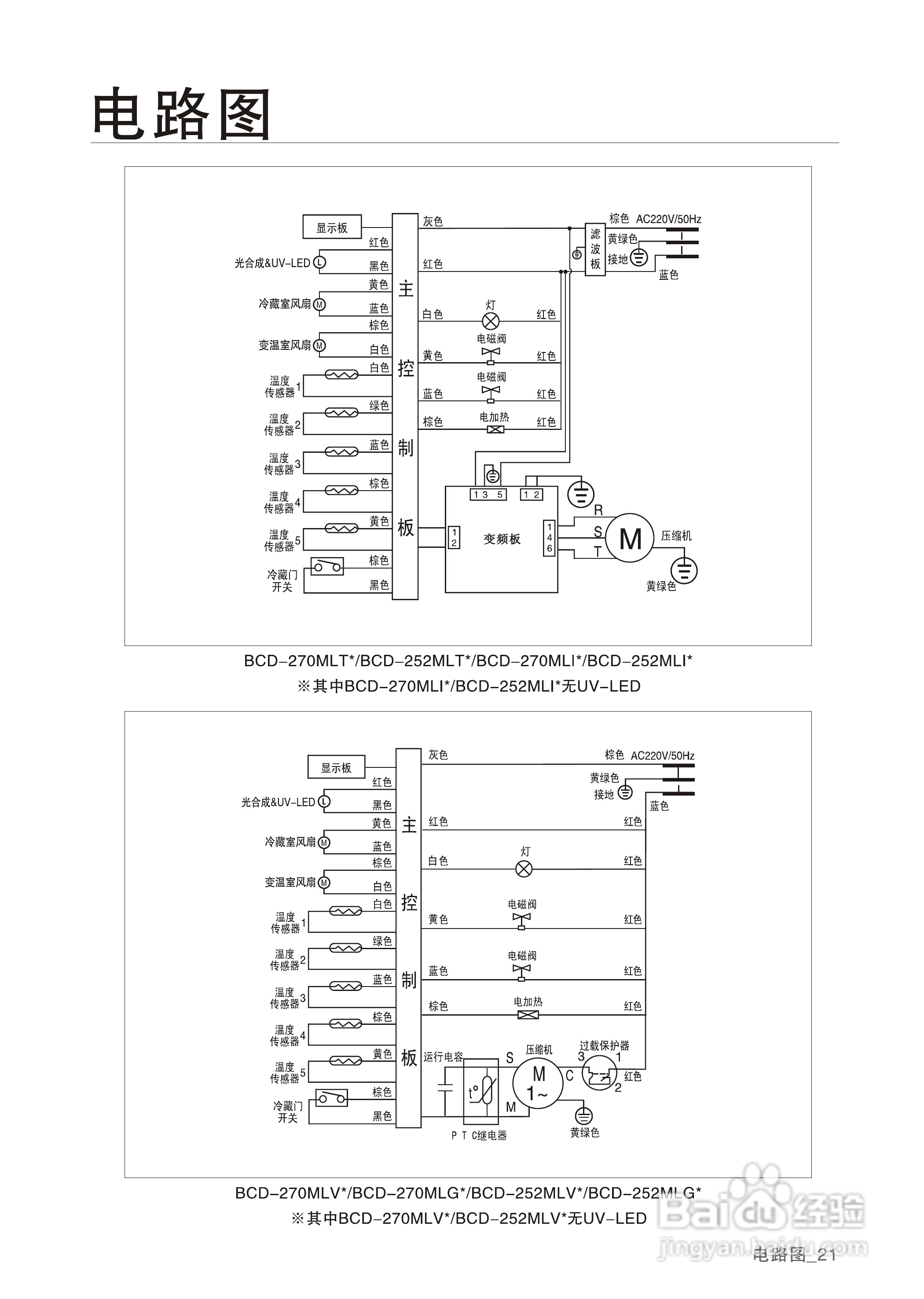
三星BCD-270MLT电冰箱使用说明书:[3]
2026-04-07 07:57:07
(共篇)
上一篇:
声明:
本网站引用、摘录或转载内容仅供网站访问者交流或参考,不代表本站立场,如存在版权或非法内容,请联系站长删除,联系邮箱:site.kefu@qq.com。
相关推荐
三星BCD-270MLT电冰箱使用说明书:[2]
阅读量:126
三星BCD-270MLI电冰箱使用说明书:[3]
阅读量:146
三星BCD-270MLG电冰箱使用说明书:[3]
阅读量:162
三星BCD-270MLV电冰箱使用说明书:[3]
阅读量:123
三星BCD-252MLT电冰箱使用说明书:[1]
阅读量:182
猜你喜欢
川流不息是什么意思
kg是什么单位名称
1990年属什么
ova什么意思
车牌号码什么数字好
结婚10年是什么婚
快捷支付是什么意思
什么是商业模式
南瓜不能和什么一起吃
1999年属什么
猜你喜欢
什么东西越热越爱出来
自相矛盾告诉我们什么道理
平行志愿什么意思
栖息的近义词是什么
ic是什么意思
咨询公司是做什么的
两个吉念什么
我国的立国之本是什么
鳞状上皮细胞高是什么原因
gmat是什么