小度生活
首页
美食营养
手工爱好
生活家居
返回
小度生活
首页
美食营养
游戏数码
手工爱好
生活家居
健康养生
运动户外
职场理财
情感交际
母婴教育
时尚美容
知识问答
生活知识
生活百科
搜索
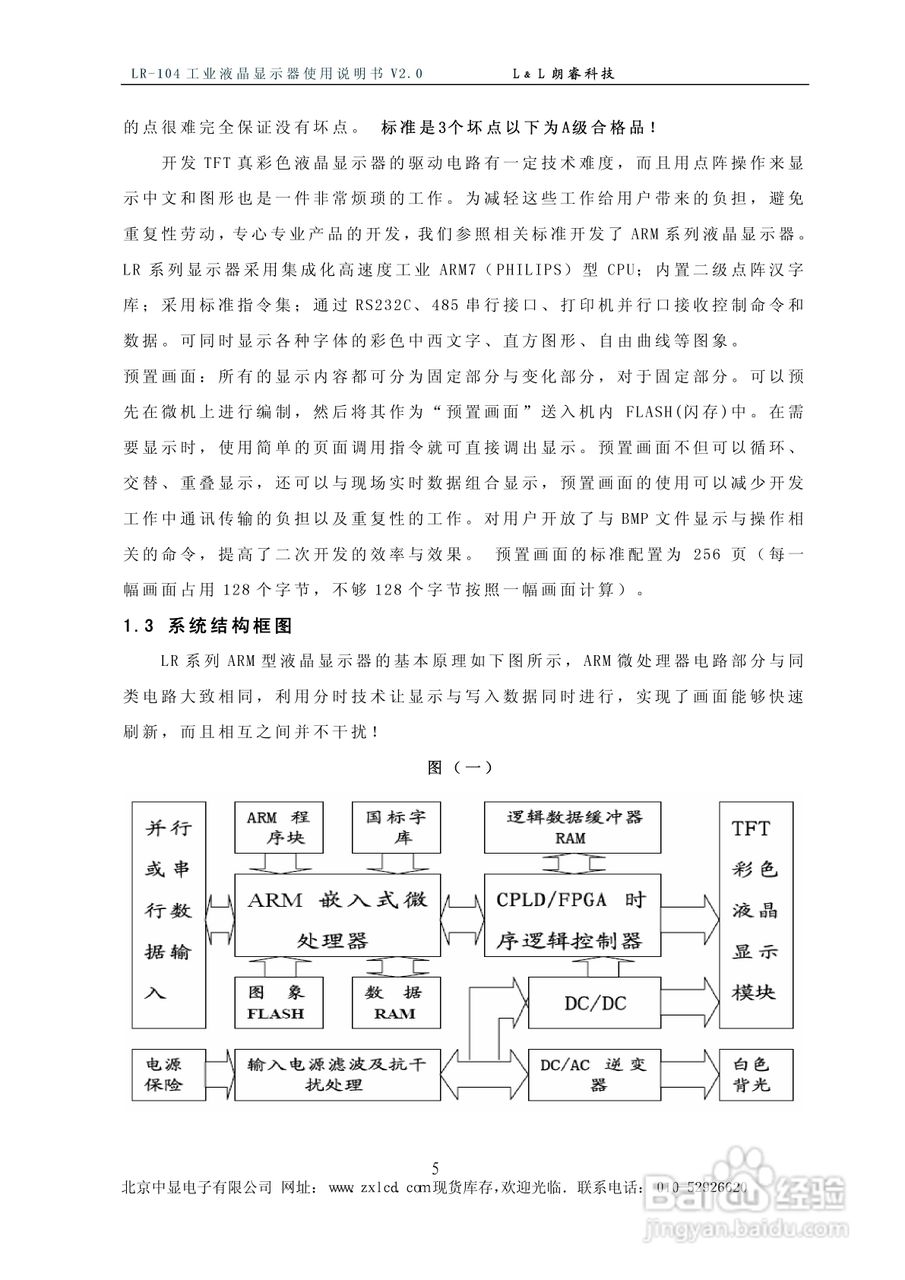
LR-104ARM型彩色工业液晶显示器说明书:[1]
2026-05-11 10:56:05
/>
(共篇)
下一篇:
声明:
本网站引用、摘录或转载内容仅供网站访问者交流或参考,不代表本站立场,如存在版权或非法内容,请联系站长删除,联系邮箱:site.kefu@qq.com。
相关推荐
LR-104ARM型彩色工业液晶显示器说明书:[2]
阅读量:35
朗睿 LR-064ARM型彩色工业液晶显示器使用说明书:[1]
阅读量:65
彩色工业液晶显示器LR-070ARM使用说明书:[5]
阅读量:115
朗睿 LR-064ARM型彩色工业液晶显示器使用说明书:[3]
阅读量:85
朗睿 LR-064ARM型彩色工业液晶显示器使用说明书:[2]
阅读量:174
猜你喜欢
祝福 鲁迅
高速什么时候免费通行
无缘的意思
乔迁之喜祝福语简单点
不堪一击的意思
有什么好看的动画片吗
红杏出墙是什么意思
peaches是什么意思
什么时候订机票最便宜
各司其职的意思
猜你喜欢
awesome是什么意思
三相四线是什么意思
横盘是什么意思
生日祝福语八个字霸气
嘿嘿是什么意思
碧莲是什么意思
婴儿黄疸有什么危害
汽车摆件有什么讲究
都什么时候了
司法证有什么用