小度生活
首页
美食营养
手工爱好
生活家居
返回
小度生活
首页
美食营养
游戏数码
手工爱好
生活家居
健康养生
运动户外
职场理财
情感交际
母婴教育
时尚美容
知识问答
搜索
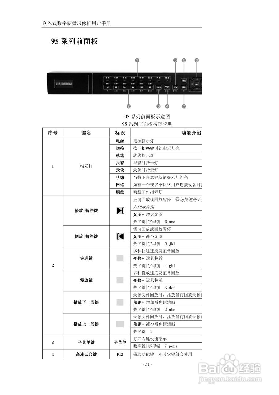
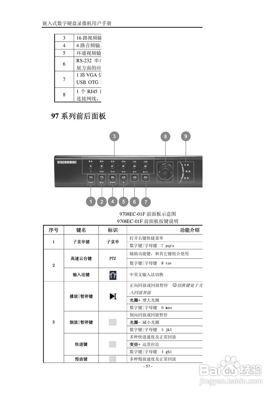
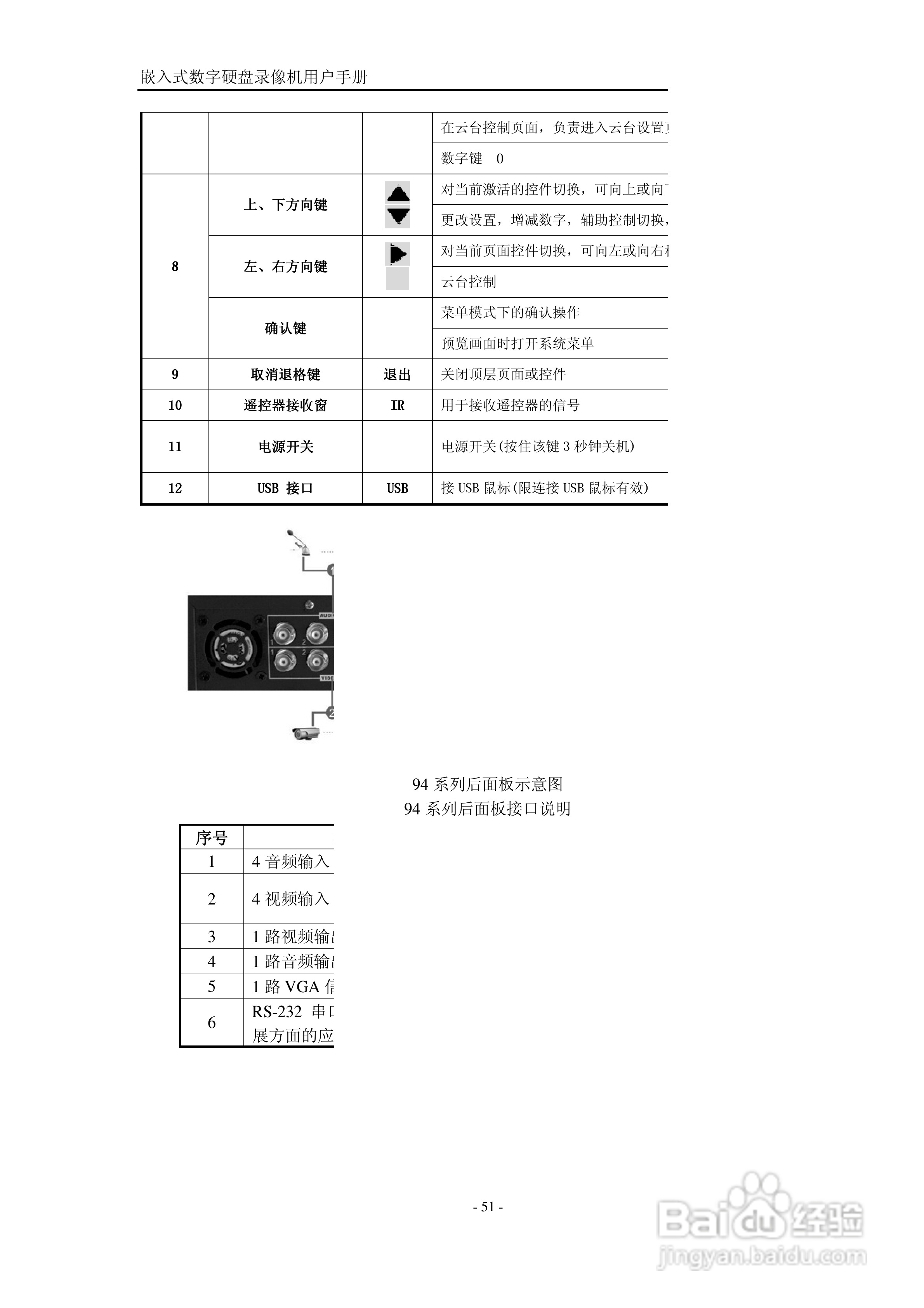
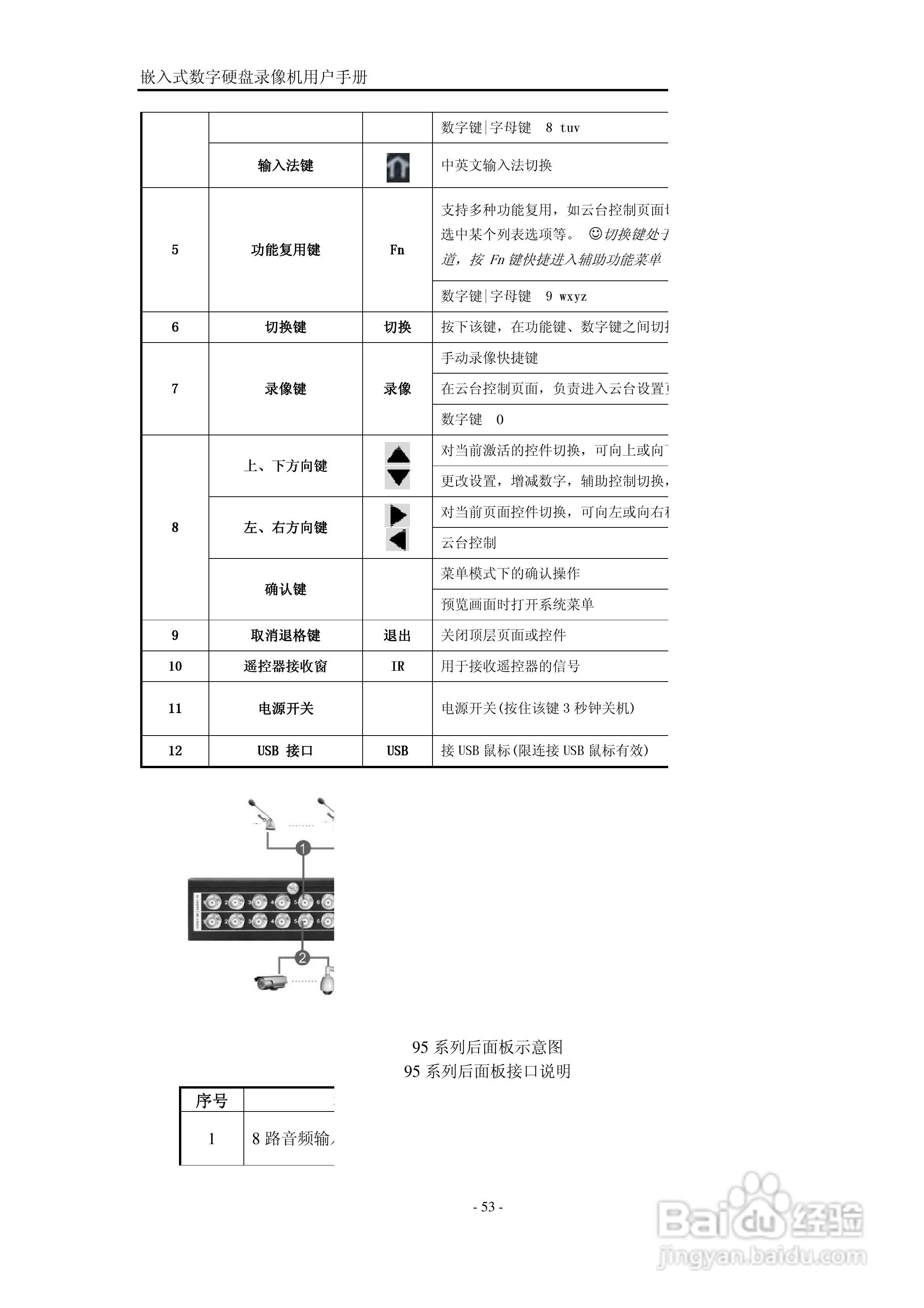
VISIONDIGI 高清智能型98系列嵌入式数字硬盘录像机说:[6]
2025-10-25 01:24:41
(共篇)
上一篇:
|
下一篇:
声明:
本网站引用、摘录或转载内容仅供网站访问者交流或参考,不代表本站立场,如存在版权或非法内容,请联系站长删除,联系邮箱:site.kefu@qq.com。
相关推荐
VISIONDIGI 高清智能型98系列嵌入式数字硬盘录像机说:[1]
阅读量:160
V3013系列嵌入式网络数字硬盘录像机说明书:[8]
阅读量:121
V3013系列嵌入式网络数字硬盘录像机说明书:[2]
阅读量:48
教你重置网络摄像头或者硬盘录像机密码
阅读量:101
嵌入式软件开发入门教程
阅读量:32
猜你喜欢
黄褐斑怎么治
东北石油大学怎么样
梨花卷发型图片
工作汇报怎么写
我的世界怎么做箭
即食燕窝怎么吃
欧神诺瓷砖质量怎么样
吉林农业科技学院怎么样
羊肉串怎么腌制
记性差怎么办
猜你喜欢
小米nfc功能怎么用
中国钱币博物馆
滋润的近义词
回报的近义词
遐想近义词
风寒感冒症状
长城润滑油怎么样
一丝不苟的近义词
肾积水是怎么回事
u盘怎么装系统