小度生活
首页
美食营养
手工爱好
生活家居
返回
小度生活
首页
美食营养
游戏数码
手工爱好
生活家居
健康养生
运动户外
职场理财
情感交际
母婴教育
时尚美容
知识问答
生活知识
搜索
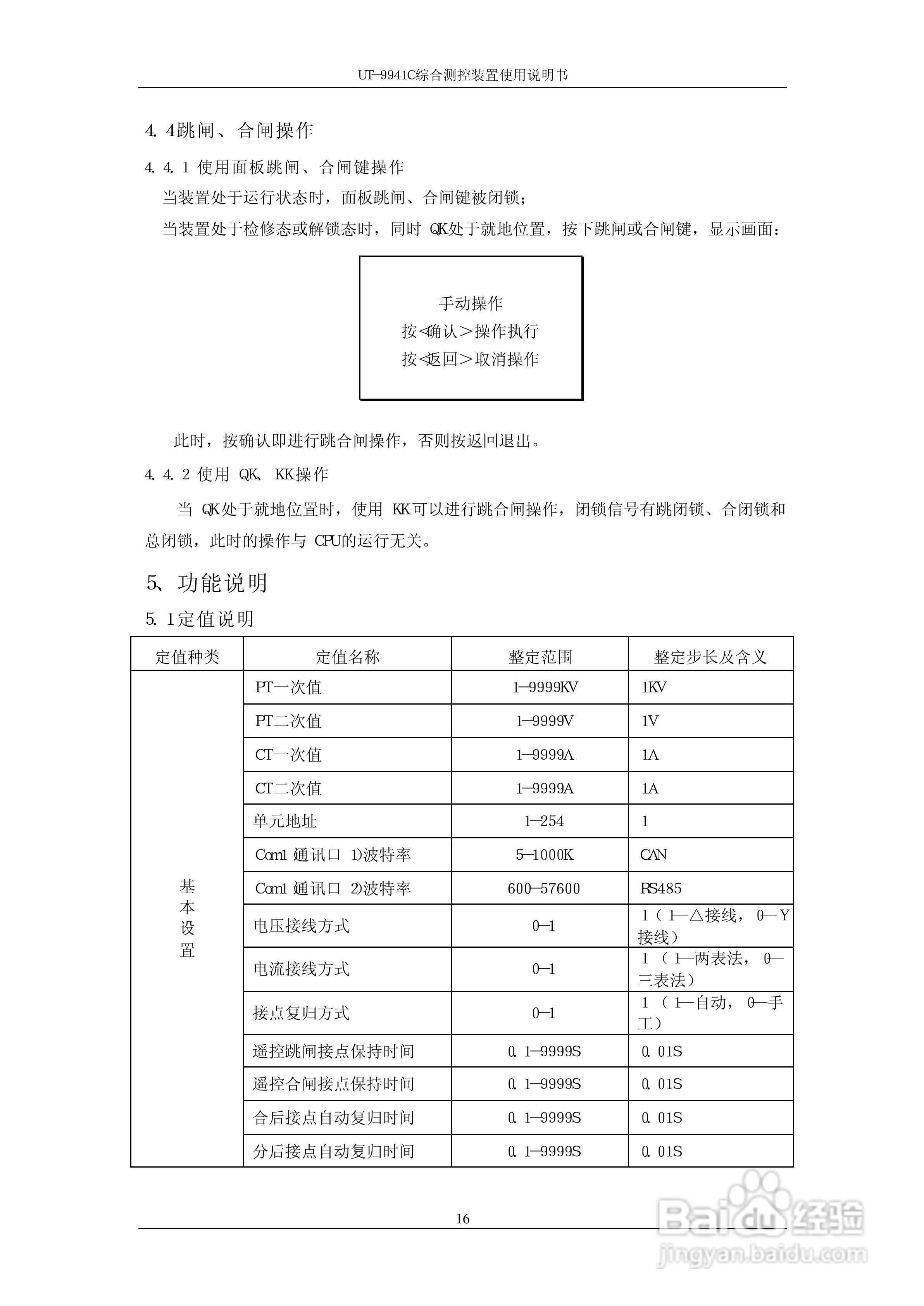
优特电力科技UT-9941C综合测控装置使用说明书:[2]
2026-01-13 14:50:04
本篇为《优特电力科技UT-9941C综合测控装置使用说明书》,主要介绍该产品的使用方法以及常见故障解决方案。
(共篇)
上一篇:
|
下一篇:
声明:
本网站引用、摘录或转载内容仅供网站访问者交流或参考,不代表本站立场,如存在版权或非法内容,请联系站长删除,联系邮箱:site.kefu@qq.com。
相关推荐
优特电力科技UT-9941C综合测控装置使用说明书:[1]
阅读量:38
优特电力UT-9935变压器保护测控装置使用说明书:[2]
阅读量:157
珠海优特电力UT-9911B线路保护测控装置使用说明书:[2]
阅读量:115
优特UT-811线路保护测控装置技术说明书:[2]
阅读量:186
优特电力UT-9935变压器保护测控装置使用说明书:[3]
阅读量:137
猜你喜欢
资格后审是什么意思
降准什么意思
sa是什么意思
刨活是什么意思
五个一批的内容是什么
look是什么意思
四人不回头是什么意思
ol是什么意思
一开双控什么意思
吹毛求疵是什么意思
猜你喜欢
818是什么节日
why什么意思
抵押车是什么意思
sugar是什么意思
工银灵通卡是什么卡
nurse是什么意思
什么是证券
什么而什么
一件代发是什么意思
通存通兑是什么意思