小度生活
首页
美食营养
手工爱好
生活家居
返回
小度生活
首页
美食营养
游戏数码
手工爱好
生活家居
健康养生
运动户外
职场理财
情感交际
母婴教育
时尚美容
知识问答
生活知识
生活百科
搜索
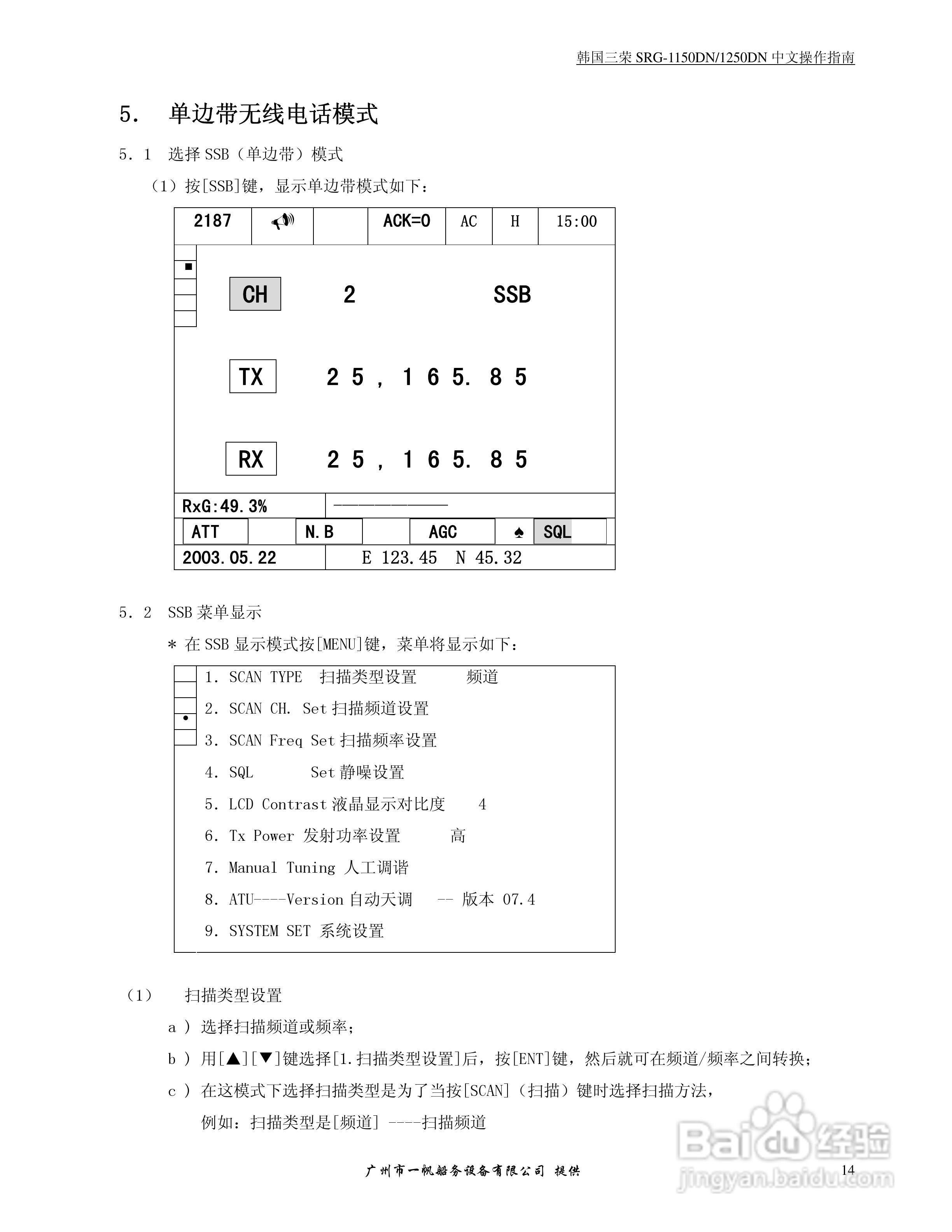
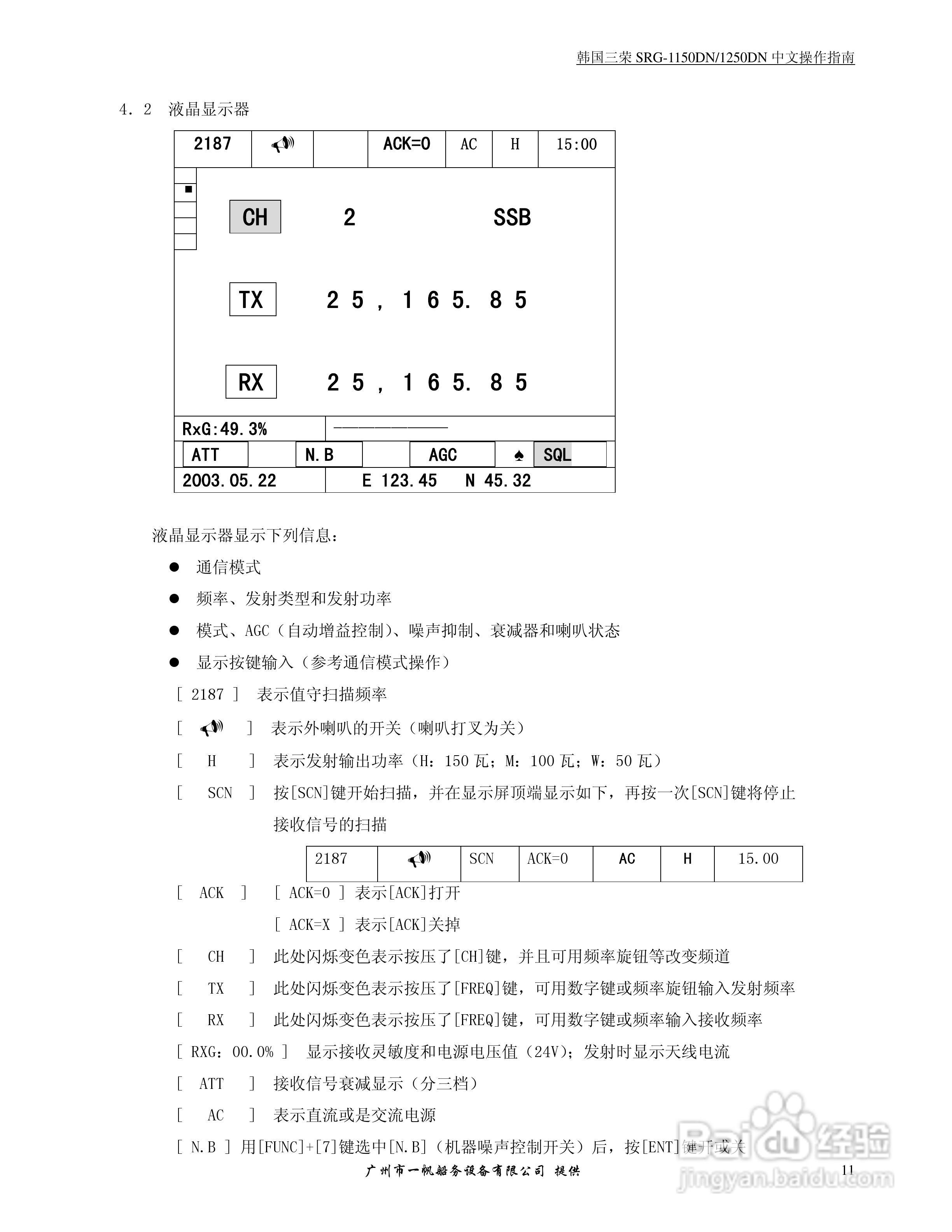
三荣电子SRG-1150N收发机操作手册:[2]
2026-03-31 09:47:58
本篇为《三荣电子SRG-1150N收发机操作手册》,主要介绍该产品的使用方法以及常见故障解决方案。
(共篇)
上一篇:
|
下一篇:
声明:
本网站引用、摘录或转载内容仅供网站访问者交流或参考,不代表本站立场,如存在版权或非法内容,请联系站长删除,联系邮箱:site.kefu@qq.com。
相关推荐
三荣电子SRG-1150N收发机操作手册:[4]
阅读量:123
三荣电子SRG-1150N收发机操作手册:[3]
阅读量:156
SRG-1150DN/SRG-1250DN MF/HF/DSC收发机中文操作手册:[2]
阅读量:62
SRG-1150DN/SRG-1250DN MF/HF/DSC收发机中文操作手册:[8]
阅读量:138
SRG-1150DN/SRG-1250DN MF/HF/DSC收发机中文操作手册:[4]
阅读量:110
猜你喜欢
焱是什么意思
潍坊有什么好玩的地方
芦荟有什么作用
icon是什么意思
安全的定义是什么
赛高什么意思
更年期是什么意思
大悲咒是什么意思
mc什么意思
类风湿因子是什么
猜你喜欢
肺炎支原体抗体阳性是什么意思
王守义十三香是什么梗
鹿的部首是什么
week是什么意思
白头发是什么原因
君子坦荡荡小人长戚戚是什么意思
qaq什么意思
etc什么意思
小便出血是什么原因
经常便秘是什么原因