小度生活
首页
美食营养
手工爱好
生活家居
返回
小度生活
首页
美食营养
游戏数码
手工爱好
生活家居
健康养生
运动户外
职场理财
情感交际
母婴教育
时尚美容
知识问答
生活知识
生活百科
搜索
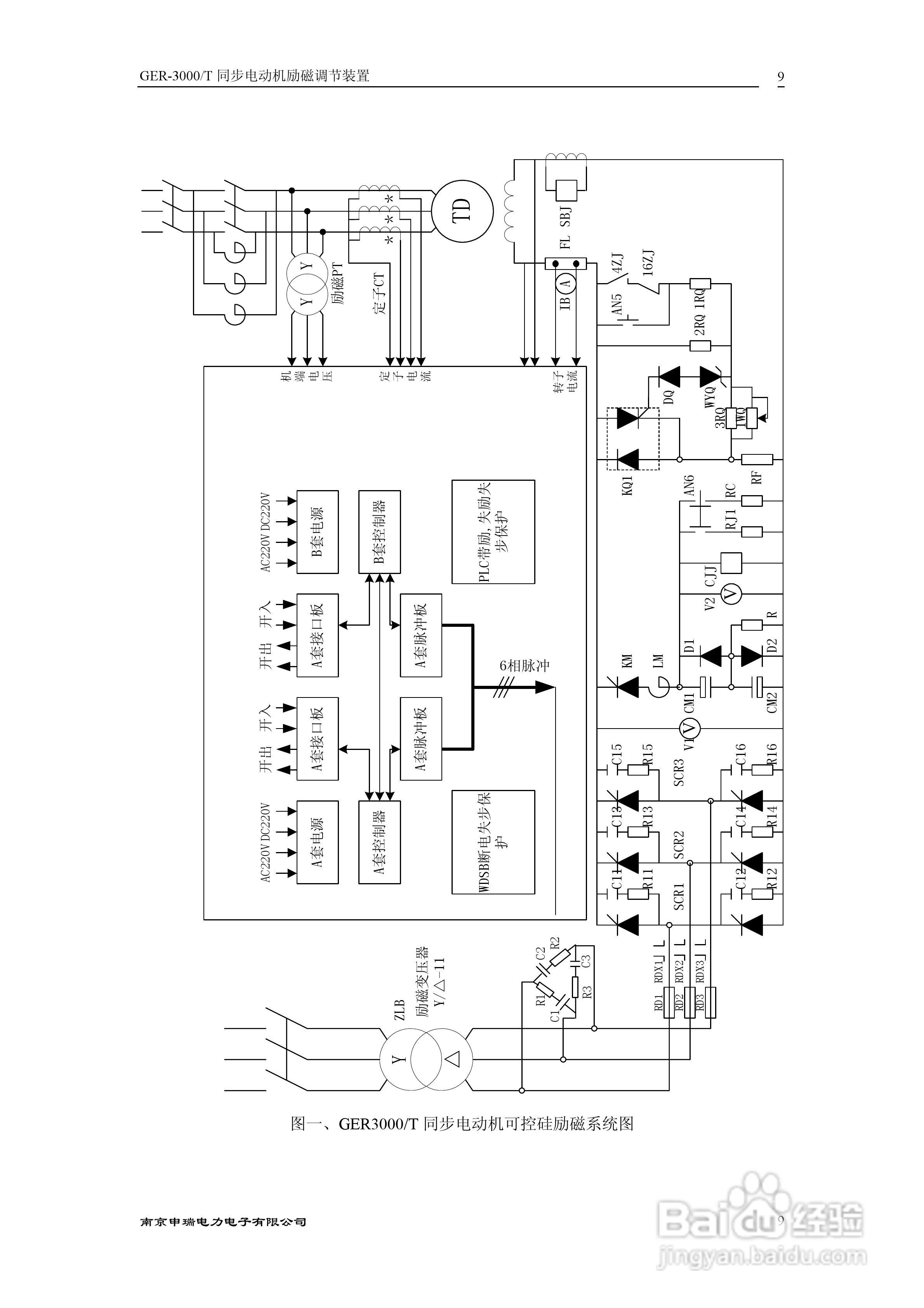
GER6000T同步电动机励磁调节装置技术说明书:[2]
2026-04-22 19:01:19
本篇为《GER6000T同步电动机励磁调节装置技术说明书》,主要介绍该产品的使用方法以及常见故障解决方案。
(共篇)
上一篇:
声明:
本网站引用、摘录或转载内容仅供网站访问者交流或参考,不代表本站立场,如存在版权或非法内容,请联系站长删除,联系邮箱:site.kefu@qq.com。
相关推荐
GER6000T同步电动机励磁调节装置技术说明书:[1]
阅读量:88
SEC2000微机励磁调节装置说明书:[2]
阅读量:91
LTD2同步电动机励磁装置说明书:[1]
阅读量:171
鹏智PEX-3000微机励磁调节装置说明书:[2]
阅读量:71
同步电动机的调速方法
阅读量:162
猜你喜欢
丁桂儿脐贴的作用
香茅草的功效与作用
大黄米的功效与作用
丹参的功效与作用
血糯米的功效与作用
谷氨酰胺的作用
房屋过户需要什么手续
第七届世界军人运动会
蝎子的功效与作用
冰心原名什么
猜你喜欢
魔芋粉的功效与作用
什么是表语从句
毛芋头的功效与作用
益母草的功效与作用
土豆的功效与作用
心理健康知识手抄报
生黄芪的功效与作用
八年级上册历史知识点
什么工作比较自由
龙珠软膏的作用