小度生活
首页
美食营养
手工爱好
生活家居
返回
小度生活
首页
美食营养
游戏数码
手工爱好
生活家居
健康养生
运动户外
职场理财
情感交际
母婴教育
时尚美容
知识问答
生活知识
搜索
卡西欧数字投影仪XJ-450型使用说明书:[7]
2025-10-23 10:36:41
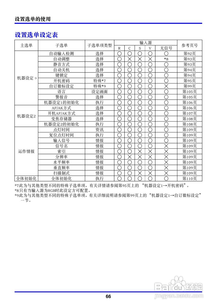
本篇为《卡西欧数字投影仪XJ-450型使用说明书》,主要介绍该产品的使用方法以及常见故障解决方案。
(共篇)
上一篇:
|
下一篇:
声明:
本网站引用、摘录或转载内容仅供网站访问者交流或参考,不代表本站立场,如存在版权或非法内容,请联系站长删除,联系邮箱:site.kefu@qq.com。
相关推荐
卡西欧数字投影仪XJ-450型使用说明书:[13]
阅读量:80
卡西欧数字投影仪XJ-350型使用说明书:[4]
阅读量:195
卡西欧数字投影仪XJ-350型使用说明书:[3]
阅读量:74
卡西欧数字投影仪XJ-350型使用说明书:[12]
阅读量:196
投影仪怎么选
阅读量:185
猜你喜欢
mmap文件怎么打开
梦到掉牙齿是什么预兆
生活相对论
邯郸职业技术学院怎么样
如何更改开机密码
there是什么意思
word如何打钩
7月22日是什么星座
excel乱码怎么办
母亲节贺卡怎么写
猜你喜欢
新天籁怎么样
验孕棒什么时候测最准
中学生如何瘦腿
康恩贝维生素怎么样
华润油漆怎么样
孕妇痔疮怎么治
生活与命运
明年是什么生肖
man是什么意思
lol怎么练技术