小度生活
首页
美食营养
手工爱好
生活家居
返回
小度生活
首页
美食营养
游戏数码
手工爱好
生活家居
健康养生
运动户外
职场理财
情感交际
母婴教育
时尚美容
知识问答
生活知识
搜索
士林电机单板型变频器SB-021使用说明书:[4]
2025-10-27 18:14:40
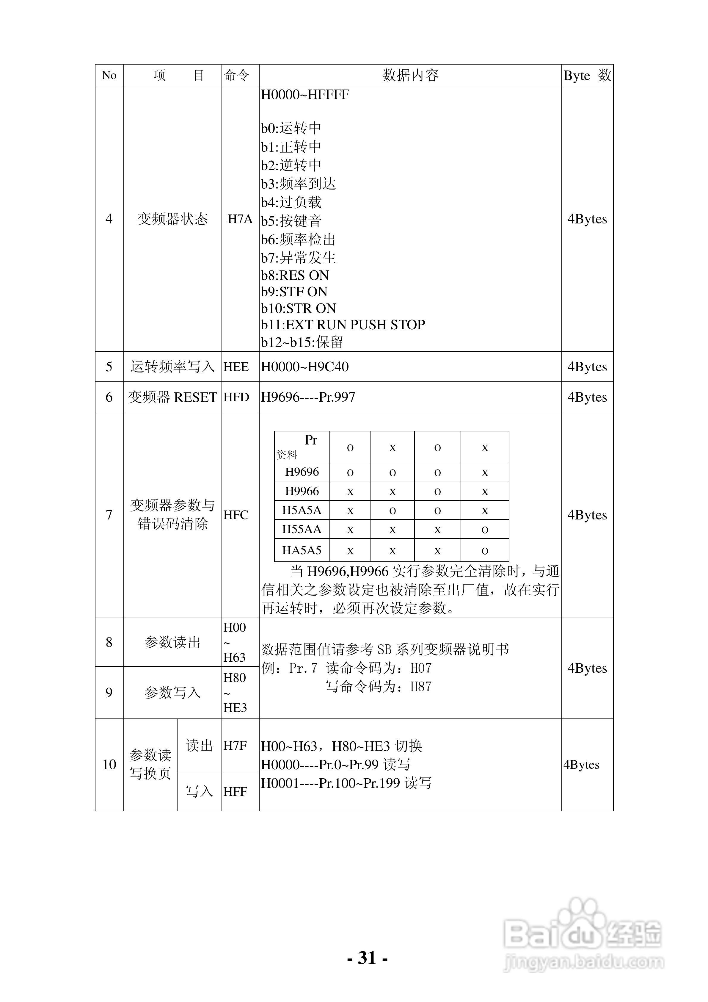
本篇为《士林电机单板型变频器SB-021使用说明书》,主要介绍该产品的使用方法以及常见故障解决方案。
(共篇)
上一篇:
|
下一篇:
声明:
本网站引用、摘录或转载内容仅供网站访问者交流或参考,不代表本站立场,如存在版权或非法内容,请联系站长删除,联系邮箱:site.kefu@qq.com。
相关推荐
变频器调试接线教程
阅读量:161
变频器怎么恢复出厂设置
阅读量:90
变频器控制线路接线方法
阅读量:82
变频器选型原则及步骤
阅读量:90
单板野雪技巧
阅读量:164
猜你喜欢
滑档是什么意思
ios越狱有什么好处
委屈的意思
注销公司需要什么资料
不可思议的意思
kw是什么意思
否极泰来是什么意思
建档立卡户是什么意思
so what什么意思
形态各异的意思
猜你喜欢
什么牌子的叶酸好
什么是果酸换肤
书的作用
什么叫软件
贫贱不能移什么意思
野火烧不尽春风吹又生的意思
什么项目赚钱
不得而知什么意思
苏打水有什么作用
moq是什么意思