小度生活
首页
美食营养
手工爱好
生活家居
返回
小度生活
首页
美食营养
游戏数码
手工爱好
生活家居
健康养生
运动户外
职场理财
情感交际
母婴教育
时尚美容
知识问答
生活知识
生活百科
搜索
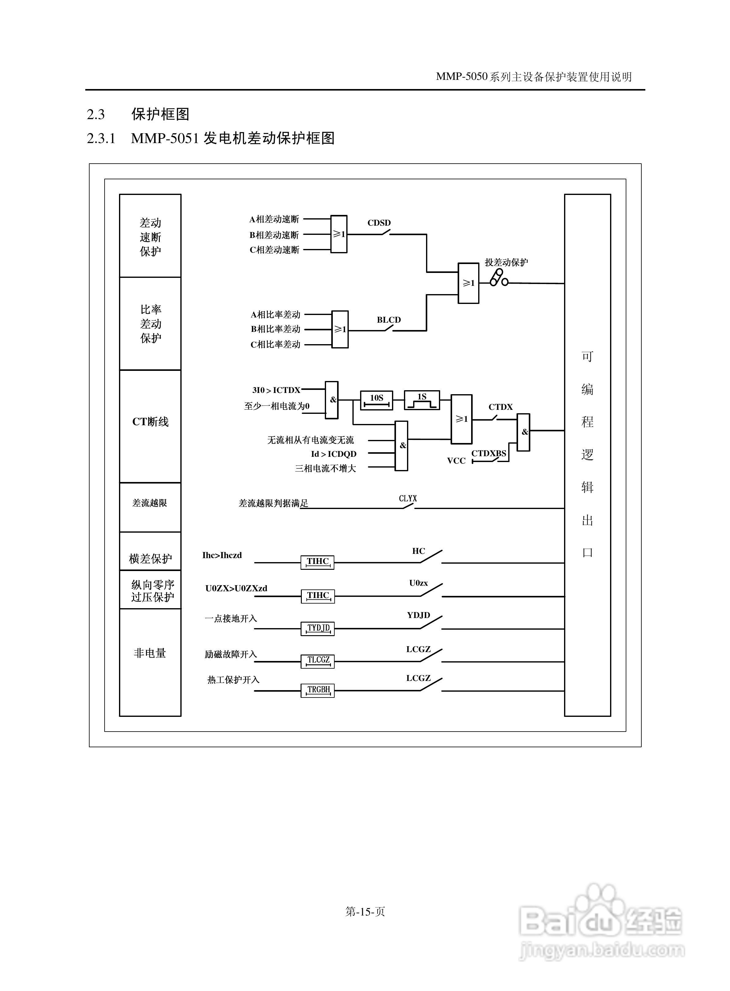
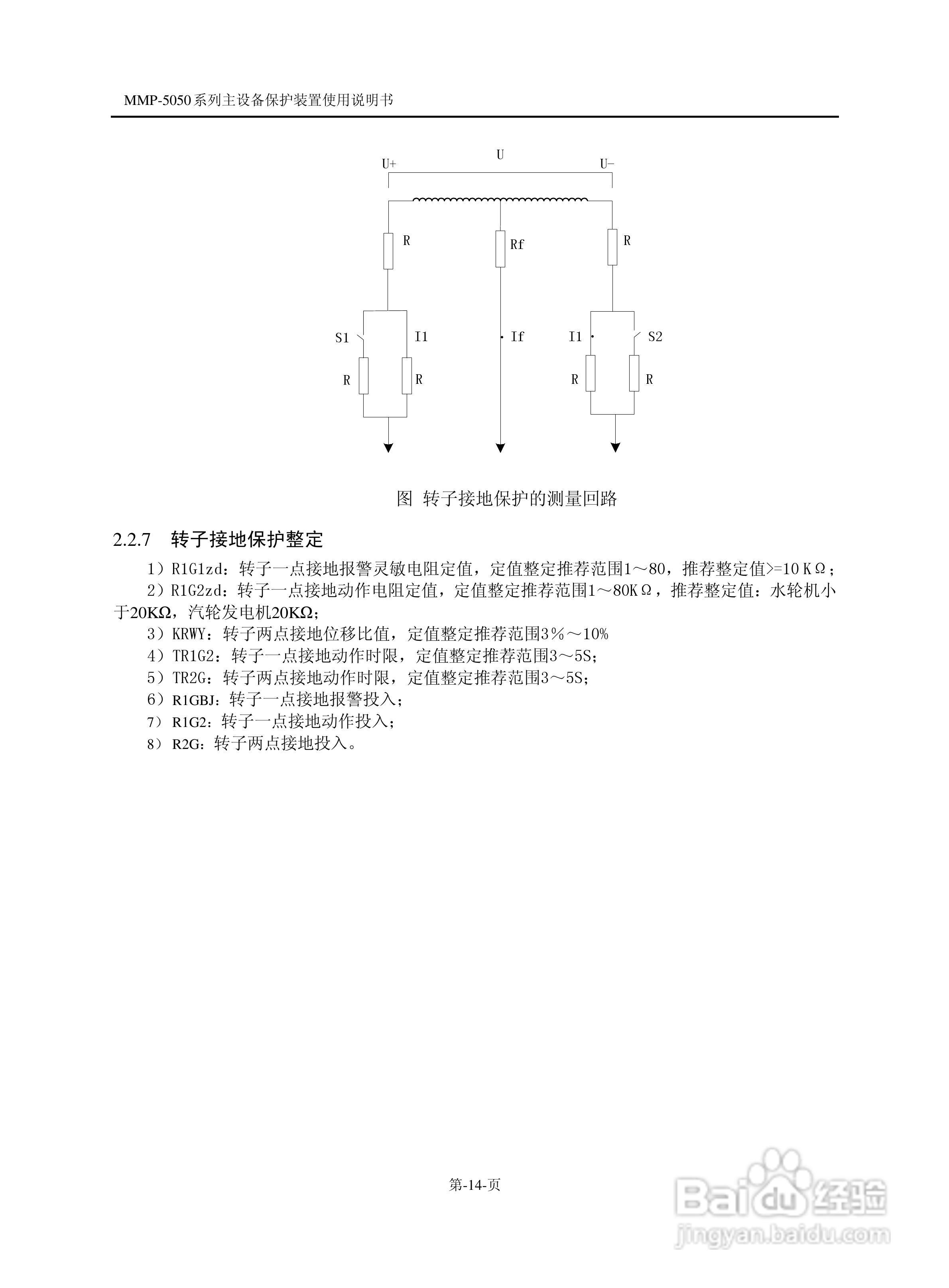
爱光MMP-5053发电机接地保护装置说明书:[2]
2026-04-23 09:38:15
本篇为《爱光MMP-5053发电机接地保护装置说明书》,主要介绍该产品的使用方法以及常见故障解决方案。
(共篇)
上一篇:
|
下一篇:
声明:
本网站引用、摘录或转载内容仅供网站访问者交流或参考,不代表本站立场,如存在版权或非法内容,请联系站长删除,联系邮箱:site.kefu@qq.com。
相关推荐
爱光MMP-5053发电机接地保护装置说明书:[3]
阅读量:108
爱光MMP-5000L1低压电动机保护测控装置说明书:[2]
阅读量:195
爱光MMP-5000L1低压电动机保护测控装置说明书:[3]
阅读量:93
南瑞RCS-985RE注入式发电机转子接地保护装置使用说明:[2]
阅读量:161
爱光MMP-5000L1低压电动机保护测控装置说明书:[4]
阅读量:60
猜你喜欢
格式化是什么意思
有什么大型网络游戏
有什么好看的动漫日本
貂禅属什么生肖
端午节祝福句子简洁
延续的意思
故事的意思
诚惶诚恐是什么意思
amy是什么意思
本来的意思
猜你喜欢
股票中什么叫蓝筹股
一切国家机关实行什么原则
毁灭的意思
去澳门买什么划算
悸动的意思
blackboard是什么意思
空手套白狼的意思
烤箱什么牌子质量好
高考祝福语
客户端是什么意思