小度生活
首页
美食营养
手工爱好
生活家居
返回
小度生活
首页
美食营养
游戏数码
手工爱好
生活家居
健康养生
运动户外
职场理财
情感交际
母婴教育
时尚美容
知识问答
生活知识
搜索
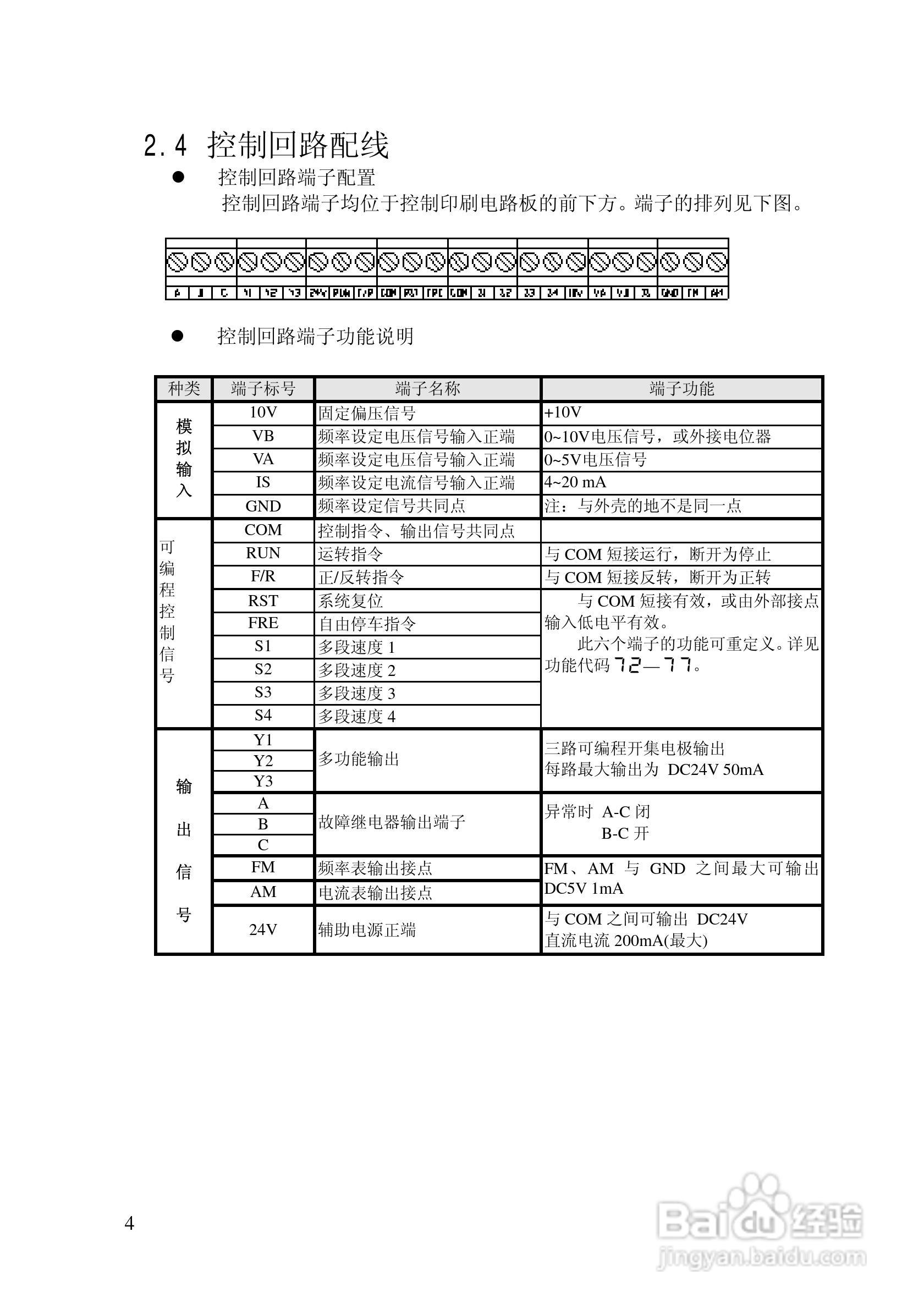
阿尔法(ALPHA)ALPHA2000-3280G变频器说明书:[1]
2025-10-18 05:59:18
本篇为《阿尔法(ALPHA)ALPHA2000-3280G变频器说明书》,主要介绍该产品的使用方法以及常见故障解决方案。
(共篇)
下一篇:
声明:
本网站引用、摘录或转载内容仅供网站访问者交流或参考,不代表本站立场,如存在版权或非法内容,请联系站长删除,联系邮箱:site.kefu@qq.com。
相关推荐
个人医保信息如何查询?
阅读量:79
如何使用身份证查询个人社保卡号?
阅读量:192
支付宝怎样查询社保卡缴费情况
阅读量:105
如何用人社APP查询社保
阅读量:118
如何查询个人医保信息
阅读量:190
猜你喜欢
洗车液可以用什么代替
肉牛养殖基地
event是什么意思
运动会活动方案
什么叫整体认读音节
oasis是什么牌子
京东e卡可以买什么
鳝鱼养殖
百香果是什么
风平浪静是什么意思
猜你喜欢
user是什么意思
收敛是什么意思
有什么好看的古装剧
kj什么意思
核是什么
professional是什么意思
eva是什么材料
维生素e祛痘印
世界运动会
成人教育是什么