小度生活
首页
美食营养
手工爱好
生活家居
返回
小度生活
首页
美食营养
游戏数码
手工爱好
生活家居
健康养生
运动户外
职场理财
情感交际
母婴教育
时尚美容
知识问答
生活知识
搜索
EM78F564N/F664N 8位微控制器说明书:[3]
2025-12-16 23:41:06
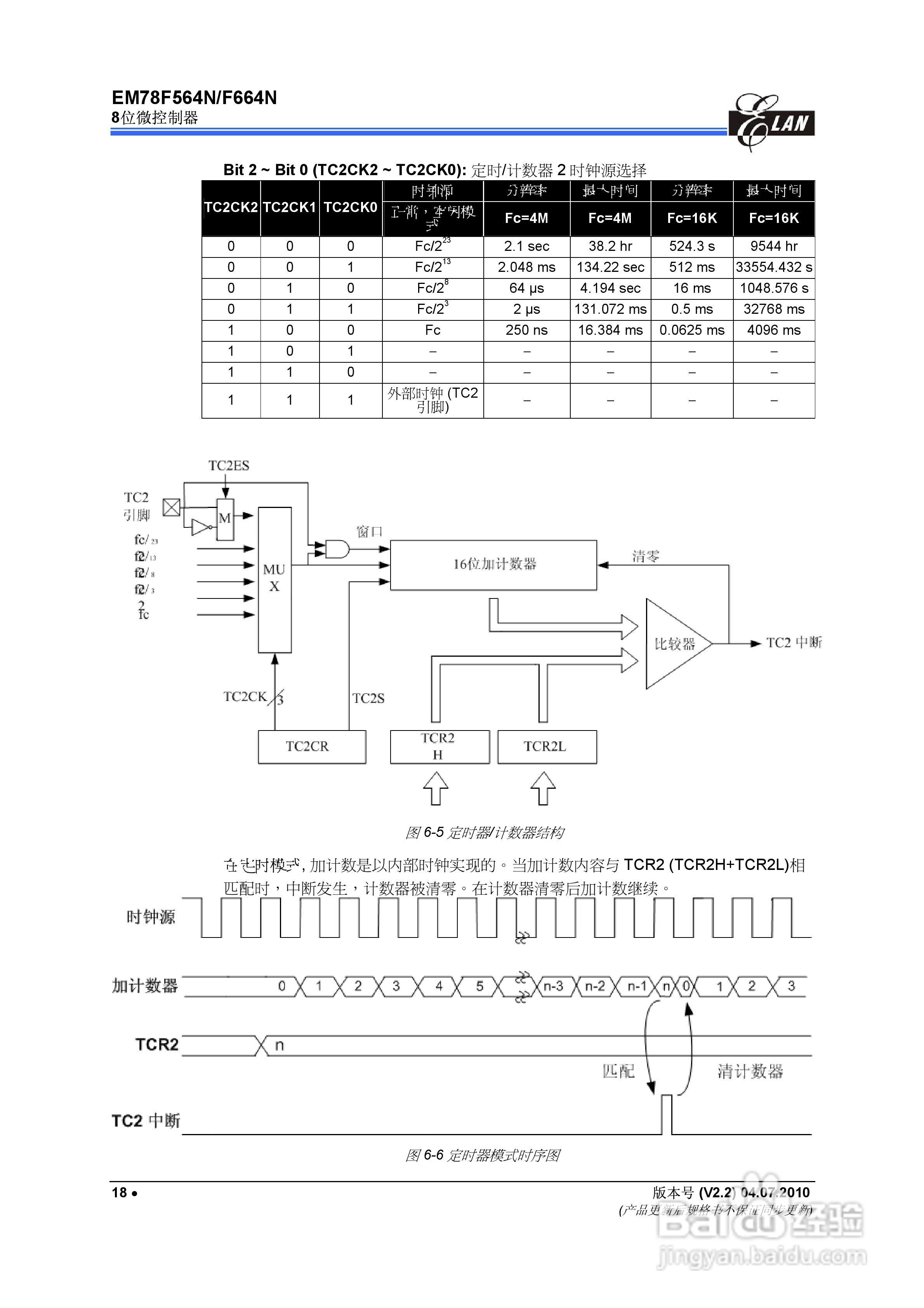
本篇为《EM78F564N/F664N 8位微控制器说明书》,主要介绍该产品的使用方法以及常见故障解决方案。
(共篇)
上一篇:
|
下一篇:
声明:
本网站引用、摘录或转载内容仅供网站访问者交流或参考,不代表本站立场,如存在版权或非法内容,请联系站长删除,联系邮箱:site.kefu@qq.com。
相关推荐
EM78F564N/F664N 8位微控制器说明书:[11]
阅读量:35
EM78F562N/F662N 8位微控制器说明书:[3]
阅读量:49
TOSHIBA TMP86PM46NG 8位微控制器说明书:[3]
阅读量:134
Winbond W78E365 8位微控制器说明书:[3]
阅读量:114
8位无保qq怎么上保
阅读量:70
猜你喜欢
胃灼热是怎么回事
凯文怎么了
虚胖减肥最快的方法
蒸包子发面的方法
干海参泡发的正确方法
饺子馅怎么调才好吃
男人补肾的方法
蜈蚣咬伤的救治方法
巴沙鱼怎么做好吃
资产评估方法
猜你喜欢
健康减肥方法
口吃矫正最简单方法
龙虾怎么杀
柚子皮怎么做好吃
qq被盗怎么冻结
解梦大全
山东农业大学怎么样
温馨提示怎么写
怎么了解一个人
非经期出血是怎么回事