小度生活
首页
美食营养
手工爱好
生活家居
返回
小度生活
首页
美食营养
游戏数码
手工爱好
生活家居
健康养生
运动户外
职场理财
情感交际
母婴教育
时尚美容
知识问答
生活知识
生活百科
搜索
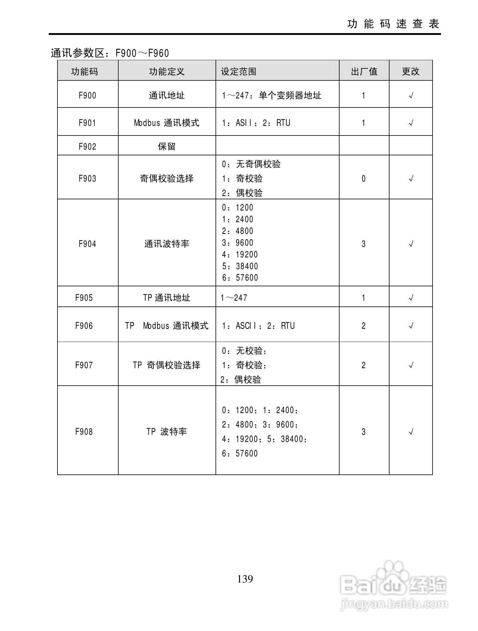
欧瑞传动XS1000-0300T3变频器使用说明书:[15]
2026-03-30 15:32:55
本篇为《欧瑞传动XS1000-0300T3变频器使用说明书》,主要介绍该产品的使用方法以及常见故障解决方案。
(共篇)
上一篇:
声明:
本网站引用、摘录或转载内容仅供网站访问者交流或参考,不代表本站立场,如存在版权或非法内容,请联系站长删除,联系邮箱:site.kefu@qq.com。
相关推荐
欧瑞传动XS1000-0300T3变频器使用说明书:[13]
阅读量:130
欧瑞QC1000-4000T3变频器使用说明书:[15]
阅读量:36
欧瑞QC1000-4000T3变频器使用说明书:[3]
阅读量:100
欧瑞QC1000-4000T3变频器使用说明书:[10]
阅读量:20
欧瑞QC1000-4000T3变频器使用说明书:[6]
阅读量:89
猜你喜欢
排骨米饭的做法大全
三峡大坝简介
小腿浮肿怎么回事
教师简笔画图片大全
班固简介
道路标线大全及图解
乾隆皇帝后妃子女简介
好句摘抄大全10字
广告词大全
全友家具怎么样
猜你喜欢
游戏平台大全
雪佛兰创酷怎么样
陈忠实简介
面食做法大全带图解
初一作文600字大全
cookies怎么读
话题作文题目大全
中国人寿简介
红绿灯图片大全
地址大全