小度生活
首页
美食营养
手工爱好
生活家居
返回
小度生活
首页
美食营养
游戏数码
手工爱好
生活家居
健康养生
运动户外
职场理财
情感交际
母婴教育
时尚美容
知识问答
生活知识
搜索
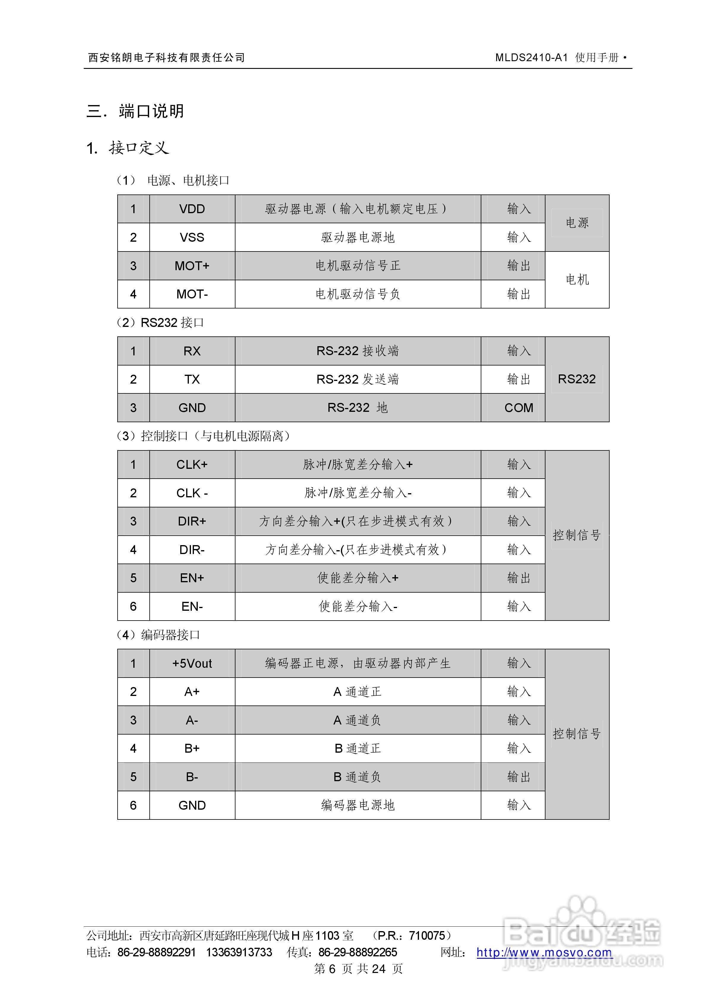
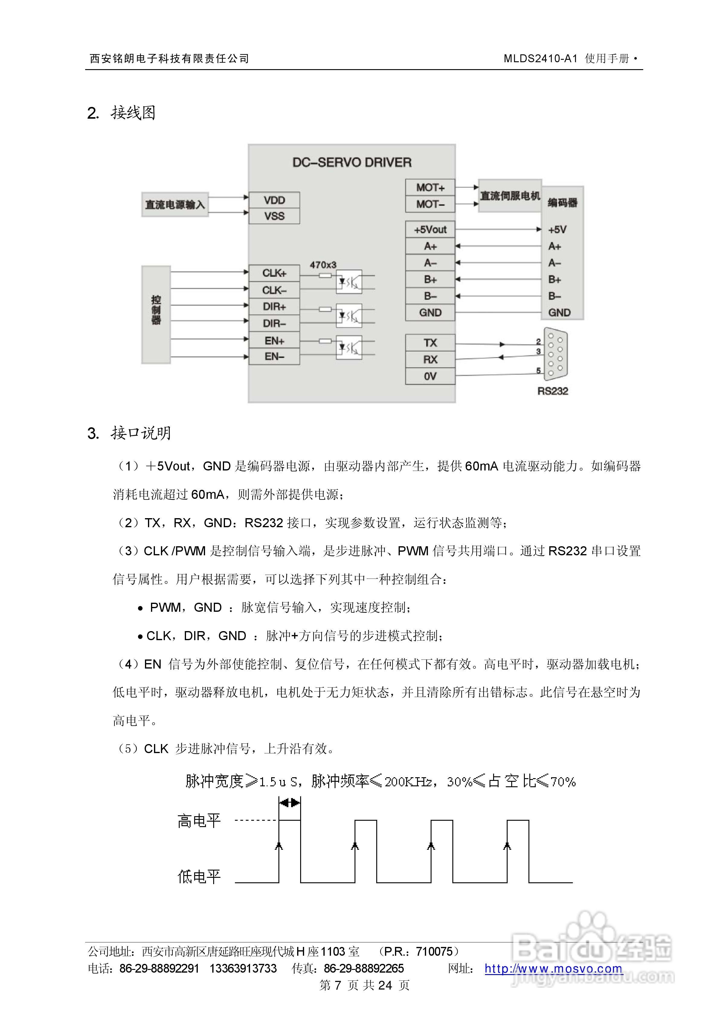
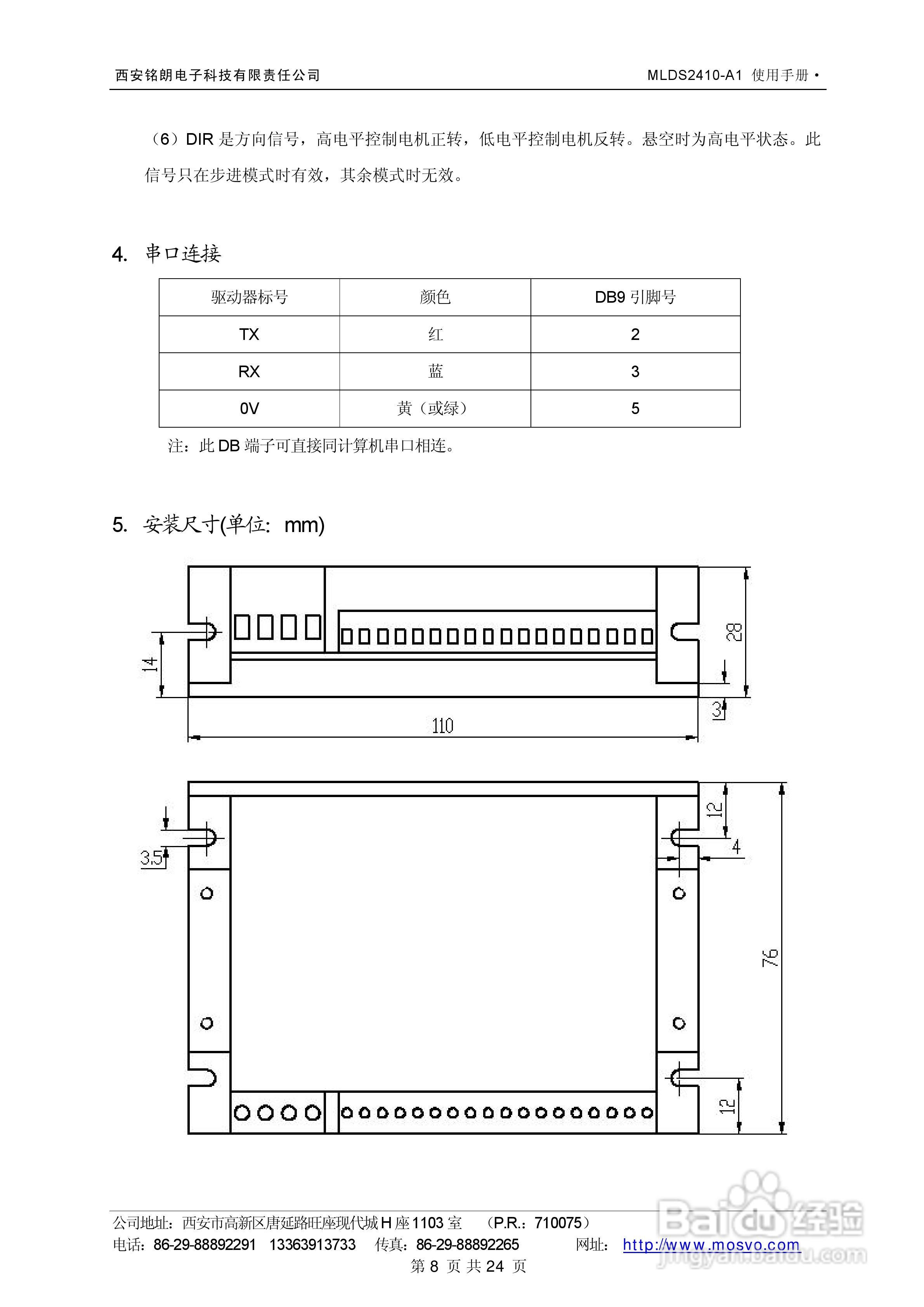
铭朗科技MLDS2410-A1直流伺服驱动器说明书:[1]
2025-10-26 17:31:26
本篇为《铭朗科技MLDS2410-A1直流伺服驱动器说明书》,主要介绍该产品的使用方法以及常见故障解决方案。
(共篇)
下一篇:
声明:
本网站引用、摘录或转载内容仅供网站访问者交流或参考,不代表本站立场,如存在版权或非法内容,请联系站长删除,联系邮箱:site.kefu@qq.com。
相关推荐
铭朗科技MLDS2410直流伺服驱动器说明书:[1]
阅读量:189
铭朗科技MLDS2410直流伺服驱动器说明书:[2]
阅读量:47
铭朗科技MLDS2402直流伺服驱动器说明书:[1]
阅读量:134
铭朗科技MLDS2402直流伺服驱动器说明书:[2]
阅读量:107
铭朗科技MLDS3605A直流伺服驱动器说明书:[2]
阅读量:102
猜你喜欢
一杠三星是什么级别
大跌眼镜是什么意思
dat是什么格式
农村养殖业
桃红对什么
飞行员打一成语是什么
维生素d3
blood是什么意思
bamboo是什么意思
十三点是什么意思
猜你喜欢
维生素b2价格
什么是计划经济
聂耳是什么家
熟视无睹是什么意思
sneakers是什么意思
什么牛奶最有营养
cure是什么意思
女孩什么时候来月经
什么样的女人水多
什么是共济失调