小度生活
首页
美食营养
手工爱好
生活家居
返回
小度生活
首页
美食营养
游戏数码
手工爱好
生活家居
健康养生
运动户外
职场理财
情感交际
母婴教育
时尚美容
知识问答
搜索
德玛D5M-18.5T4-1A变频器使用说明书:[8]
2025-11-16 15:21:29
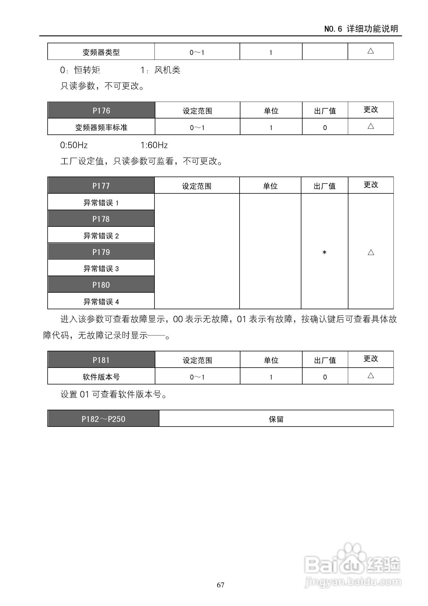
本篇为《德玛D5M-18.5T4-1A变频器使用说明书》,主要介绍该产品的使用方法以及常见故障解决方案。
(共篇)
上一篇:
|
下一篇:
声明:
本网站引用、摘录或转载内容仅供网站访问者交流或参考,不代表本站立场,如存在版权或非法内容,请联系站长删除,联系邮箱:site.kefu@qq.com。
相关推荐
GENESIS64 授权监控 - V10.95
阅读量:151
wincc多个设备动画显示用脚本如何实现
阅读量:71
WinCC flexible SMART V3如何运行?
阅读量:46
如何安装ispsoft 3.06
阅读量:119
信捷PLC如何建立多点重复传送指令
阅读量:86
猜你喜欢
工勤人员是什么意思
结余是什么意思
年化利率是什么意思
杜甫被称为什么
眼睛模糊是什么原因引起的
sg是什么意思
本垒打在爱情里面是什么意思
血小板低是什么病
大红袍属于什么茶
次第是什么意思
猜你喜欢
1900年是什么年
bot是什么意思
迷你世界什么时候下架
就诊卡号是什么
marry me什么意思中文
咖喱是什么东西
成都有什么好玩的地方
什么是家风
病娇是什么意思
己所不欲勿施于人是什么意思