小度生活
首页
美食营养
手工爱好
生活家居
返回
小度生活
首页
美食营养
游戏数码
手工爱好
生活家居
健康养生
运动户外
职场理财
情感交际
母婴教育
时尚美容
知识问答
生活知识
生活百科
搜索
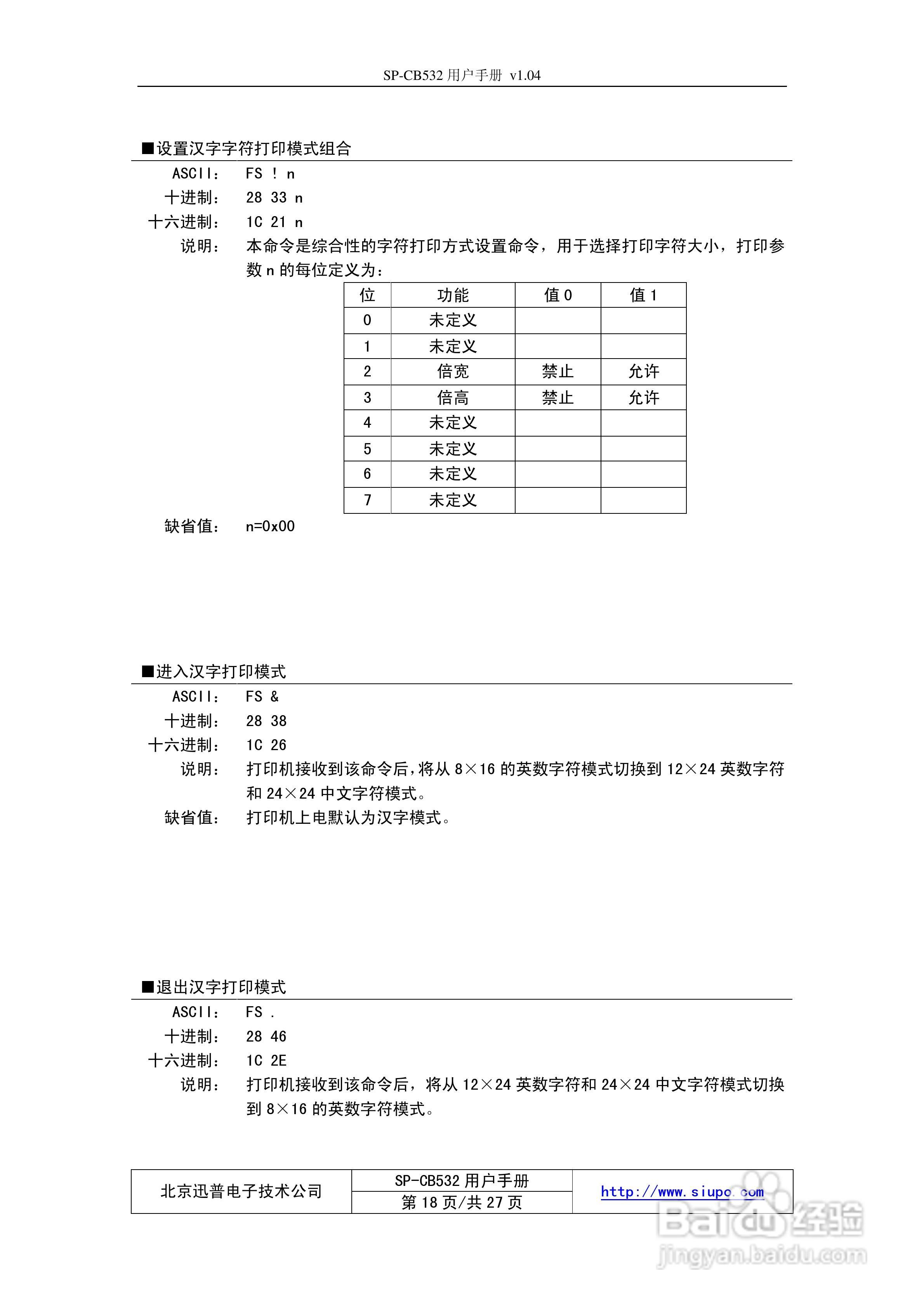
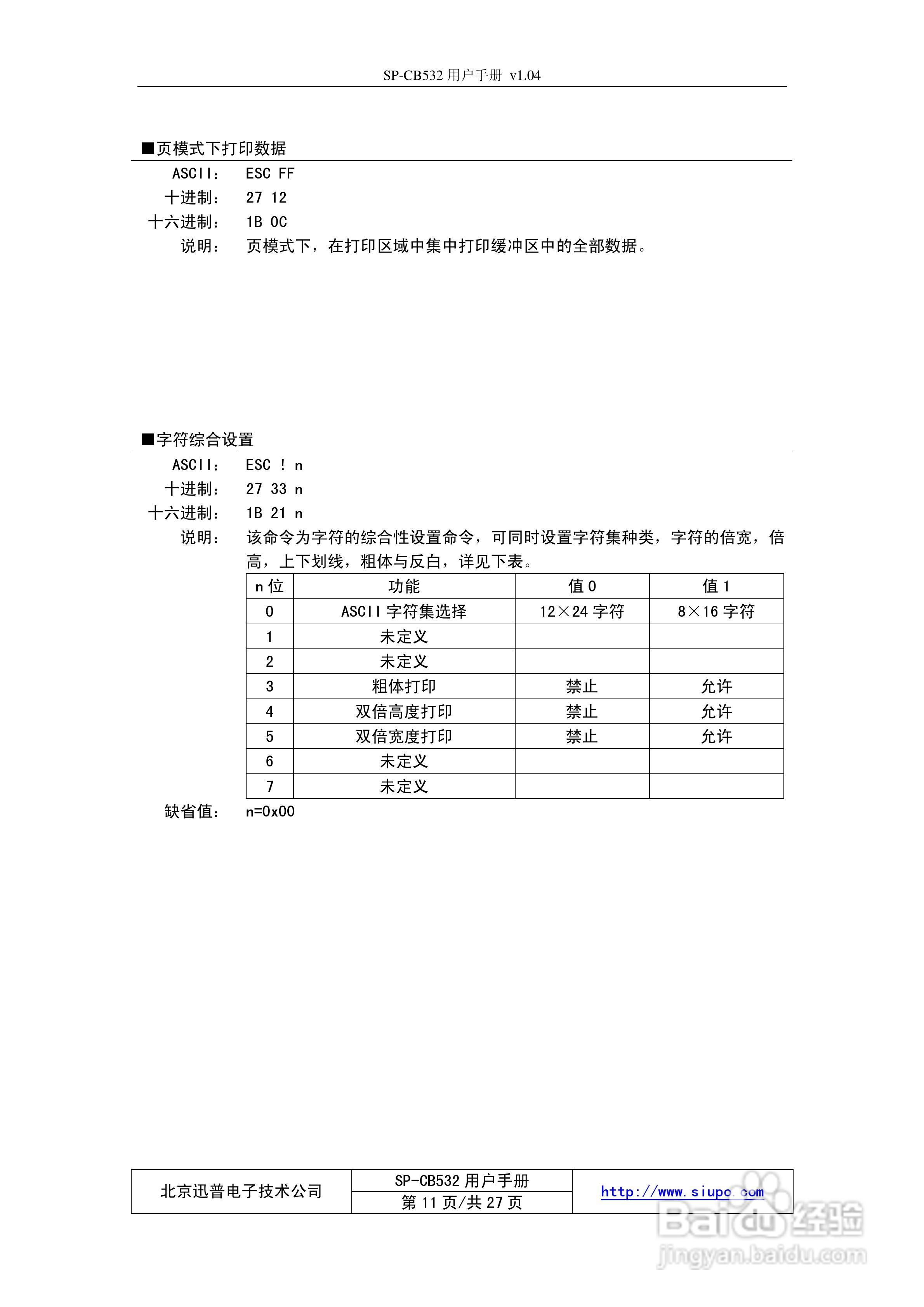
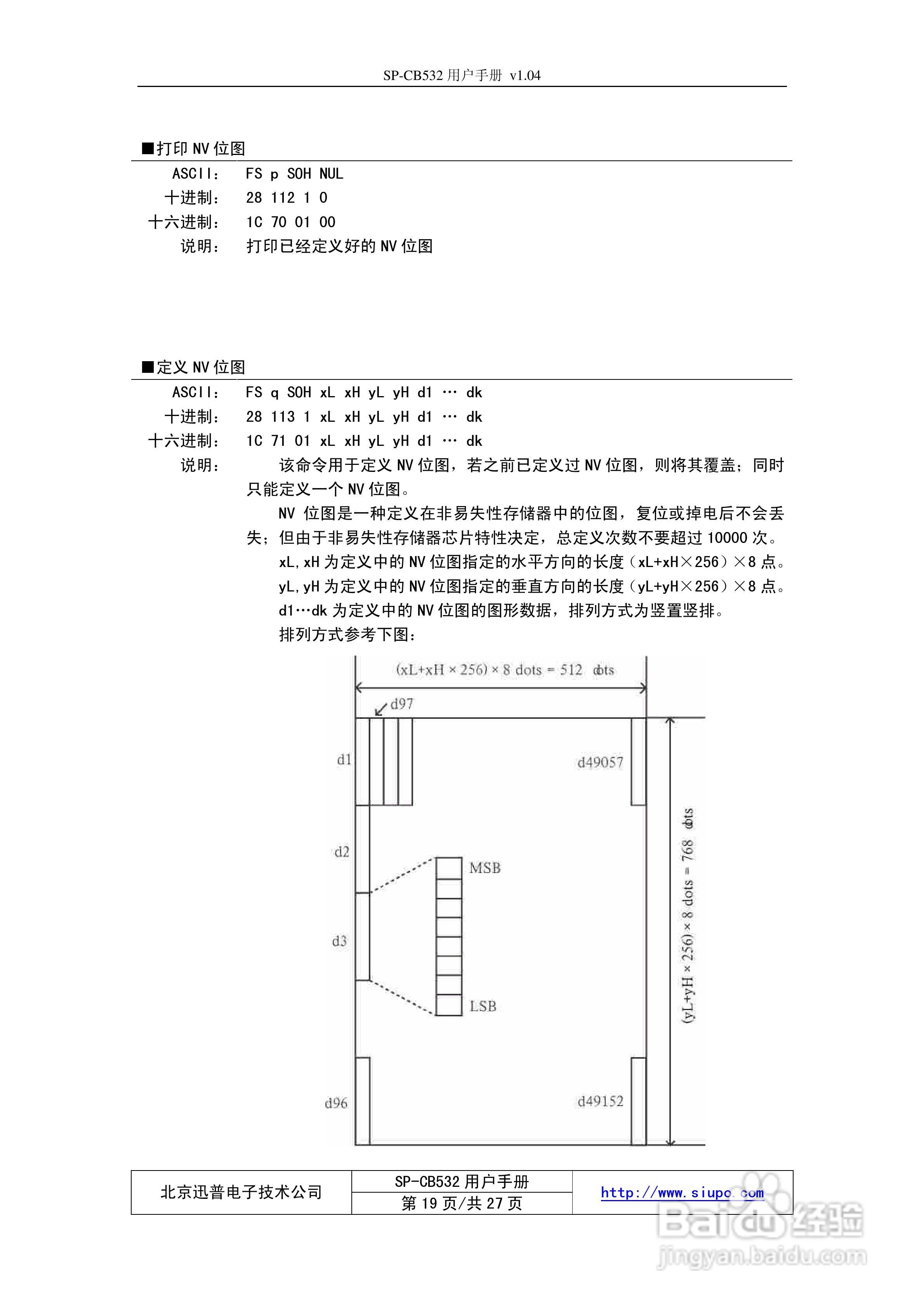
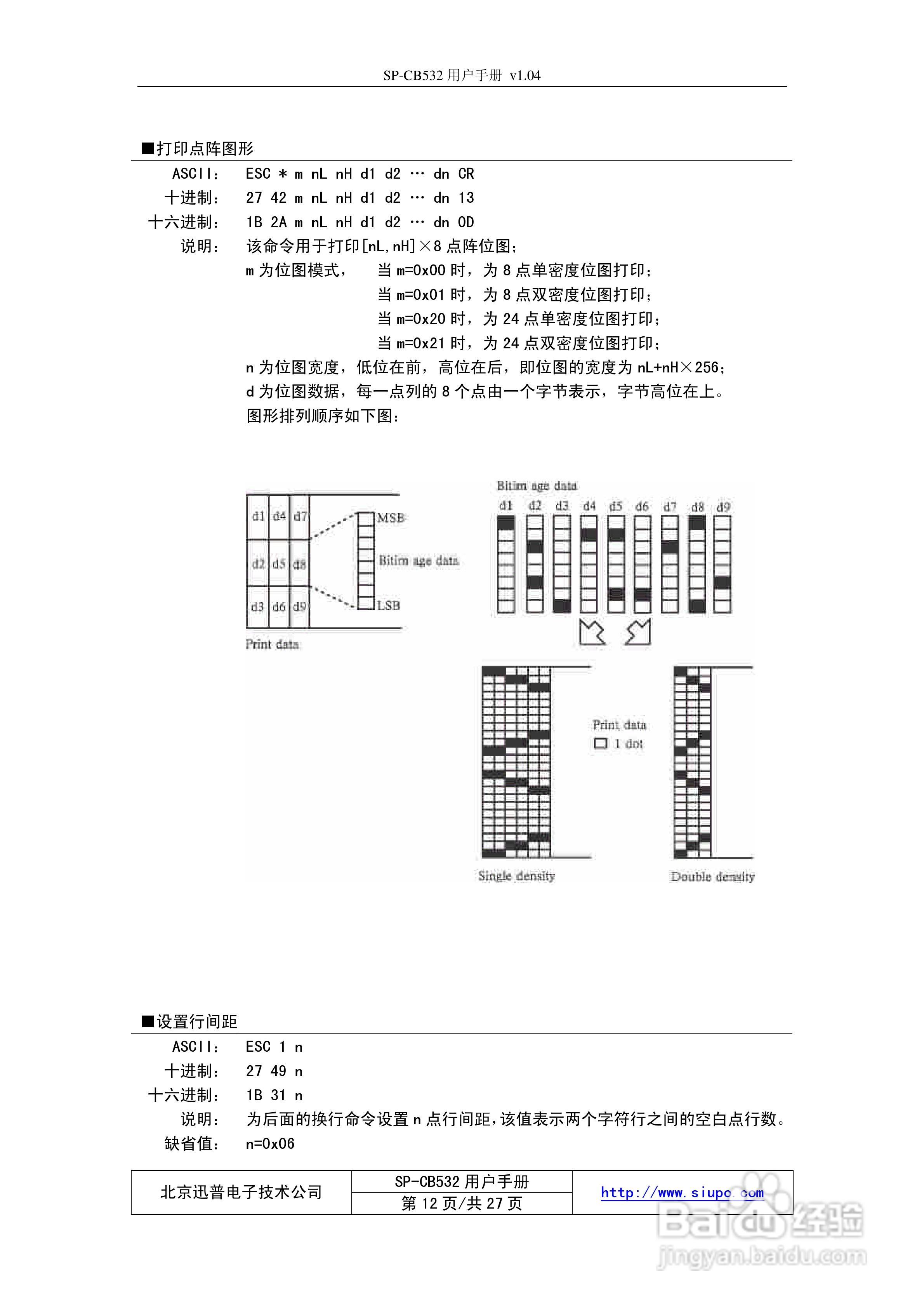
SP-CB532高速热敏打印控制板用户手册:[2]
2026-04-08 19:08:19
本篇为《SP-CB532高速热敏打印控制板用户手册》,主要介绍该产品的使用方法以及常见故障解决方案。
(共篇)
上一篇:
声明:
本网站引用、摘录或转载内容仅供网站访问者交流或参考,不代表本站立场,如存在版权或非法内容,请联系站长删除,联系邮箱:site.kefu@qq.com。
相关推荐
如何更换电压力锅控制板
阅读量:76
全自动三辊闸如何安装,控制板怎么接线
阅读量:94
无线WIFI智能插座控制板方案
阅读量:161
电器控制板电源稳压电路的检修
阅读量:105
微波炉微电脑程序控制板损坏故障维修小经验
阅读量:139
猜你喜欢
琳琅满目是什么意思
性情的意思
hour是什么意思
婚礼上的祝福
娱乐的意思
若有所悟的意思
跳失率是什么意思
double是什么意思
诧异是什么意思
刻骨铭心是什么意思
猜你喜欢
什么被子最暖和
喜出望外的意思是什么
感同身受是什么意思
肃静的意思
机顶盒什么牌子好
骑虎难下的意思
超频是什么意思
渐行渐远的意思
中庭是什么意思
鲁迅 祝福