小度生活
首页
美食营养
手工爱好
生活家居
返回
小度生活
首页
美食营养
游戏数码
手工爱好
生活家居
健康养生
运动户外
职场理财
情感交际
母婴教育
时尚美容
知识问答
生活知识
生活百科
搜索
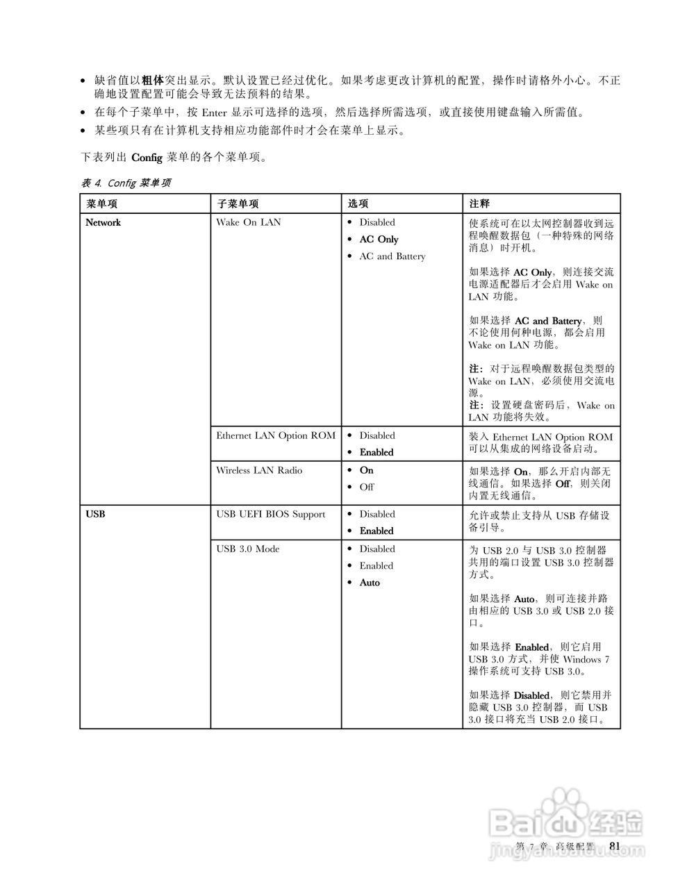
IBM ThinkPad Edge S430笔记本电脑说明书:[10]
2026-03-28 06:26:10
本篇为《IBM ThinkPad Edge S430笔记本电脑说明书》,主要介绍该产品的使用方法以及常见故障解决方案。
(共篇)
上一篇:
声明:
本网站引用、摘录或转载内容仅供网站访问者交流或参考,不代表本站立场,如存在版权或非法内容,请联系站长删除,联系邮箱:site.kefu@qq.com。
相关推荐
IBM(ThinkPad) ThinkPad Edge E430C笔记本电脑说明书:[10]
阅读量:194
IBM(ThinkPad) ThinkPad Edge E425笔记本电脑说明书:[10]
阅读量:138
IBM(ThinkPad) ThinkPad Edge E430C笔记本电脑说明书:[9]
阅读量:30
IBM(ThinkPad) ThinkPad Edge E425笔记本电脑说明书:[3]
阅读量:129
IBM(ThinkPad) ThinkPad Edge E425笔记本电脑说明书:[9]
阅读量:33
猜你喜欢
烟台旅游攻略必去景点
江阴旅游景点
乌海旅游
早孕试纸最早几天可以测出来怀孕
docx怎么打开
孕妇可以睡电热毯吗
孕妇可以喝酸奶
凉拌金针菇的家常做法
日照旅游攻略
微信登陆不了怎么办
猜你喜欢
hdmi线怎么用
江西婺源旅游景点
石花洞景区
美的微波炉怎么样
贵州赤水旅游景点
川西旅游攻略
太原周边旅游景点
衢州旅游
怎么给路由器改密码
昆明周边旅游景点