小度生活
首页
美食营养
手工爱好
生活家居
返回
小度生活
首页
美食营养
游戏数码
手工爱好
生活家居
健康养生
运动户外
职场理财
情感交际
母婴教育
时尚美容
知识问答
生活知识
生活百科
搜索
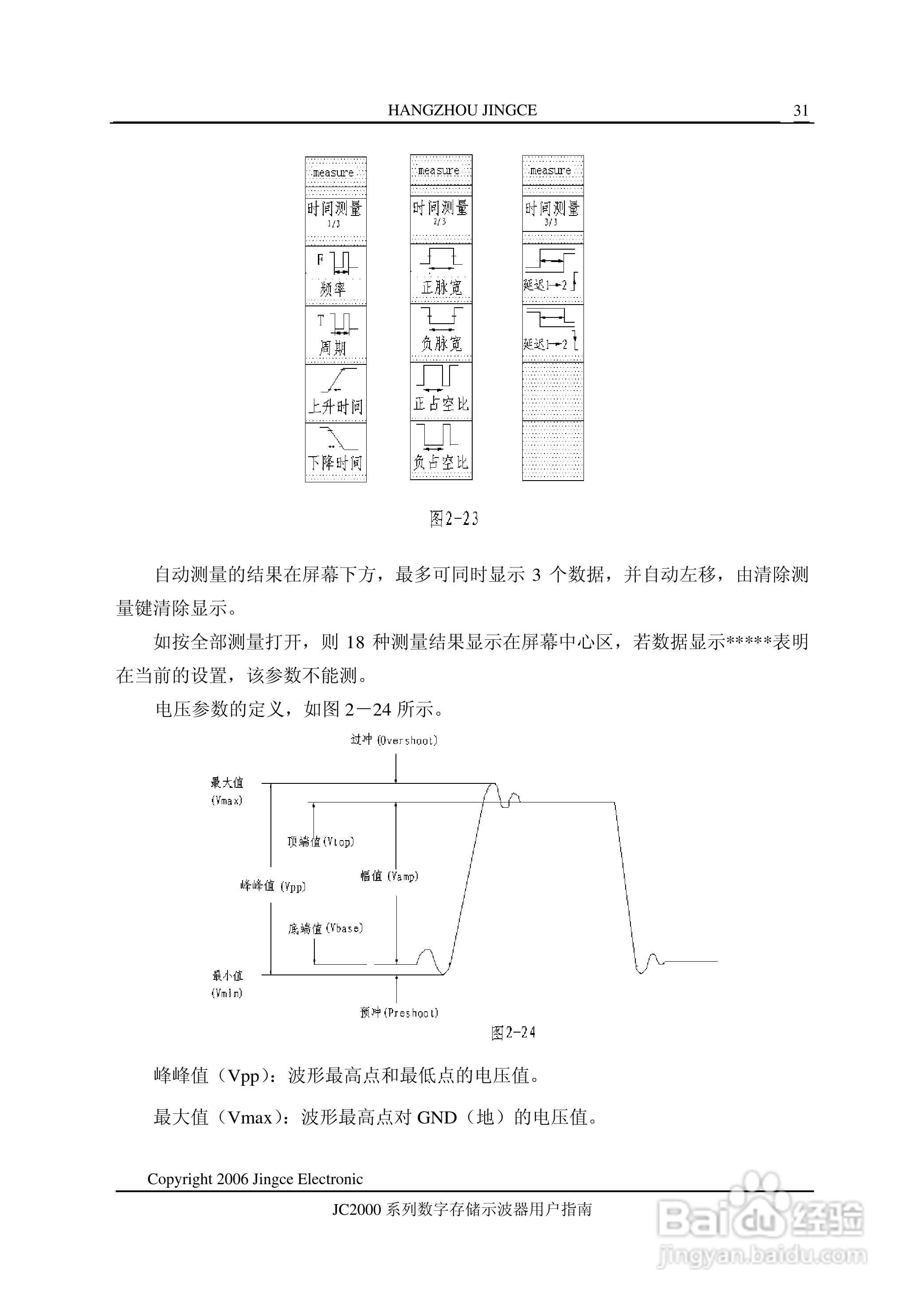
JC2061MA型数字示波器使用说明书:[4]
2026-05-23 08:03:13
本篇为《JC2061MA型数字示波器使用说明书》,主要介绍该产品的使用方法以及常见故障解决方案。
(共篇)
上一篇:
|
下一篇:
声明:
本网站引用、摘录或转载内容仅供网站访问者交流或参考,不代表本站立场,如存在版权或非法内容,请联系站长删除,联系邮箱:site.kefu@qq.com。
相关推荐
JC2061MA型数字示波器使用说明书:[3]
阅读量:35
JC2061CA型数字示波器使用说明书:[5]
阅读量:87
数字示波器使用方法
阅读量:123
JC2061MA型数字示波器使用说明书:[5]
阅读量:21
JC2061MA型数字示波器使用说明书:[1]
阅读量:130
猜你喜欢
什么是适时四驱
汽车保养小知识
口关念什么
备胎什么意思
剪什么发型好看
运动app
运动会入场式表演
麦饭石锅的作用和禁忌
桄榔粉的功效与作用
风衣配什么裤子
猜你喜欢
九年级上册数学知识点
通草的功效与作用
艾叶水的功效与作用
mpv什么意思
历史必修一知识点总结
大学生安全知识竞赛
什么网盘好用
金针菇的功效与作用
三七粉什么时间吃最好
蜂蜜水有什么好处