小度生活
首页
美食营养
手工爱好
生活家居
返回
小度生活
首页
美食营养
游戏数码
手工爱好
生活家居
健康养生
运动户外
职场理财
情感交际
母婴教育
时尚美容
知识问答
生活知识
搜索
三菱 FR-S500E/S520SE变频器使用手册:[4]
2026-01-27 08:11:36
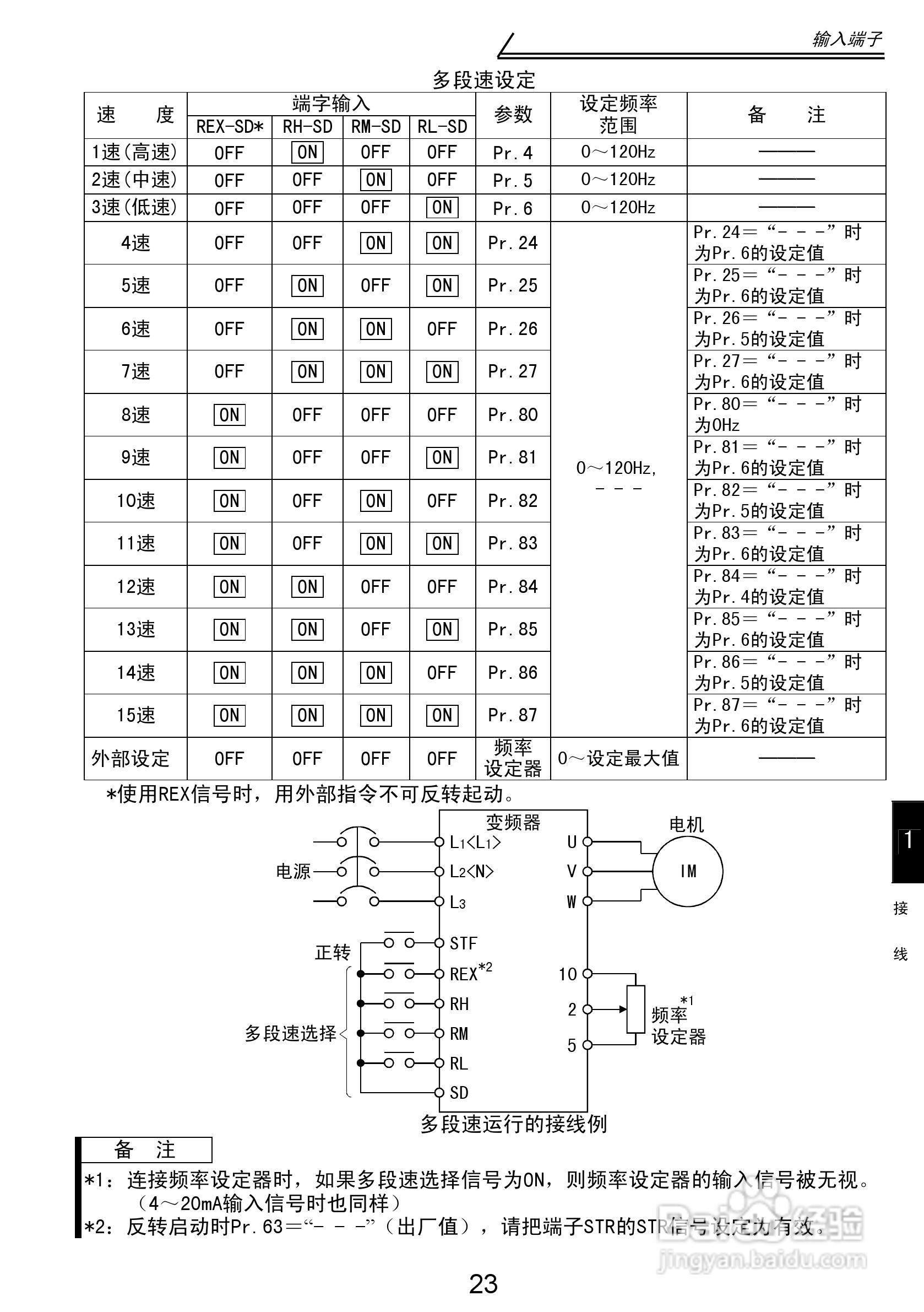
本篇为《三菱 FR-S500E/S520SE变频器使用手册》,主要介绍该产品的使用方法以及常见故障解决方案。
(共篇)
上一篇:
|
下一篇:
声明:
本网站引用、摘录或转载内容仅供网站访问者交流或参考,不代表本站立场,如存在版权或非法内容,请联系站长删除,联系邮箱:site.kefu@qq.com。
相关推荐
排骨薏米莲子汤制作
阅读量:111
最香辣椒油的至尊制作方法
阅读量:170
美国商业地产如何投资?
阅读量:116
万王之王3D设置为离线状态,怎么隐身?
阅读量:96
白萝卜猪蹄汤
阅读量:86
猜你喜欢
电商是什么意思
考研究生需要什么条件
pc机是什么
挖墙脚是什么意思
康乃馨花语代表什么
asics是什么牌子
windy是什么意思
亡者归来的真相是什么
tr90是什么材质
知网是什么
猜你喜欢
has是什么意思
世界上有什么花
爸爸妈妈去上班我去幼儿园是什么歌
咳血是什么原因引起的
陈世美是什么样的人
鳞癌是什么意思
随遇而安是什么意思
什么是仙人跳
arc是什么意思
自由基是什么