小度生活
首页
美食营养
手工爱好
生活家居
返回
小度生活
首页
美食营养
游戏数码
手工爱好
生活家居
健康养生
运动户外
职场理财
情感交际
母婴教育
时尚美容
知识问答
生活知识
搜索
Winbond W78E516B 8位微控制器说明书:[2]
2025-12-29 10:49:55
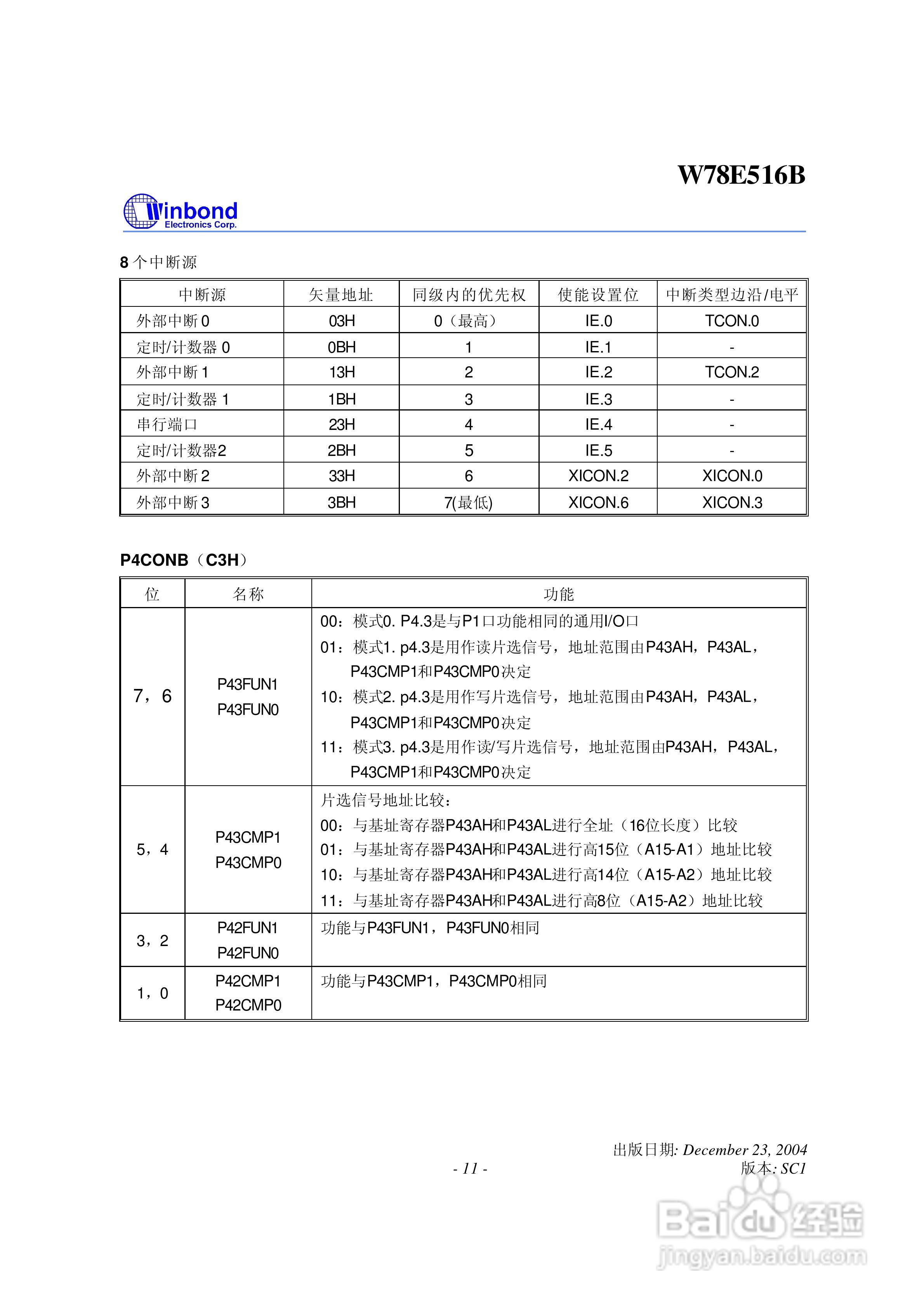
本篇为《Winbond W78E516B 8位微控制器说明书》,主要介绍该产品的使用方法以及常见故障解决方案。
(共篇)
上一篇:
|
下一篇:
声明:
本网站引用、摘录或转载内容仅供网站访问者交流或参考,不代表本站立场,如存在版权或非法内容,请联系站长删除,联系邮箱:site.kefu@qq.com。
相关推荐
Winbond W78E516B 8位微控制器说明书:[1]
阅读量:44
8位无保qq怎么上保
阅读量:121
Winbond W78E516B 8位微控制器说明书:[3]
阅读量:170
Winbond W78E365 8位微控制器说明书:[2]
阅读量:83
Winbond W78E365 8位微控制器说明书:[3]
阅读量:31
猜你喜欢
什么叫动车组
耻辱的意思
upon是什么意思
今天有什么电影上映
司法证有什么用
发愤图强的意思
一级建造师证书什么时候领取
超神是什么意思
好逸恶劳的意思
考试顺利的祝福语8个字
猜你喜欢
英文生日祝福语
两小无猜的意思
一筹莫展是什么意思
什么系统玩游戏好
什么叫年线
明信片祝福语
不毛之地的毛是什么意思
现在学什么技术赚钱
perfect是什么意思
供养不周的意思