小度生活
首页
美食营养
手工爱好
生活家居
返回
小度生活
首页
美食营养
游戏数码
手工爱好
生活家居
健康养生
运动户外
职场理财
情感交际
母婴教育
时尚美容
知识问答
生活知识
搜索
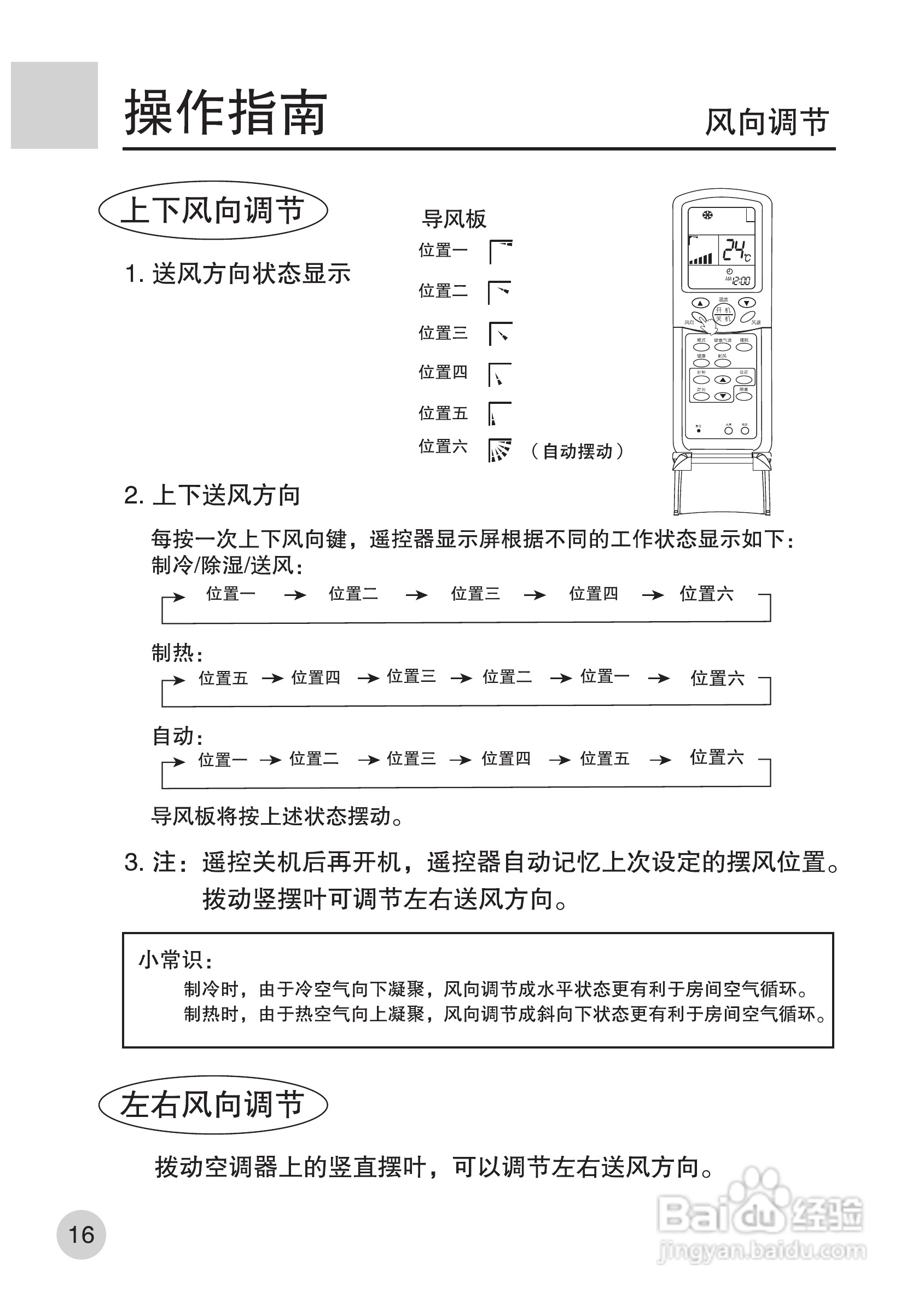
海尔KFR-35GW/HG(ZXF)空调使用说明书:[2]
2025-10-11 21:56:37
(共篇)
上一篇:
|
下一篇:
声明:
本网站引用、摘录或转载内容仅供网站访问者交流或参考,不代表本站立场,如存在版权或非法内容,请联系站长删除,联系邮箱:site.kefu@qq.com。
相关推荐
有利于减脂的食物有哪些?
阅读量:144
微商贷对个人征信有影响吗?申请要满足哪些条件
阅读量:80
留学挂科指南,不能补考毕业怎么办?
阅读量:190
企业上市改制中无形资产如何评估
阅读量:108
imac买21寸好还是27寸好
阅读量:135
猜你喜欢
履约保函是什么意思
配眼镜什么镜片好
srs是什么意思
斩钉截铁的截是什么意思
asshole什么意思
渴望什么的作文
过桥资金是什么意思
气宇轩昂的意思
最大扭矩是什么意思
什么是arp欺骗
猜你喜欢
daring什么意思
qy是什么意思
什么主板好
天蓝色配什么颜色
多行不义必自毙的意思
什么是鸡肋
什么叫供给侧改革
滞销什么意思
什么是小正太
刀枪不入的意思