小度生活
首页
美食营养
手工爱好
生活家居
返回
小度生活
首页
美食营养
游戏数码
手工爱好
生活家居
健康养生
运动户外
职场理财
情感交际
母婴教育
时尚美容
知识问答
生活知识
生活百科
搜索
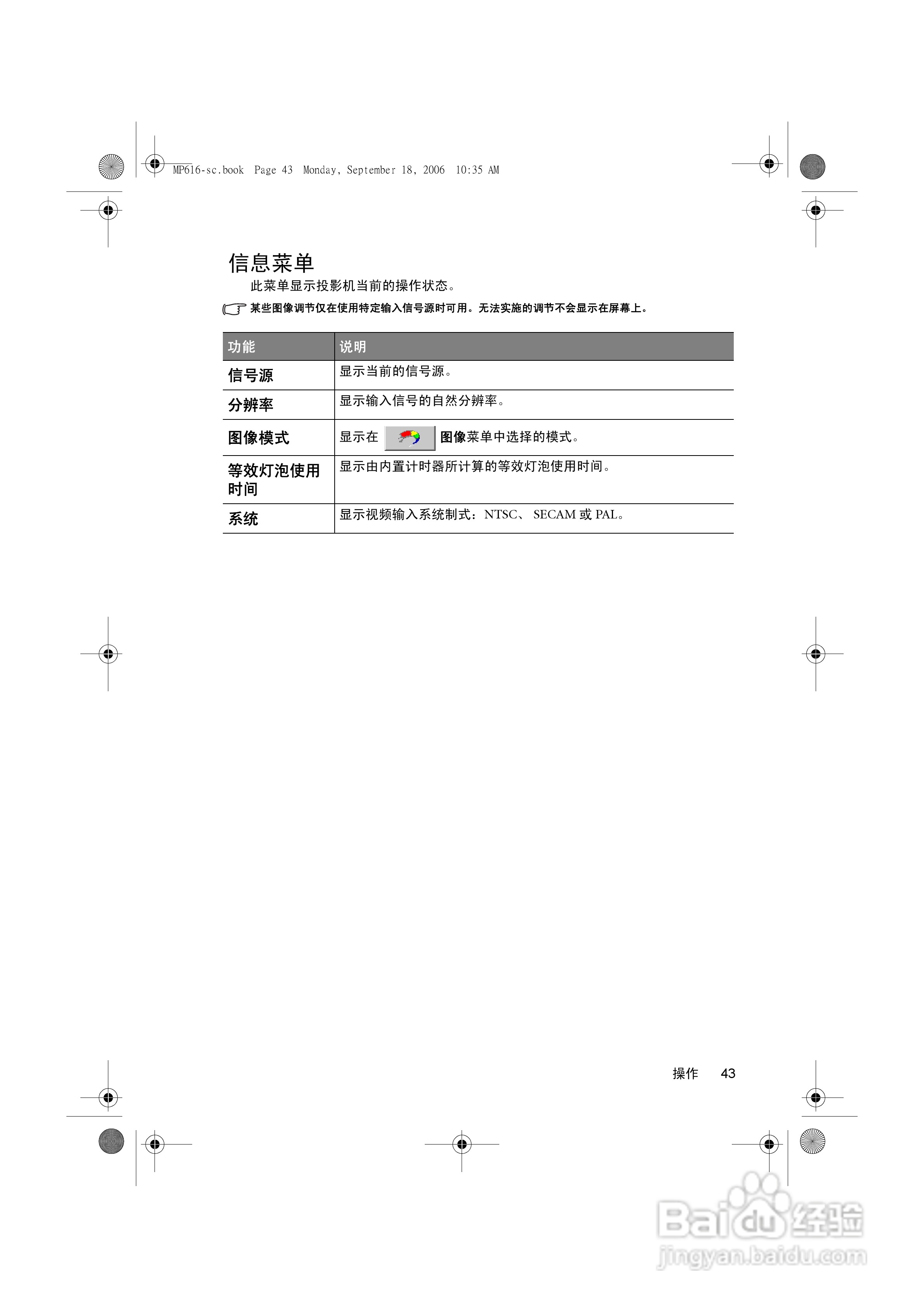
明基MP611投影仪使用说明书:[5]
2026-03-25 18:38:14
本篇为《明基MP611投影仪使用说明书》,主要介绍该产品的使用方法以及常见故障解决方案。
(共篇)
上一篇:
|
下一篇:
声明:
本网站引用、摘录或转载内容仅供网站访问者交流或参考,不代表本站立场,如存在版权或非法内容,请联系站长删除,联系邮箱:site.kefu@qq.com。
相关推荐
明基MP611投影仪使用说明书:[3]
阅读量:106
明基MP512投影仪使用说明书:[5]
阅读量:71
明基MP622投影仪使用说明书:[5]
阅读量:186
投影仪怎么连接电脑
阅读量:60
投影仪怎么连接手机
阅读量:108
猜你喜欢
不可理喻是什么意思
五音不全适合唱什么歌
同等学历是什么意思
一日千里的意思
一句美好的祝福语
小米手环支持什么手机
涅磐是什么意思
芙蓉楼送辛渐意思
三羊开泰是什么意思
有什么日本动漫好看
猜你喜欢
委托书怎么写什么格式
bra是什么意思中文
什么月饼好吃
落幕的意思
苹果七什么时候上市
惠崇春江晓景的诗意思
什么是命令提示符
阳春白雪是什么意思
群p是什么意思
千钧一发的钧是什么意思