小度生活
首页
美食营养
手工爱好
生活家居
返回
小度生活
首页
美食营养
游戏数码
手工爱好
生活家居
健康养生
运动户外
职场理财
情感交际
母婴教育
时尚美容
知识问答
生活知识
生活百科
搜索
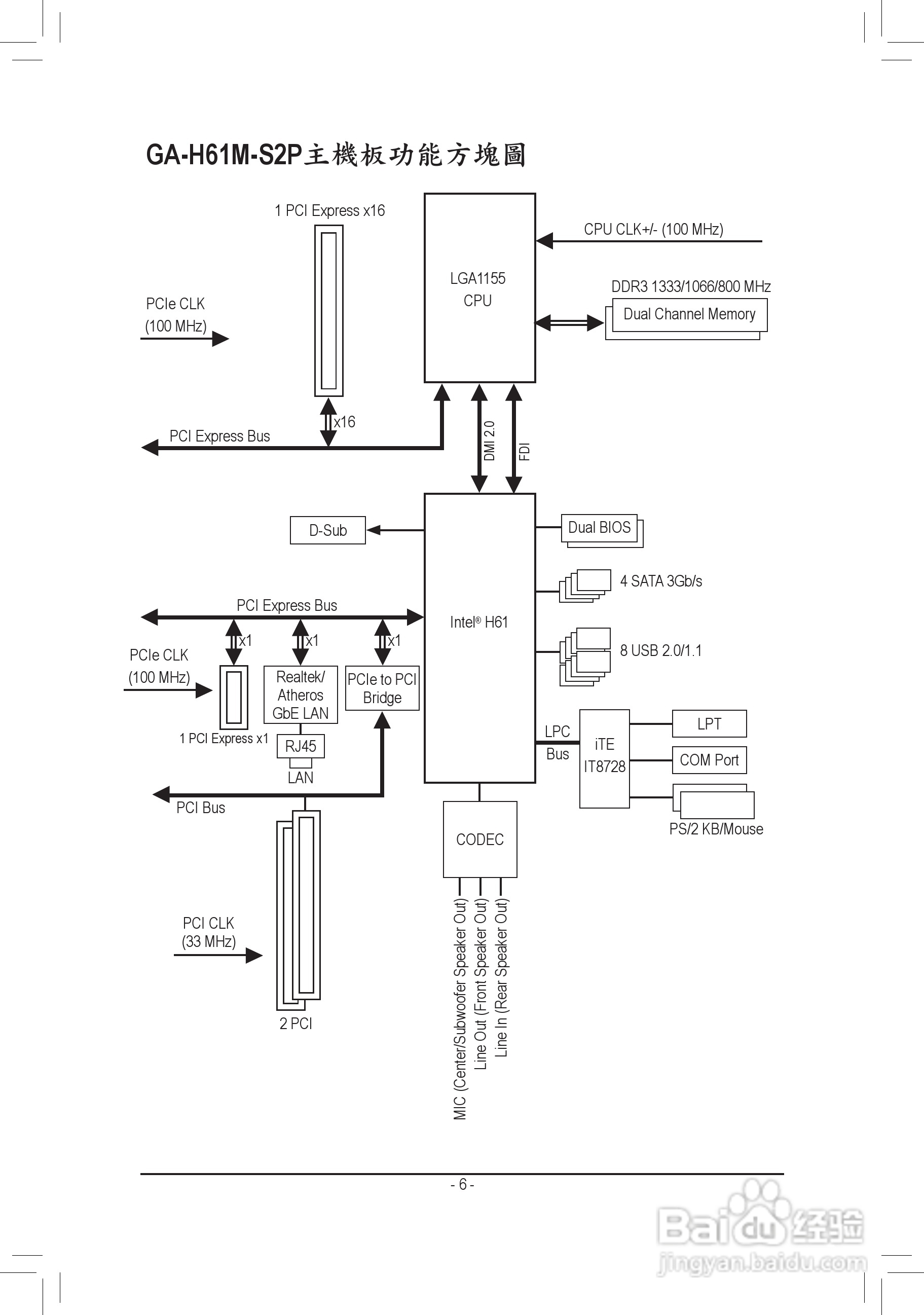
技嘉GA-H61M-S2P主板使用手冊:[1]
2026-03-28 06:22:39
本篇为《技嘉GA-H61M-S2P主板使用手冊》,主要介绍该产品的使用方法以及常见故障解决方案。
(共篇)
下一篇:
声明:
本网站引用、摘录或转载内容仅供网站访问者交流或参考,不代表本站立场,如存在版权或非法内容,请联系站长删除,联系邮箱:site.kefu@qq.com。
相关推荐
win10哪个版本打游戏好
阅读量:107
如何快速找到旧版本的显卡驱动
阅读量:114
如何查看BIOS版本信息
阅读量:104
如何查看主板南桥温度
阅读量:83
怎么关闭显卡共享内存
阅读量:125
猜你喜欢
水门事件是怎么回事
自卑怎么办
范雎怎么读
微信怎么加好友
政治面貌怎么写
怎么找回qq聊天记录
抽筋怎么办
学士服怎么穿
睢怎么读
周记的格式怎么写
猜你喜欢
日均存款怎么算
左肋下疼痛是怎么回事
乙字五笔怎么打
黄痰是怎么回事
水银温度计怎么看图解
qq被盗号了怎么办
vlookup怎么用
呼叫等待怎么设置
泰拉瑞亚猪鲨怎么打
信用卡利息怎么算