配变自动化控制装置的工作原理
配变自动化控制装置最早是由南 德 电 气 最新研发生产的三相不平衡调节产品
主要用于低压配电用户侧,治理三相电流不平衡,相电压偏低和补偿无功,优化电能质量。NAD系列三相不平衡调节装置SPC产品规格覆盖50A/35kvar, 75A/50kvar,100A/75kvar,150A/100kvar。可同时补偿三相不平衡电流和无功,实现连续、动态补偿。

工具/原料
配变自动化控制装置
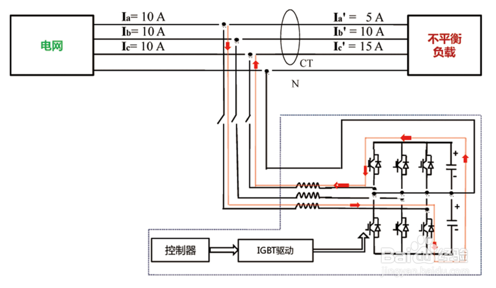
三相不平衡补偿原理
NAD系列配变自动化控制装置开启后,通过外接电流互感器(CT)实时检测系统电流,并将系统电流信息发送给内部控制器进行处理分析,以判断系统是否处于不平衡状态,同时计算出达到平衡状态时各相所需转换的电流值,然后将信号发送给内部IGBT并驱动其动作,将不平衡电流从电流大的相转移到电流小的相,最后达到三相平衡状态。

无功补偿原理
NAD系列配变自动化控制装置开启后通过外部电流互感器(CT),实时检测负载电流,并通过内部DSP计算来分析负载电流的无功含量,然后根据设置值来控制PWM信号发生器发出控制信号给内部IGBT使逆变器产生满足要求的无功补偿电流,最终实现动态无功补偿的目的。

现场安装方式
现场的安装方式包括F杆、H杆和户外落地式

系统参数

性能指标

通讯监控能力

机械特性

环境要求

声明:本网站引用、摘录或转载内容仅供网站访问者交流或参考,不代表本站立场,如存在版权或非法内容,请联系站长删除,联系邮箱:site.kefu@qq.com。
阅读量:185
阅读量:138
阅读量:94
阅读量:176
阅读量:130