小度生活
首页
美食营养
手工爱好
生活家居
返回
小度生活
首页
美食营养
游戏数码
手工爱好
生活家居
健康养生
运动户外
职场理财
情感交际
母婴教育
时尚美容
知识问答
生活知识
搜索
傲拓NA400可编程控制器硬件手册V1.8:[17]
2025-10-24 18:31:41
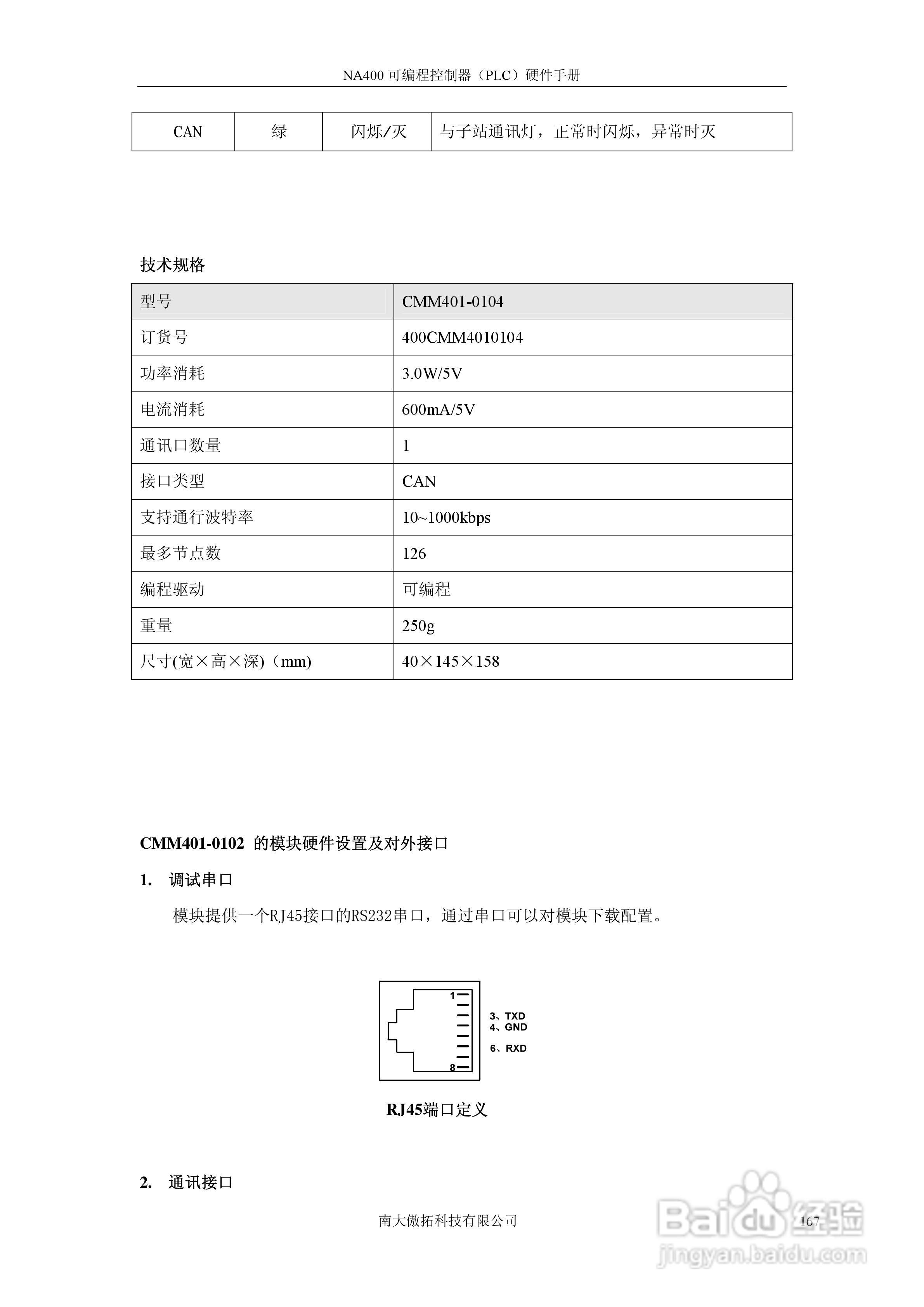
本篇为《傲拓NA400可编程控制器硬件手册V1.8》,主要介绍该产品的使用方法以及常见故障解决方案。
(共篇)
上一篇:
|
下一篇:
声明:
本网站引用、摘录或转载内容仅供网站访问者交流或参考,不代表本站立场,如存在版权或非法内容,请联系站长删除,联系邮箱:site.kefu@qq.com。
相关推荐
傲拓NA400可编程控制器硬件手册V1.8:[16]
阅读量:68
傲拓NA400可编程控制器硬件手册V1.8:[15]
阅读量:102
可编程控制器的硬件系统组成
阅读量:186
傲拓NA400可编程控制器硬件手册V1.8:[12]
阅读量:118
傲拓NA400可编程控制器硬件手册V1.8:[14]
阅读量:114
猜你喜欢
2020年属什么生肖
肠胃炎有什么症状
苹果公开版什么意思
血小板偏高有什么危害
什么洗发水好用
1955年属什么生肖
耿耿于怀是什么意思
淘宝账号是什么
什么是绩效工资
silly是什么意思
猜你喜欢
结婚需要什么证件
龙涎香是什么东西
百合花什么时候开花
务实是什么意思
征集志愿是什么
什么的笑容
厅级干部是什么级别
i miss you什么意思
美国有什么特产
sandro是什么牌子