小度生活
首页
美食营养
手工爱好
生活家居
返回
小度生活
首页
美食营养
游戏数码
手工爱好
生活家居
健康养生
运动户外
职场理财
情感交际
母婴教育
时尚美容
知识问答
生活知识
搜索
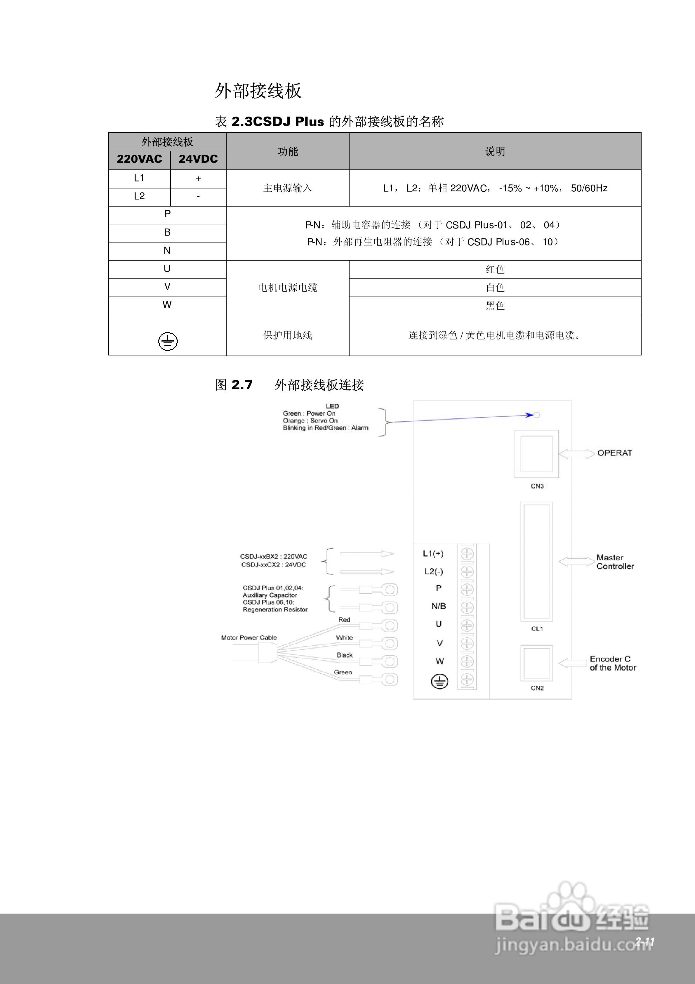
OEMax CSDJPlus伺服驱动器用户手册:[4]
2025-09-30 17:45:46
本篇为《OEMax CSDJPlus伺服驱动器用户手册》,主要介绍该产品的使用方法以及常见故障解决方案。
(共篇)
上一篇:
|
下一篇:
声明:
本网站引用、摘录或转载内容仅供网站访问者交流或参考,不代表本站立场,如存在版权或非法内容,请联系站长删除,联系邮箱:site.kefu@qq.com。
相关推荐
OEMax CSDJPlus伺服驱动器用户手册:[24]
阅读量:81
OEMax CSDJPlus伺服驱动器用户手册:[18]
阅读量:27
伺服驱动器的七个常见故障及其检修
阅读量:72
OEMax CSDJPlus伺服驱动器用户手册:[21]
阅读量:86
OEMax CSDJPlus伺服驱动器用户手册:[16]
阅读量:23
猜你喜欢
什么掌不能拍
pdb文件用什么打开
什么路由器最好
什么是完税价格
突如其来的意思
云南白药胶囊的作用
心宽体胖什么意思
什么是纯循环小数
乳液的作用
呆呆念什么
猜你喜欢
画蛇添足的意思
什么是第三方软件
牛黄安宫丸的功效与作用
心不在焉的意思
久负盛名的意思
鸿门宴是什么意思
书籍好比什么它能什么
点映是什么意思
普惠金融什么意思
手机什么游戏好玩