小度生活
首页
美食营养
手工爱好
生活家居
返回
小度生活
首页
美食营养
游戏数码
手工爱好
生活家居
健康养生
运动户外
职场理财
情感交际
母婴教育
时尚美容
知识问答
生活知识
生活百科
搜索
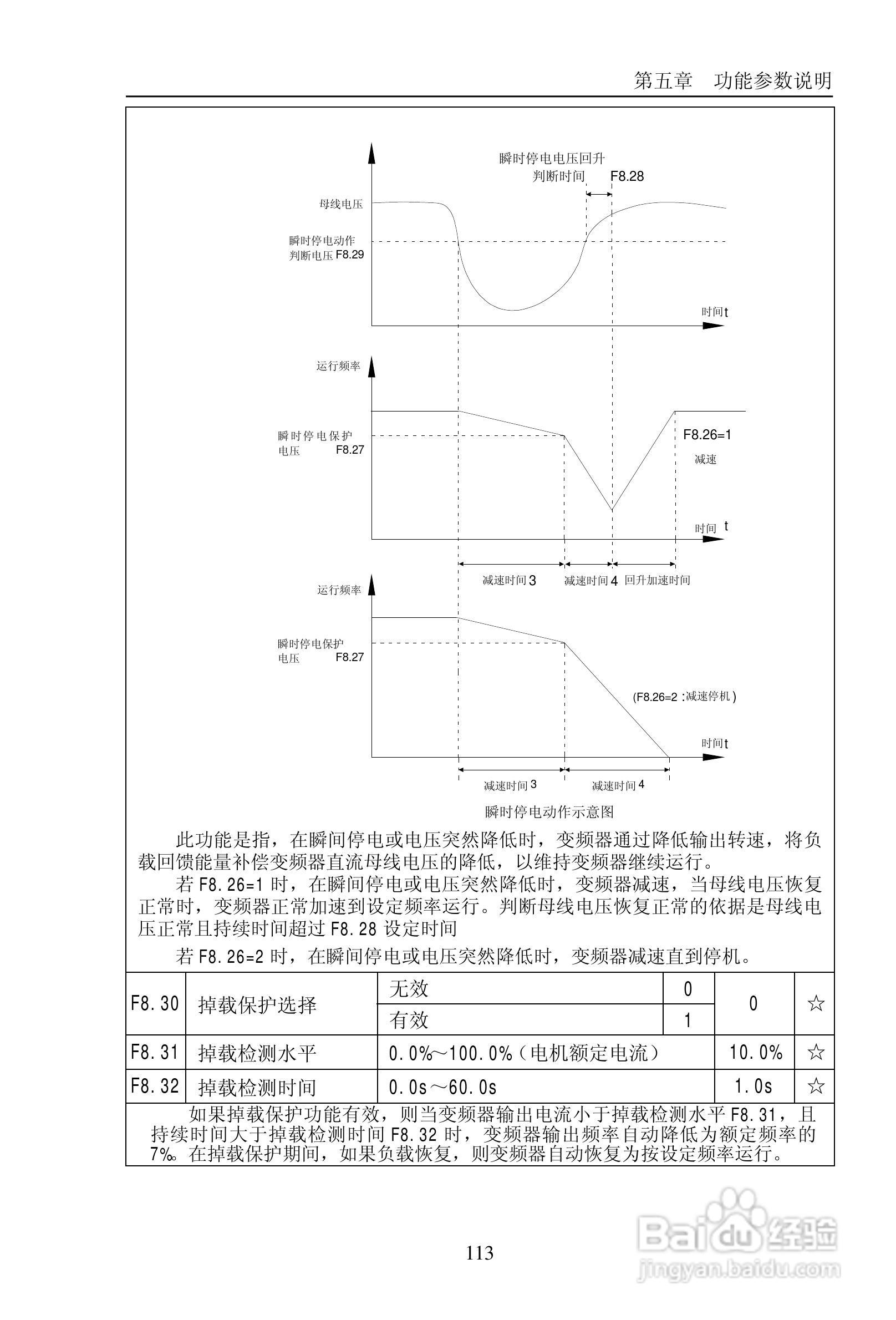
普传PI9200-075G2变频器使用说明书:[12]
2026-03-25 14:36:02
本篇为《普传PI9200-075G2变频器使用说明书》,主要介绍该产品的使用方法以及常见故障解决方案。
(共篇)
上一篇:
|
下一篇:
声明:
本网站引用、摘录或转载内容仅供网站访问者交流或参考,不代表本站立场,如存在版权或非法内容,请联系站长删除,联系邮箱:site.kefu@qq.com。
相关推荐
普传PI9200-075G2变频器使用说明书:[11]
阅读量:148
普传PI9200-075G2变频器使用说明书:[15]
阅读量:67
使用说明书wf2651使用指南
阅读量:106
使用说明书封面怎么做
阅读量:71
普传PI9200-075G2变频器使用说明书:[16]
阅读量:84
猜你喜欢
jeans怎么读
苹果手机掉水里怎么处理
牙龈出血怎么办
胃疼怎么办简单的方法
芸豆怎么做好吃
申通快递怎么样
小说大纲怎么写
qq怎么申请账号
苹果电脑怎么样
排卵期出血怎么办
猜你喜欢
惠普打印机怎么用
船怎么折
怎么文爱
溶洞是怎么形成的
win10怎么取消开机密码
论文引用怎么标注
万力轮胎怎么样
宝宝晚上睡觉不踏实哭闹怎么回事
羊奶粉怎么样
杨梅怎么洗