小度生活
首页
美食营养
手工爱好
生活家居
返回
小度生活
首页
美食营养
游戏数码
手工爱好
生活家居
健康养生
运动户外
职场理财
情感交际
母婴教育
时尚美容
知识问答
生活知识
搜索
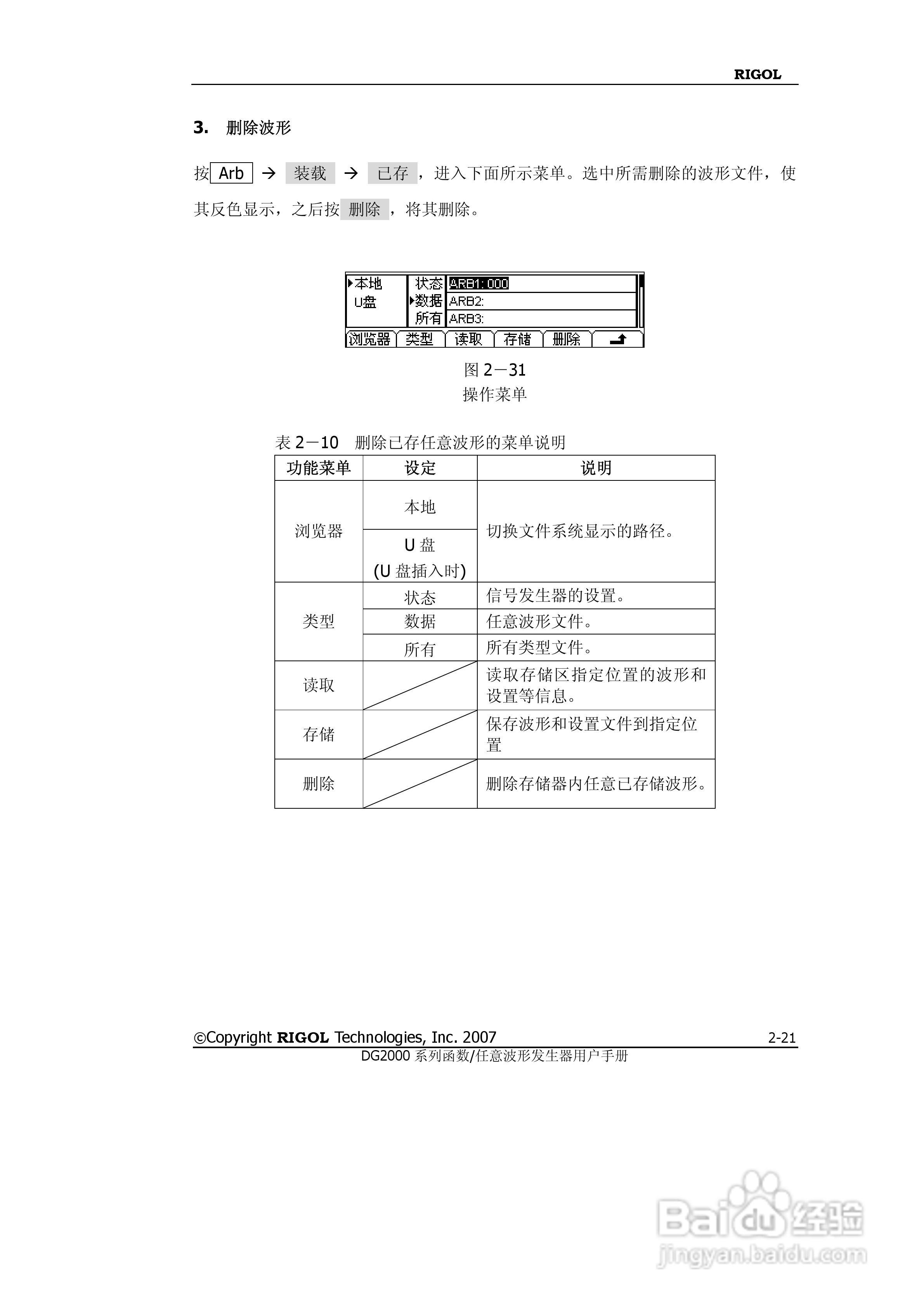
RIGOL函数任意波形发生器DG2000用户手册:[5]
2026-03-23 06:05:28
本篇为《RIGOL函数任意波形发生器DG2000用户手册》,主要介绍该产品的使用方法以及常见故障解决方案。
(共篇)
上一篇:
|
下一篇:
声明:
本网站引用、摘录或转载内容仅供网站访问者交流或参考,不代表本站立场,如存在版权或非法内容,请联系站长删除,联系邮箱:site.kefu@qq.com。
相关推荐
RIGOL函数任意波形发生器DG2000用户手册:[8]
阅读量:104
RIGOL函数任意波形发生器DG2000用户手册:[14]
阅读量:114
RIGOL函数任意波形发生器DG2000用户手册:[10]
阅读量:171
RIGOL函数任意波形发生器DG2000用户手册:[16]
阅读量:136
RIGOL函数任意波形发生器DG2000用户手册:[11]
阅读量:60
猜你喜欢
登录路由器
发朋友圈的晚安句子
苏州旅游公司
怎么查档案在哪里
ps如何瘦脸
如何修身养性
如何提高新陈代谢
如何写入党申请书
淘宝积分在哪里看
女人气虚怎么调理
猜你喜欢
u盘不显示怎么办
哈弗h6发动机怎么样
饥荒食人花怎么养
如何去水印
imovie怎么用
tcl的电视怎么样
如何自学日语
网件路由器
电脑怎么加开机密码
可可托海在新疆哪里