小度生活
首页
美食营养
手工爱好
生活家居
返回
小度生活
首页
美食营养
游戏数码
手工爱好
生活家居
健康养生
运动户外
职场理财
情感交际
母婴教育
时尚美容
知识问答
生活知识
生活百科
搜索
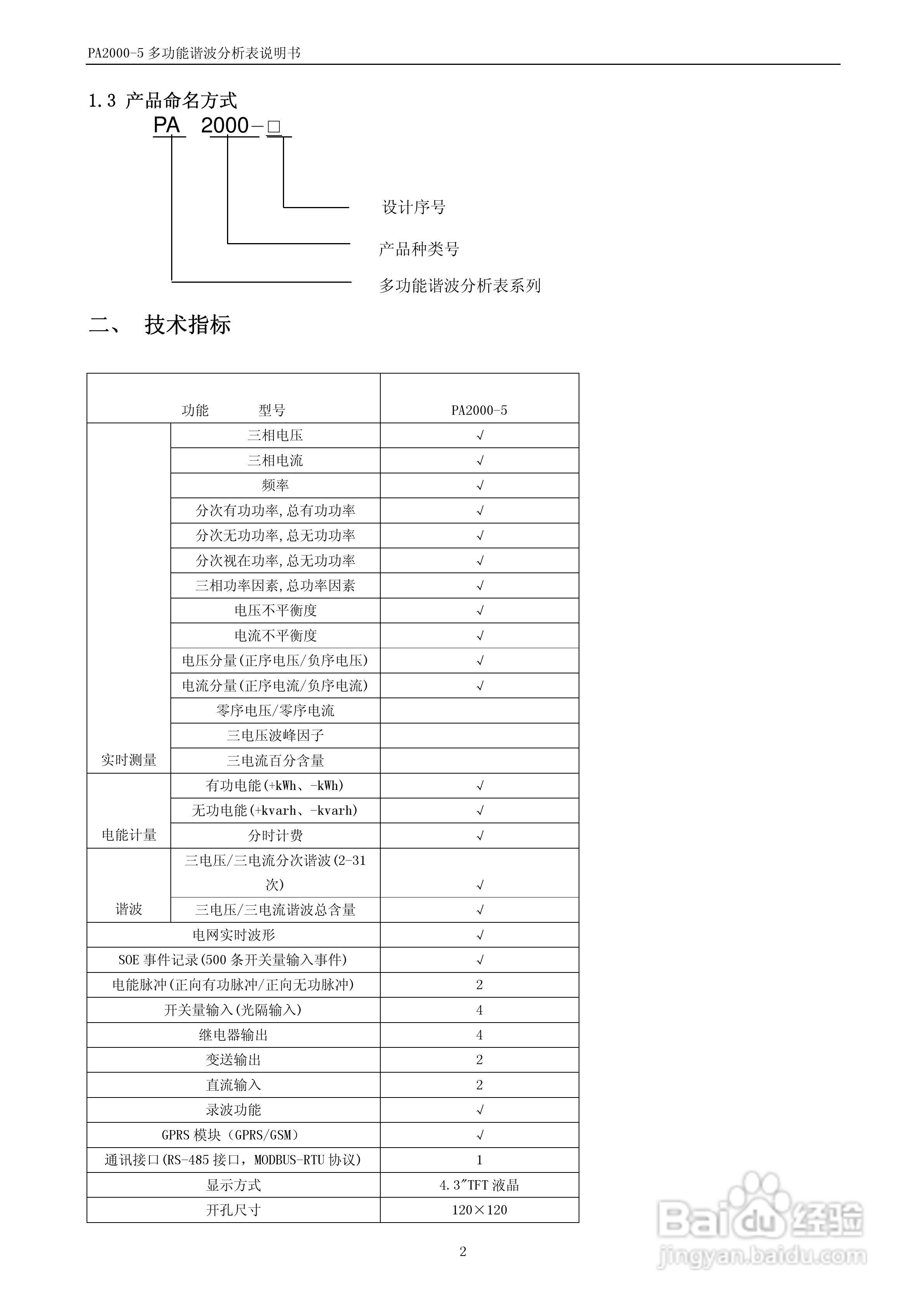
PA2000-5多功能谐波分析表用户手册:[1]
2026-03-29 02:56:16
本篇为《PA2000-5多功能谐波分析表用户手册》,主要介绍该产品的使用方法以及常见故障解决方案。
(共篇)
下一篇:
声明:
本网站引用、摘录或转载内容仅供网站访问者交流或参考,不代表本站立场,如存在版权或非法内容,请联系站长删除,联系邮箱:site.kefu@qq.com。
相关推荐
谐波保护器参数:[1]谐波保护器技术参数
阅读量:193
如何选择谐波治理方案?
阅读量:171
谐波的定义及测试方法
阅读量:127
谐波治理及无功补偿
阅读量:171
如何解决电源谐波
阅读量:126
猜你喜欢
犀利的意思是什么
below什么意思
协议离婚需要什么手续
小肠气是什么
射手座和什么座最配
两弹一星是什么
有教无类是什么意思
什么叫双开
担保费计入什么科目
左下腹部是什么器官
猜你喜欢
撸啊撸是什么意思
二八定律是什么意思
bt种子是什么
p2c是什么意思
文竹的养殖方法和注意事项
吃维c有什么好处
天干地支是什么
哀莫大于心死什么意思
指纹锁什么牌子好
e-mail是什么意思