小度生活
首页
美食营养
手工爱好
生活家居
返回
小度生活
首页
美食营养
游戏数码
手工爱好
生活家居
健康养生
运动户外
职场理财
情感交际
母婴教育
时尚美容
知识问答
生活知识
搜索
CMA7电动操作机构使用说明书:[1]
2025-10-29 13:26:12
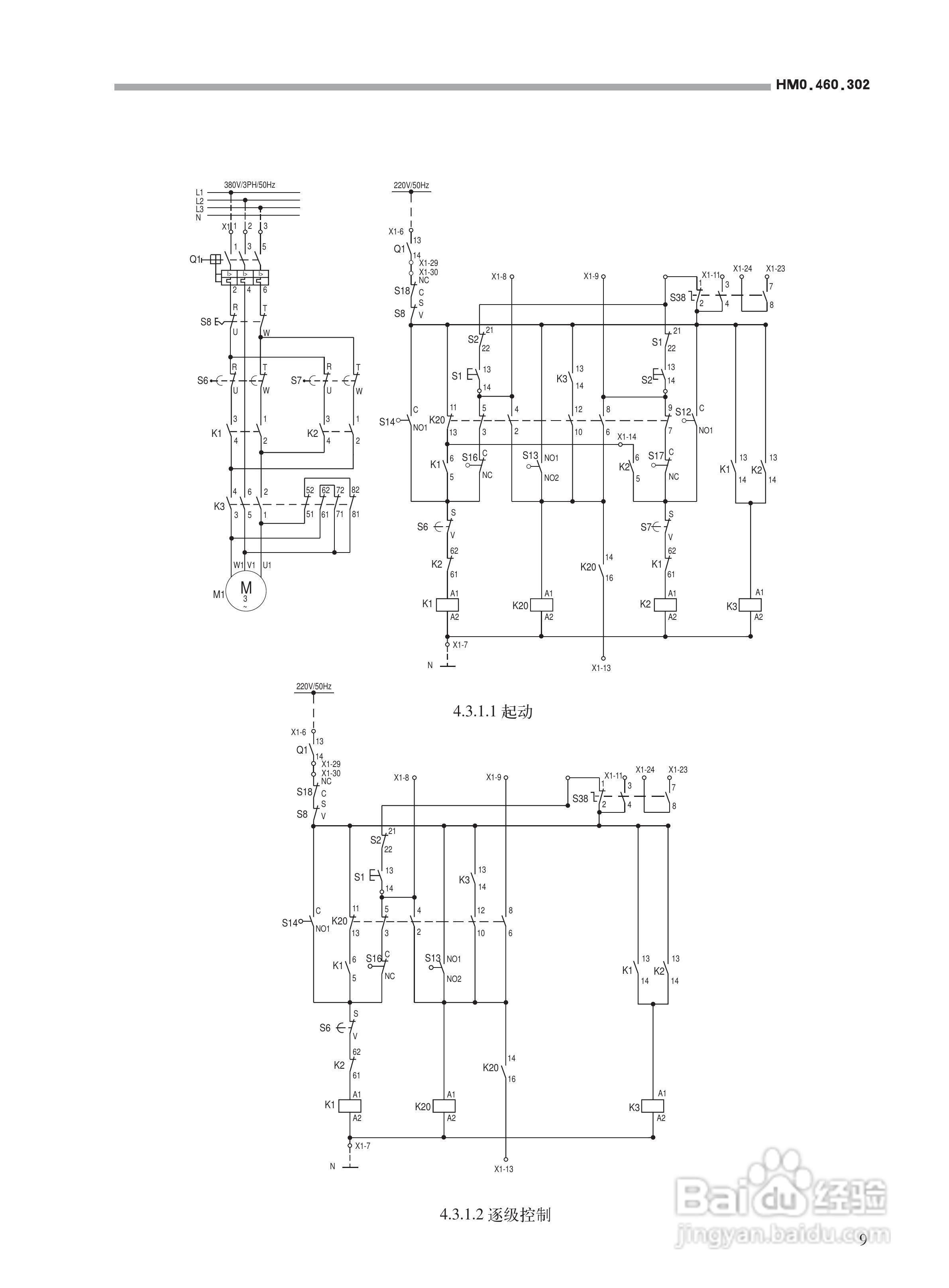
本篇为《CMA7电动操作机构使用说明书》,主要介绍该产品的使用方法以及常见故障解决方案。
(共篇)
下一篇:
声明:
本网站引用、摘录或转载内容仅供网站访问者交流或参考,不代表本站立场,如存在版权或非法内容,请联系站长删除,联系邮箱:site.kefu@qq.com。
相关推荐
Measurement Studio系统解决方案
阅读量:43
VISA系列描述属性
阅读量:132
如何查看LGT单片机工程文件中的IO配置
阅读量:44
wincc flexible整型输入输出IO域之创建变量
阅读量:90
怎样让v3驱动安装在xp系统上
阅读量:192
猜你喜欢
4g和3g有什么区别
quality是什么意思
曾经沧海难为水除却巫山不是云是什么意思
施舍是什么意思
一叶障目不见泰山的意思
夜书所见的书什么意思
朋友祝福词
过河卒子的意思
spv是什么意思
north是什么意思
猜你喜欢
5到8万买什么车好
闺蜜生日贺卡祝福语
1996年发生了什么大事
股票现手是什么意思
output是什么意思
female是什么意思
秋季喝什么茶好
射是什么意思
1118是什么意思
灰心丧气是什么意思