常用柜内变频器简介
1、SEW变频器接线图(图纸如下)分析(变频器为MOVIDRIVE MDX60B/61B系列):
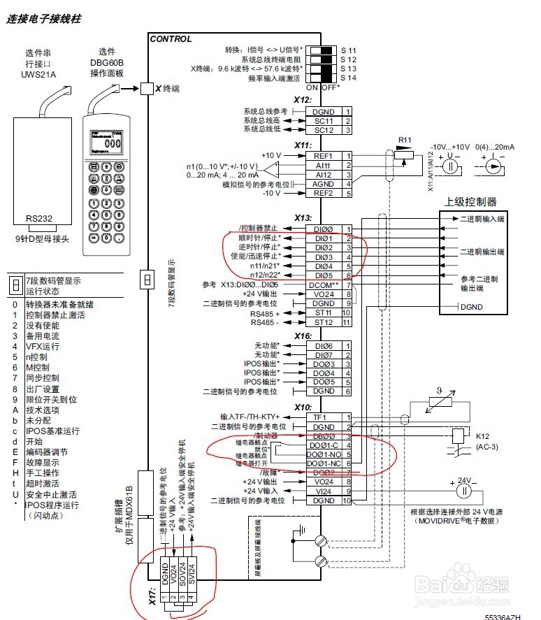
X1的端子排分别对应接的三相电进线端(1,2,3号端子对应接的三相电源线外加地线),接到X1端子上面分出去两根电源线是给整流模块然后来控制电机的抱闸模块;
X2的端子排分别对应接的三相电出线端到电机(4,5,6号端子对应接的电机的三相电源端子外加地线);
X13端子排是变频器的输入信号端口,上面的1到6号端子是变频器的输入信号端子(但是得接PLC的输出信号,下图没接因为可以通讯调电机运转不需要外部给信号点来控制),7和9号端子接的0V与输出信号端子形成回路,产生信号;
X12端子排是变频器的输出信号端口,3号端口接的使能信号,9和10号端口分别对应的24V和0V供给输出端子排(变频器的输出端子信号要对应接PLC的输入信号);
X17端子排是变频器的安全停止信号端子排;
下图中的EN1和EN2线号的端口是变频器的网络端口负责通讯的;
X3端子排是来接制动电阻;
DEH11B/X15是接电机上的编码器,利用编码器来读取电机运转的数据,采集信号的。

2、AB罗克韦尔变频器分析(变频器为POWERFLEX 750系列)
A、高清LCD显示屏可显示六行文本,令参数和事件含义更加清晰
B、PowerFlex 753上的标准I/O提供了经济高效的解决方案
C、实时时钟提供带时间戳的时间与运行时间数据
D、附加DPI可扩展编程功能
E、集成安全继电器的安全速度监视选项卡提高安全性能级别
F、多种封装选项.可满足各种应用需求
G、凭借DeviceLogix嵌入式控制技术可实现功能块编程.从而对基本应用进行独立控制
H、通过PowerFlex 755标配的内置以太网端口可轻松组态、控制和收集变频器数据
I、插槽机械架构可支持I/O、反馈、安全、通信和辅助电源等附加选件
J、可选辅助电源、一旦主电源断开、可继续维持控制和通信
K、散热器和内置风扇易于检查

3、西门子SINAMICS G120柜内变频器简介
SINAMICS G120是由多种不同功能单元组成的模块化变频器,构成变频器两个必须的主要模块为:
a、控制单元(CU)
b、功率模块(PM)
控制单元 可以通过不用的方式对功率模块和所街的电机进行控制和监控。
它支持与本地或中央控制的通信并且支持通过监控设备和输入/输出端子的直接控制。
功率模块 可以驱动电机的功率范围为0.37kw到250kw(0.5hp到400hp)。功率模块由于控制模块单元里的微处理器进行控制。高性能的IGBT及电机电压脉宽调制技术个可选择的脉宽调制频率的采用,是的电机运行极为灵活可靠。多方面的保护功能可以为功率模块和电机提供更高一级的保护。


