小度生活
首页
美食营养
手工爱好
生活家居
返回
小度生活
首页
美食营养
游戏数码
手工爱好
生活家居
健康养生
运动户外
职场理财
情感交际
母婴教育
时尚美容
知识问答
生活知识
搜索
brother MFC-3360C多功能一体机使用说明书:[10]
2025-10-20 14:13:48
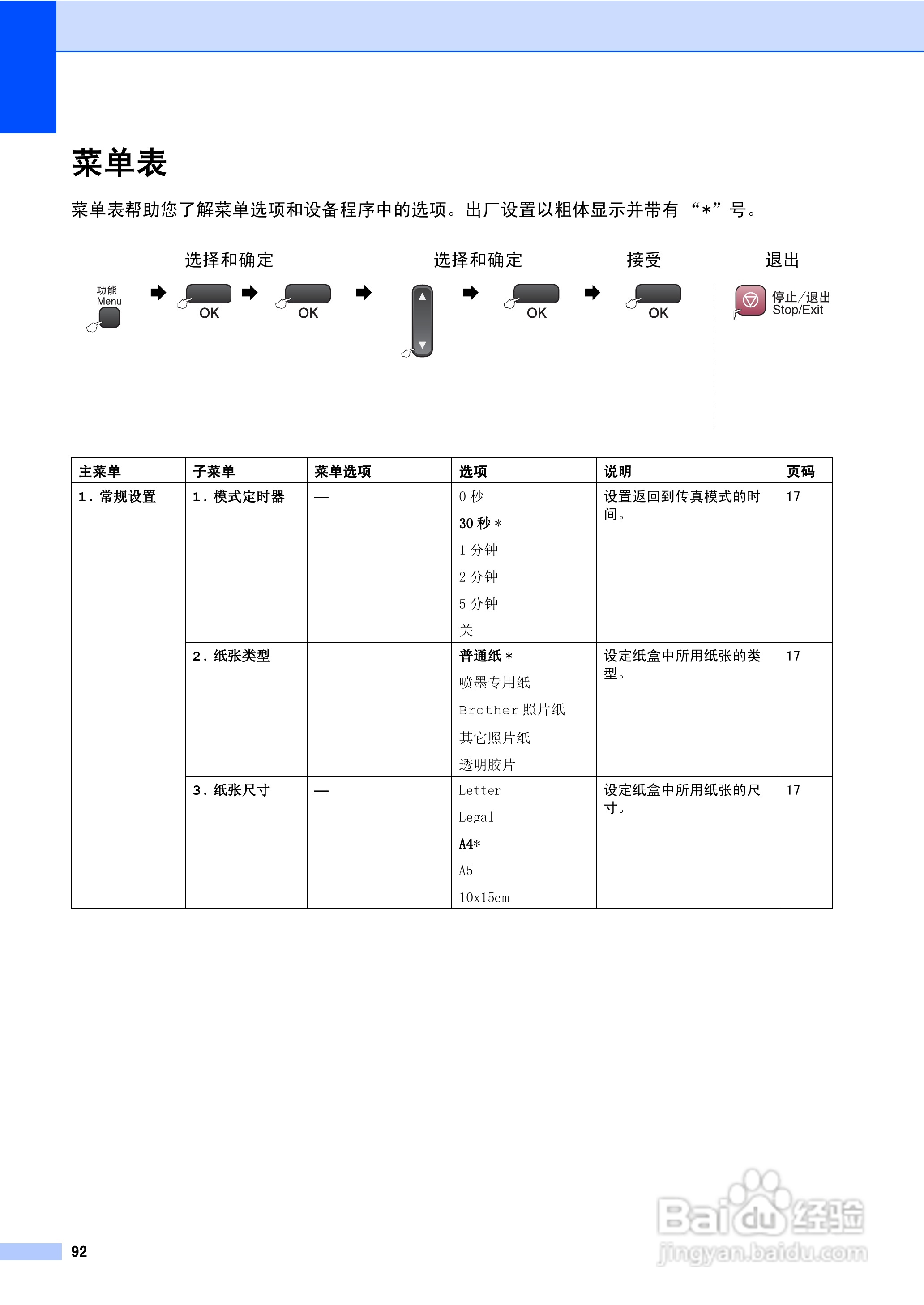
本篇为《brother MFC-3360C多功能一体机使用说明书》,主要介绍该产品的使用方法以及常见故障解决方案。
(共篇)
上一篇:
|
下一篇:
声明:
本网站引用、摘录或转载内容仅供网站访问者交流或参考,不代表本站立场,如存在版权或非法内容,请联系站长删除,联系邮箱:site.kefu@qq.com。
相关推荐
brother MFC-3360C多功能一体机使用说明书:[11]
阅读量:195
brother MFC-3360C多功能一体机使用说明书:[4]
阅读量:38
64位win8.1如何连接Brother 3360C共享打印机
阅读量:177
使用说明书封面怎么做
阅读量:57
使用说明书wf2651使用指南
阅读量:174
猜你喜欢
炒花甲的做法
鲫鱼汤的做法
北京烤鸭的做法
萝卜炖牛肉的家常做法
凉拌牛肉的做法
德州扑克怎么玩
羊肉煲的做法
螃蟹的做法大全家常
面包的做法大全
酸菜面的做法
猜你喜欢
草莓布丁的做法
烤箱烤肉的做法大全
静脉曲张是怎么引起的
盘扣的做法图解
阳痿怎么办
鸡仔饼的做法
听音乐用英语怎么说
花胶的做法
银耳的做法大全
美食做法大全