小度生活
首页
美食营养
手工爱好
生活家居
返回
小度生活
首页
美食营养
游戏数码
手工爱好
生活家居
健康养生
运动户外
职场理财
情感交际
母婴教育
时尚美容
知识问答
生活知识
生活百科
搜索
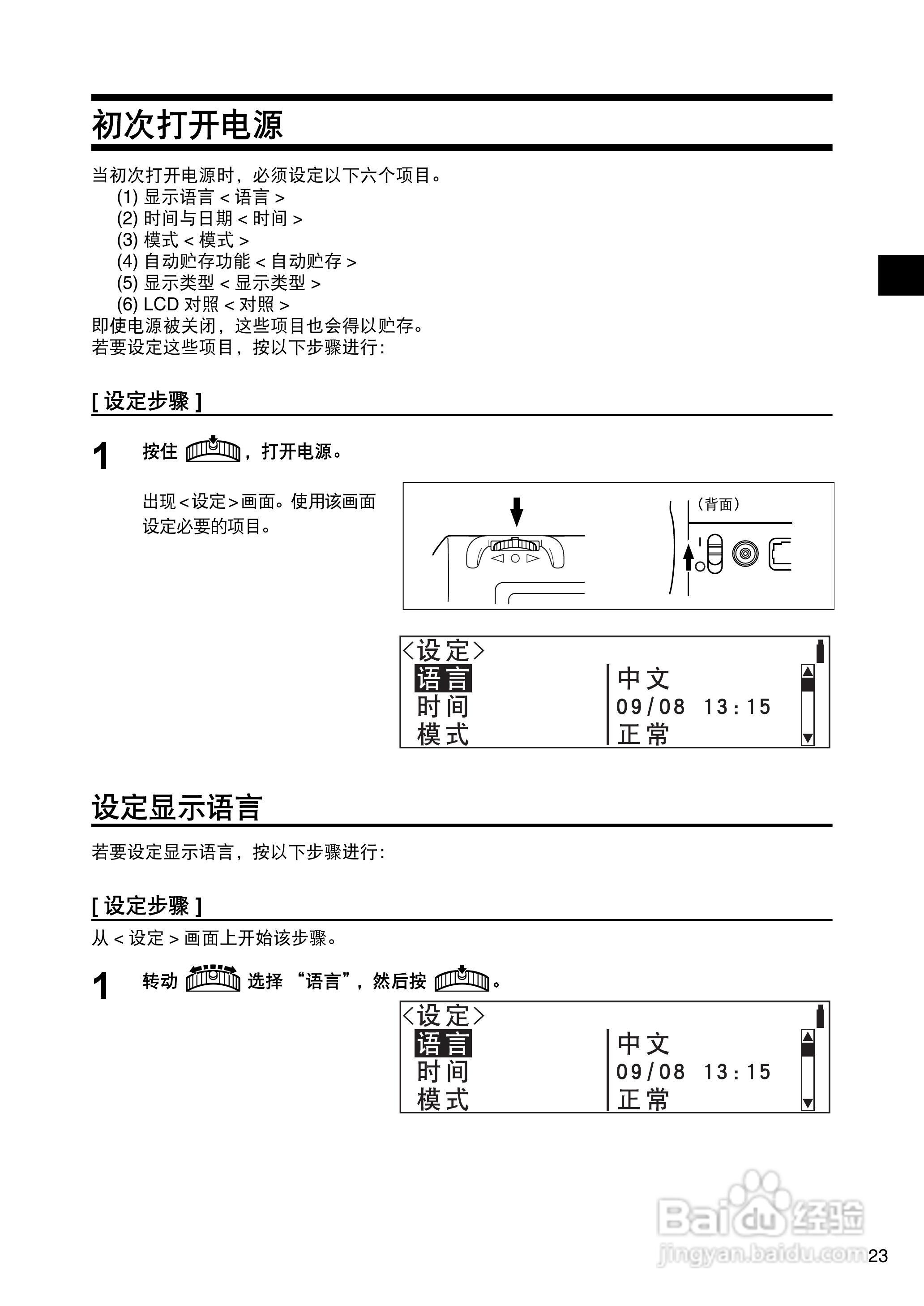
恒港分光测色计CM-2300d使用说明书:[3]
2026-04-08 11:59:11
本篇为《恒港分光测色计CM-2300d使用说明书》,主要介绍该产品的使用方法以及常见故障解决方案。
(共篇)
上一篇:
|
下一篇:
声明:
本网站引用、摘录或转载内容仅供网站访问者交流或参考,不代表本站立场,如存在版权或非法内容,请联系站长删除,联系邮箱:site.kefu@qq.com。
相关推荐
恒港分光测色计CM-2300d使用说明书:[2]
阅读量:162
恒港分光测色计CM-2300d使用说明书:[4]
阅读量:191
恒港分光测色计CM-2600d/CM-2500d使用说明书:[2]
阅读量:78
恒港分光测色计CM-2600d/CM-2500d使用说明书:[4]
阅读量:147
恒港分光测色计CM-2600d/CM-2500d使用说明书:[5]
阅读量:55
猜你喜欢
手卫生知识
什么是二分法
板蓝根的作用
什么牌子的防晒霜好
猕猴桃的功效与作用
防火小知识
大二班运动会口号
凡士林的作用与用途
丁桂儿脐贴的作用
25万左右买什么车好
猜你喜欢
金发晶的功效与作用
什么都有
汽车维修知识
胖大海的功效与作用及禁忌
幼儿园运动会开幕词
致运动员广播稿
男友生日送什么礼物好
faith什么意思
六月雪的功效与作用
百多邦软膏的作用