华远WS手工钨极氩弧焊机说明书:[1]
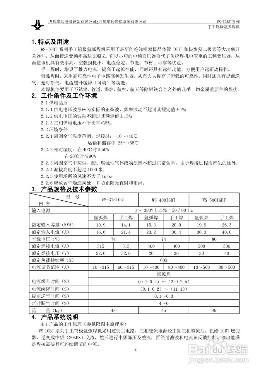
本篇为《华远WS手工钨极氩弧焊机说明书》,主要介绍该产品的使用方法以及常见故障解决方案。
![华远WS手工钨极氩弧焊机说明书:[1]](https://exp-picture.cdn.bcebos.com/65390a23beb9763e821cfa636ad06de89b61b077.jpg)
![华远WS手工钨极氩弧焊机说明书:[1]](https://exp-picture.cdn.bcebos.com/0cdb2f0e1799e92a096603f5e1fec314f0c5a077.jpg)
![华远WS手工钨极氩弧焊机说明书:[1]](https://exp-picture.cdn.bcebos.com/a48bc2e8904800fcb529d9bbd42043715edb9377.jpg)
![华远WS手工钨极氩弧焊机说明书:[1]](https://exp-picture.cdn.bcebos.com/2184380f8835dd8a970004b203013870d4418777.jpg)
![华远WS手工钨极氩弧焊机说明书:[1]](https://exp-picture.cdn.bcebos.com/95bd4e8c9bcec7f850a91c68034ce54a2e27fb77.jpg)
![华远WS手工钨极氩弧焊机说明书:[1]](https://exp-picture.cdn.bcebos.com/3201a8f39187031c7e1eee496a86242fa972ec77.jpg)
![华远WS手工钨极氩弧焊机说明书:[1]](https://exp-picture.cdn.bcebos.com/7830e01d96d8181994fee678876efbf203b3de77.jpg)
![华远WS手工钨极氩弧焊机说明书:[1]](https://exp-picture.cdn.bcebos.com/ac45306817e951e1082719e35e3da824d9e9cf77.jpg)
![华远WS手工钨极氩弧焊机说明书:[1]](https://exp-picture.cdn.bcebos.com/3b03be7aa010bc33fae7750e92efa25f0d143f74.jpg)
![华远WS手工钨极氩弧焊机说明书:[1]](https://exp-picture.cdn.bcebos.com/a007a9b1eef97fbd6ea37506b74133bad2413374.jpg)
声明:本网站引用、摘录或转载内容仅供网站访问者交流或参考,不代表本站立场,如存在版权或非法内容,请联系站长删除,联系邮箱:site.kefu@qq.com。
阅读量:58
阅读量:20
阅读量:103
阅读量:121
阅读量:195
本篇为《华远WS手工钨极氩弧焊机说明书》,主要介绍该产品的使用方法以及常见故障解决方案。
![华远WS手工钨极氩弧焊机说明书:[1]](https://exp-picture.cdn.bcebos.com/65390a23beb9763e821cfa636ad06de89b61b077.jpg)
![华远WS手工钨极氩弧焊机说明书:[1]](https://exp-picture.cdn.bcebos.com/0cdb2f0e1799e92a096603f5e1fec314f0c5a077.jpg)
![华远WS手工钨极氩弧焊机说明书:[1]](https://exp-picture.cdn.bcebos.com/a48bc2e8904800fcb529d9bbd42043715edb9377.jpg)
![华远WS手工钨极氩弧焊机说明书:[1]](https://exp-picture.cdn.bcebos.com/2184380f8835dd8a970004b203013870d4418777.jpg)
![华远WS手工钨极氩弧焊机说明书:[1]](https://exp-picture.cdn.bcebos.com/95bd4e8c9bcec7f850a91c68034ce54a2e27fb77.jpg)
![华远WS手工钨极氩弧焊机说明书:[1]](https://exp-picture.cdn.bcebos.com/3201a8f39187031c7e1eee496a86242fa972ec77.jpg)
![华远WS手工钨极氩弧焊机说明书:[1]](https://exp-picture.cdn.bcebos.com/7830e01d96d8181994fee678876efbf203b3de77.jpg)
![华远WS手工钨极氩弧焊机说明书:[1]](https://exp-picture.cdn.bcebos.com/ac45306817e951e1082719e35e3da824d9e9cf77.jpg)
![华远WS手工钨极氩弧焊机说明书:[1]](https://exp-picture.cdn.bcebos.com/3b03be7aa010bc33fae7750e92efa25f0d143f74.jpg)
![华远WS手工钨极氩弧焊机说明书:[1]](https://exp-picture.cdn.bcebos.com/a007a9b1eef97fbd6ea37506b74133bad2413374.jpg)