ZW3414B单相综合电量表使用说明书 v1.0:[3]

2026-03-26 17:18:33

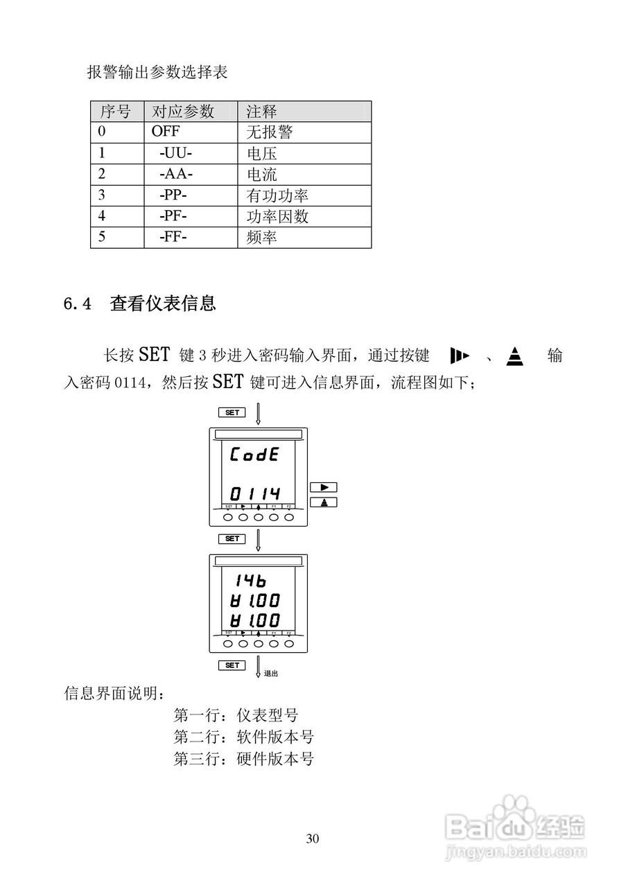
本篇为《ZW3414B单相综合电量表使用说明书 v1.0》,主要介绍该产品的使用方法以及常见故障解决方案。


ZW3414B单相综合电量表使用说明书 v1.0:[3]

ZW3414B单相综合电量表使用说明书 v1.0:[3]

ZW3414B单相综合电量表使用说明书 v1.0:[3]

ZW3414B单相综合电量表使用说明书 v1.0:[3]

ZW3414B单相综合电量表使用说明书 v1.0:[3]

ZW3414B单相综合电量表使用说明书 v1.0:[3]

ZW3414B单相综合电量表使用说明书 v1.0:[3]

ZW3414B单相综合电量表使用说明书 v1.0:[3]

ZW3414B单相综合电量表使用说明书 v1.0:[3]

ZW3414B单相综合电量表使用说明书 v1.0:[3]

(共篇)上一篇:|下一篇:
声明:本网站引用、摘录或转载内容仅供网站访问者交流或参考,不代表本站立场,如存在版权或非法内容,请联系站长删除,联系邮箱:site.kefu@qq.com。
相关推荐
  • 阅读量:172
  • 阅读量:103
  • 阅读量:138
  • 阅读量:34
  • 阅读量:79
  • 猜你喜欢