小度生活
首页
美食营养
手工爱好
生活家居
返回
小度生活
首页
美食营养
游戏数码
手工爱好
生活家居
健康养生
运动户外
职场理财
情感交际
母婴教育
时尚美容
知识问答
生活知识
生活百科
搜索
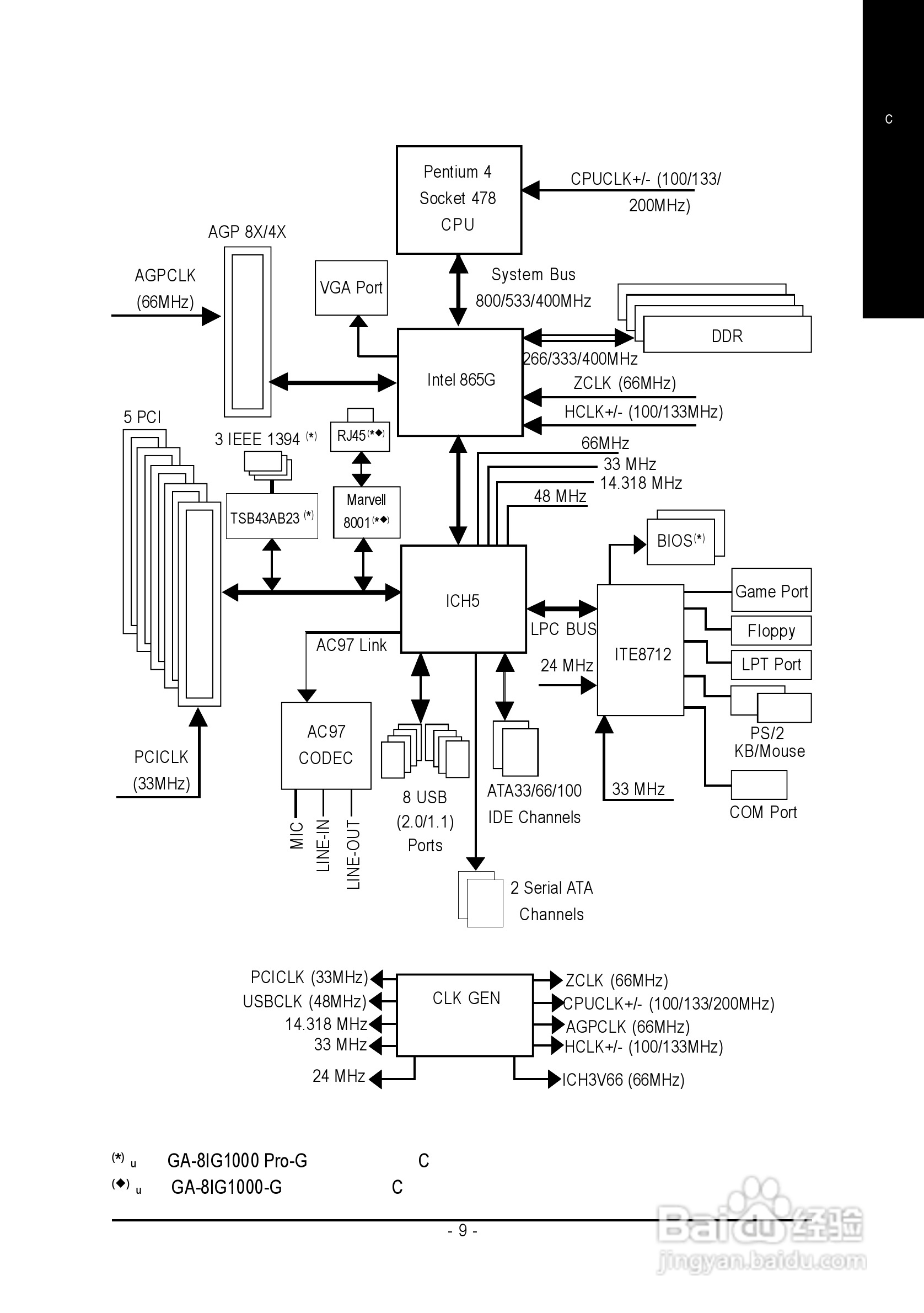
技嘉 GA-8IG1000 (Rev 3.x)主板说明书:[2]
2026-05-11 21:08:09
本篇为《技嘉 GA-8IG1000 (Rev 3.x)主板说明书》,主要介绍该产品的使用方法以及常见故障解决方案。
(共篇)
上一篇:
|
下一篇:
声明:
本网站引用、摘录或转载内容仅供网站访问者交流或参考,不代表本站立场,如存在版权或非法内容,请联系站长删除,联系邮箱:site.kefu@qq.com。
相关推荐
技嘉 GA-8IG1000 (Rev 3.x)主板说明书:[3]
阅读量:43
技嘉 GA-8IG1000 (Rev 3.x)主板说明书:[10]
阅读量:55
技嘉主板bios升级教程
阅读量:22
技嘉主板怎么进bios
阅读量:112
技嘉主板bios设置固态硬盘启动
阅读量:135
猜你喜欢
大众朗逸怎么样
斯柯达明锐怎么样
表格中的斜线怎么弄
会议总结怎么写
细菌性阴道炎怎么治疗
久盛地板怎么样
槟榔吃多了会怎么样
消息怎么写
怎么计算预产期
倩碧黄油怎么用
猜你喜欢
怎么报税
蜂蜜怎么辨别真假
菠萝蜜的核怎么吃
泡打粉怎么用
怎么开红酒
纤维瘤怎么治疗
怎么开车
黑眼圈怎么去除
怎么减肥快
肛裂怎么治疗