小度生活
首页
美食营养
手工爱好
生活家居
返回
小度生活
首页
美食营养
游戏数码
手工爱好
生活家居
健康养生
运动户外
职场理财
情感交际
母婴教育
时尚美容
知识问答
生活知识
生活百科
搜索
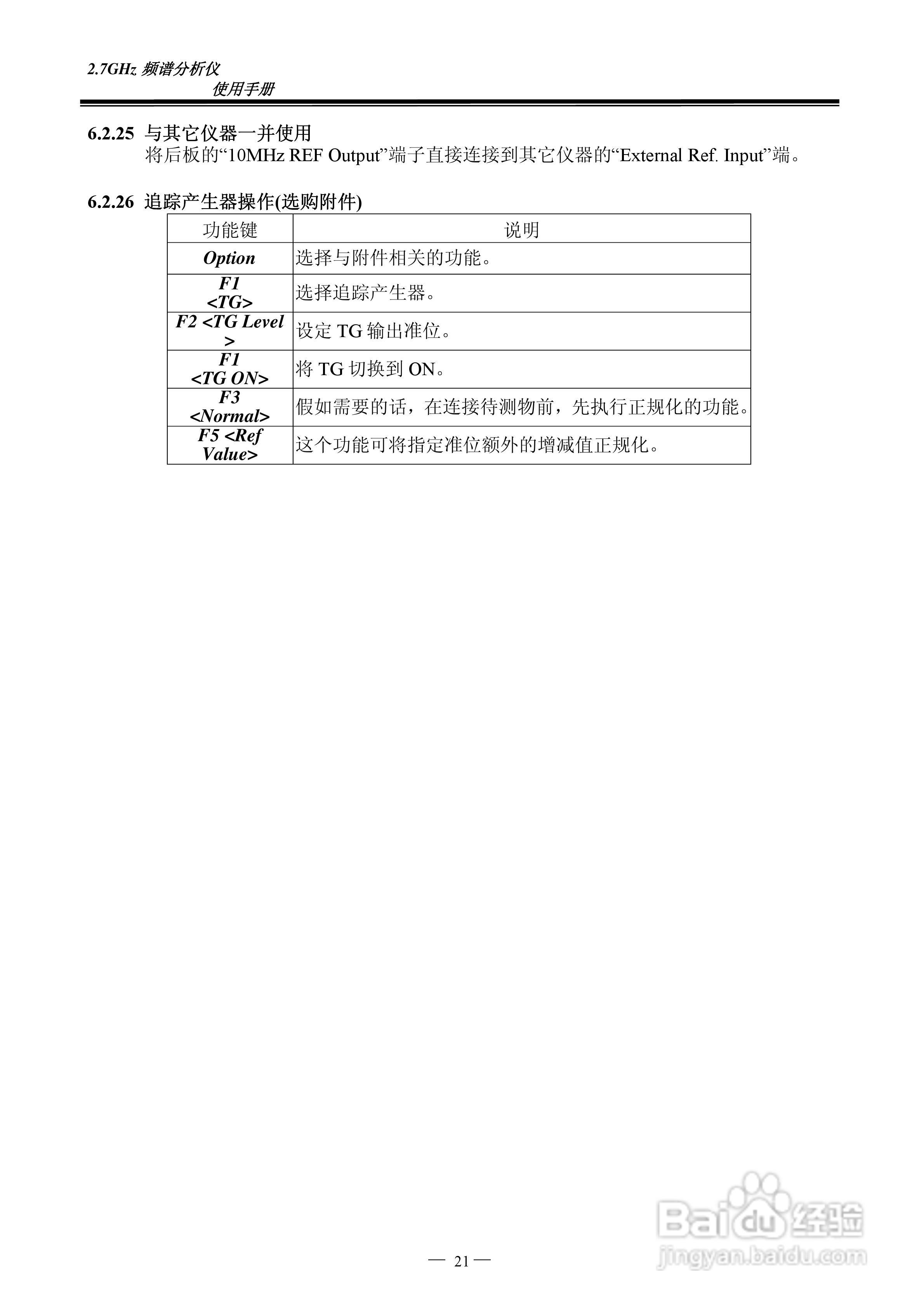
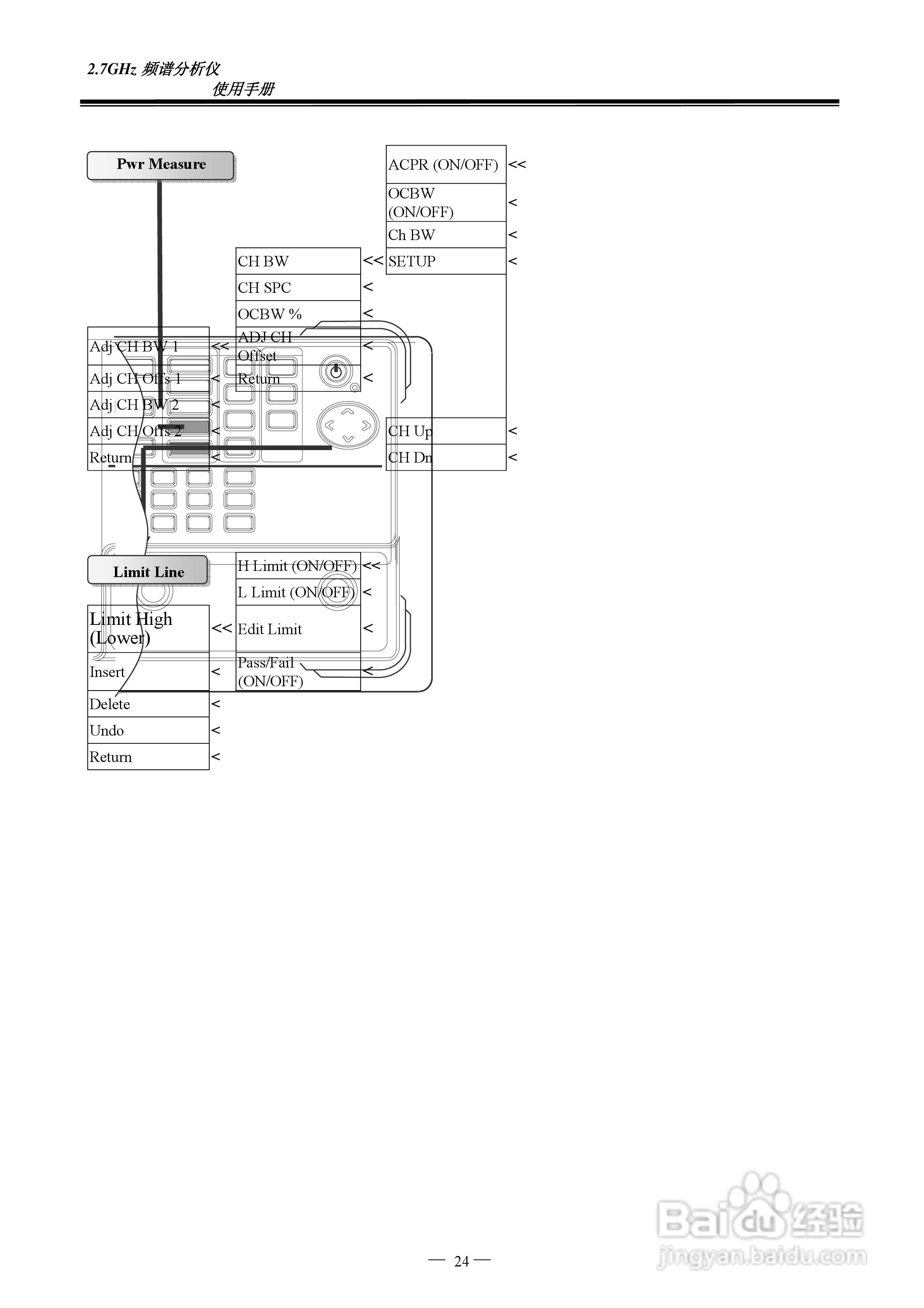
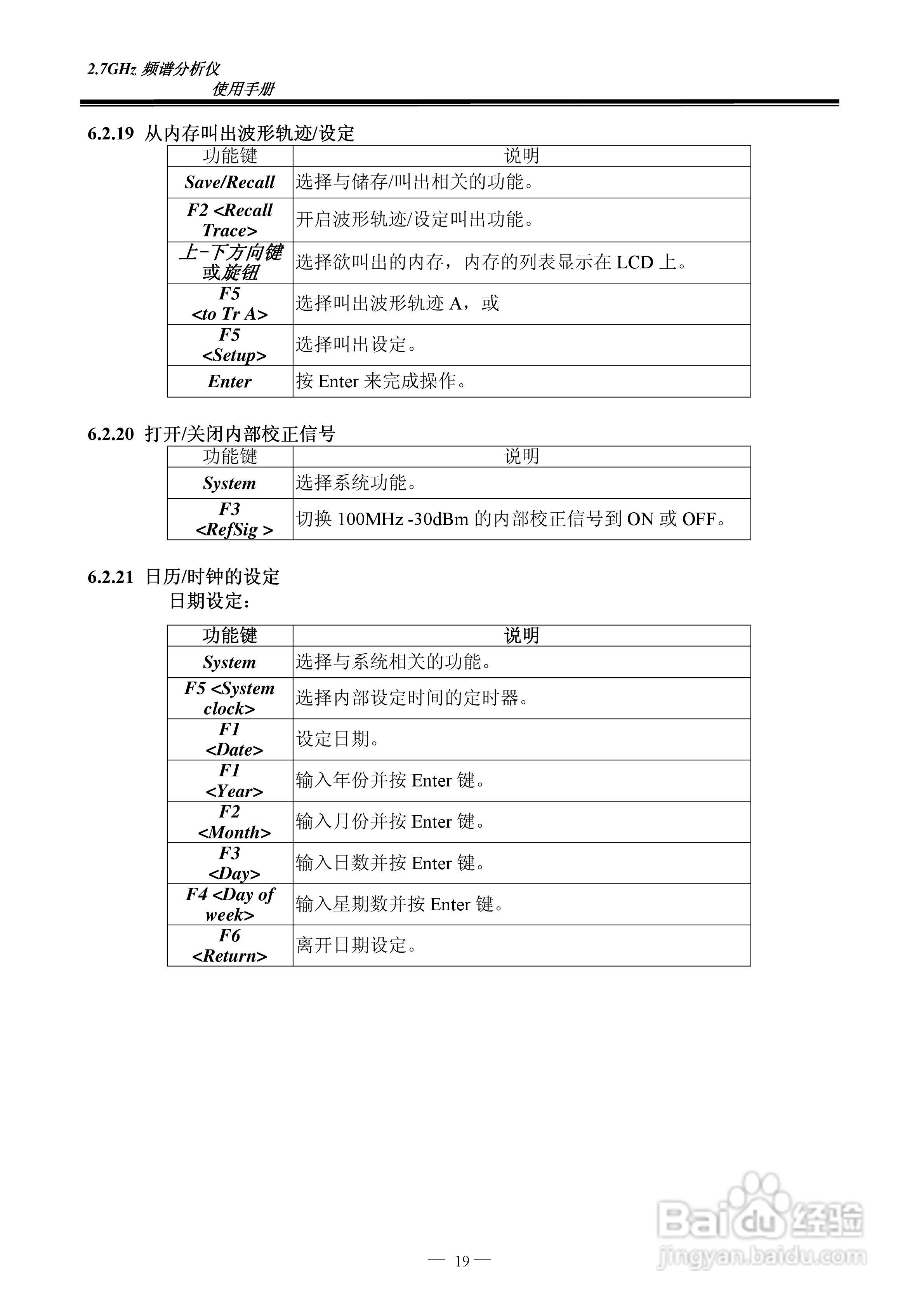
频谱分析仪GSP-827操作手册:[3]
2026-03-27 07:00:45
本篇为《频谱分析仪GSP-827操作手册》,主要介绍该产品的使用方法以及常见故障解决方案。
(共篇)
上一篇:
|
下一篇:
声明:
本网站引用、摘录或转载内容仅供网站访问者交流或参考,不代表本站立场,如存在版权或非法内容,请联系站长删除,联系邮箱:site.kefu@qq.com。
相关推荐
频谱分析仪GSP-827操作手册:[2]
阅读量:117
频谱分析仪GSP-827操作手册:[5]
阅读量:27
固纬GSP830频谱分析仪说明书:[19]
阅读量:119
频谱分析仪维修维护保养的基本方法
阅读量:39
频谱分析仪GSP-827操作手册:[4]
阅读量:62
猜你喜欢
空调知识
桂附地黄丸的功效与作用
葛粉的作用
一往无前什么意思
红薯的功效与作用减肥
鲫鱼汤的功效与作用
高中三角函数知识点
薤白的功效与作用
四妙丸的作用
过生日送什么好
猜你喜欢
girlfriend什么意思
橄榄油有什么用
up主什么意思
阿巴阿巴什么意思
军事知识
咖啡知识
莓茶的功效与作用
桂皮的功效与作用
有什么方法可以祛斑
树木的作用