小度生活
首页
美食营养
手工爱好
生活家居
返回
小度生活
首页
美食营养
游戏数码
手工爱好
生活家居
健康养生
运动户外
职场理财
情感交际
母婴教育
时尚美容
知识问答
生活知识
生活百科
搜索
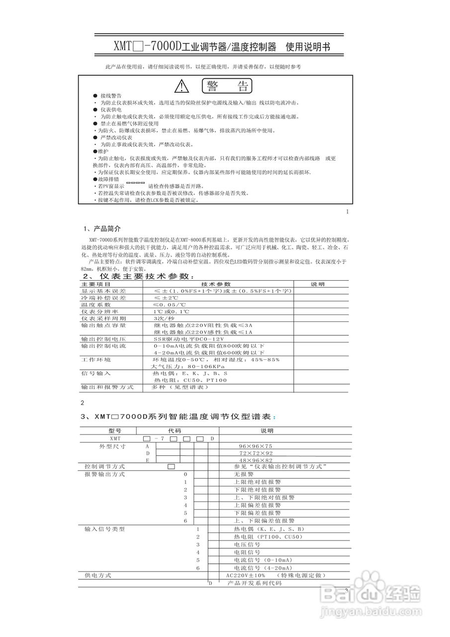
欣灵XMTD-7000系列智能温度控制仪说明书
2026-04-02 06:50:36
声明:
本网站引用、摘录或转载内容仅供网站访问者交流或参考,不代表本站立场,如存在版权或非法内容,请联系站长删除,联系邮箱:site.kefu@qq.com。
相关推荐
uvw分别代表什么,线怎么接
阅读量:182
欣灵XMTD-D系列数字温度控制仪说明书
阅读量:189
欣灵XMTD-5000系列智能温度控制仪说明书
阅读量:147
电流互感器的接线方法
阅读量:88
三相电缆载流量对照表
阅读量:186
猜你喜欢
vdc是什么意思
swag是什么意思
ic是什么意思
瓦特发明了什么
sql是什么意思
的近义词是什么
轰轰烈烈的曾经相爱过是什么歌
1983年属什么
什么的春雨
answer是什么意思
猜你喜欢
土鳖是什么意思
专升本是什么意思
官宣是什么意思
ceo是什么意思
什么叫无症状感染者
9月18日是什么纪念日
惊厥是什么意思
本垒打在爱情里面是什么意思
cin2级是什么意思
百合是什么意思