亚安YS5803T/YS5803CT热成像中速球型摄像机用户手册

2026-05-05 07:50:13

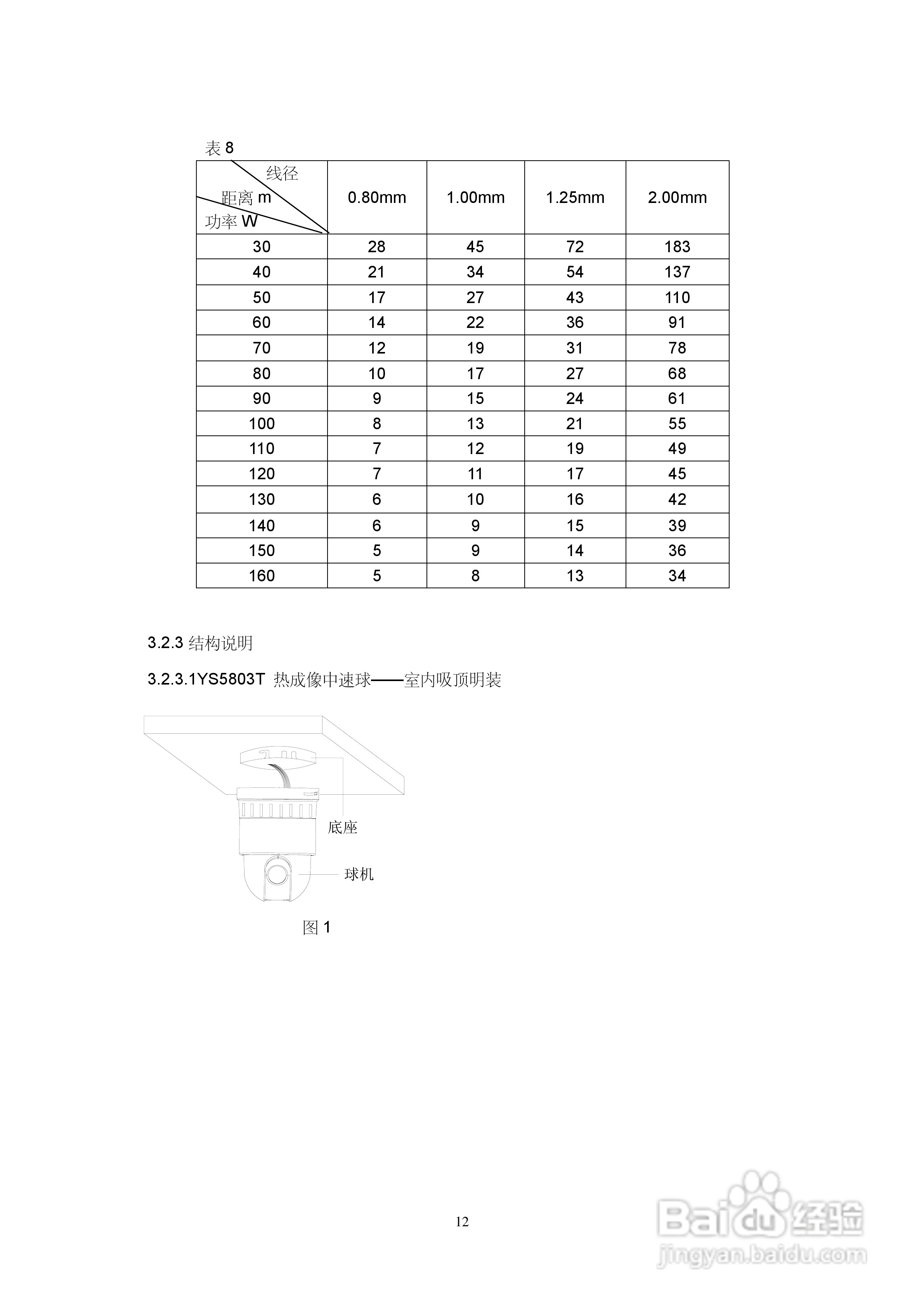
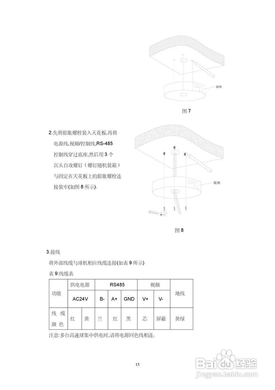
亚安YS5803T/YS5803CT热成像中速球型摄像机用户手册

亚安YS5803T/YS5803CT热成像中速球型摄像机用户手册

亚安YS5803T/YS5803CT热成像中速球型摄像机用户手册

亚安YS5803T/YS5803CT热成像中速球型摄像机用户手册

亚安YS5803T/YS5803CT热成像中速球型摄像机用户手册

亚安YS5803T/YS5803CT热成像中速球型摄像机用户手册

亚安YS5803T/YS5803CT热成像中速球型摄像机用户手册

亚安YS5803T/YS5803CT热成像中速球型摄像机用户手册

亚安YS5803T/YS5803CT热成像中速球型摄像机用户手册

亚安YS5803T/YS5803CT热成像中速球型摄像机用户手册

亚安YS5803T/YS5803CT热成像中速球型摄像机用户手册

亚安YS5803T/YS5803CT热成像中速球型摄像机用户手册

亚安YS5803T/YS5803CT热成像中速球型摄像机用户手册

亚安YS5803T/YS5803CT热成像中速球型摄像机用户手册

亚安YS5803T/YS5803CT热成像中速球型摄像机用户手册

亚安YS5803T/YS5803CT热成像中速球型摄像机用户手册

亚安YS5803T/YS5803CT热成像中速球型摄像机用户手册

亚安YS5803T/YS5803CT热成像中速球型摄像机用户手册

亚安YS5803T/YS5803CT热成像中速球型摄像机用户手册

亚安YS5803T/YS5803CT热成像中速球型摄像机用户手册

声明:本网站引用、摘录或转载内容仅供网站访问者交流或参考,不代表本站立场,如存在版权或非法内容,请联系站长删除,联系邮箱:site.kefu@qq.com。
相关推荐
  • 阅读量:187
  • 阅读量:106
  • 阅读量:130
  • 阅读量:159
  • 阅读量:138
  • 猜你喜欢