小度生活
首页
美食营养
手工爱好
生活家居
返回
小度生活
首页
美食营养
游戏数码
手工爱好
生活家居
健康养生
运动户外
职场理财
情感交际
母婴教育
时尚美容
知识问答
生活知识
生活百科
搜索
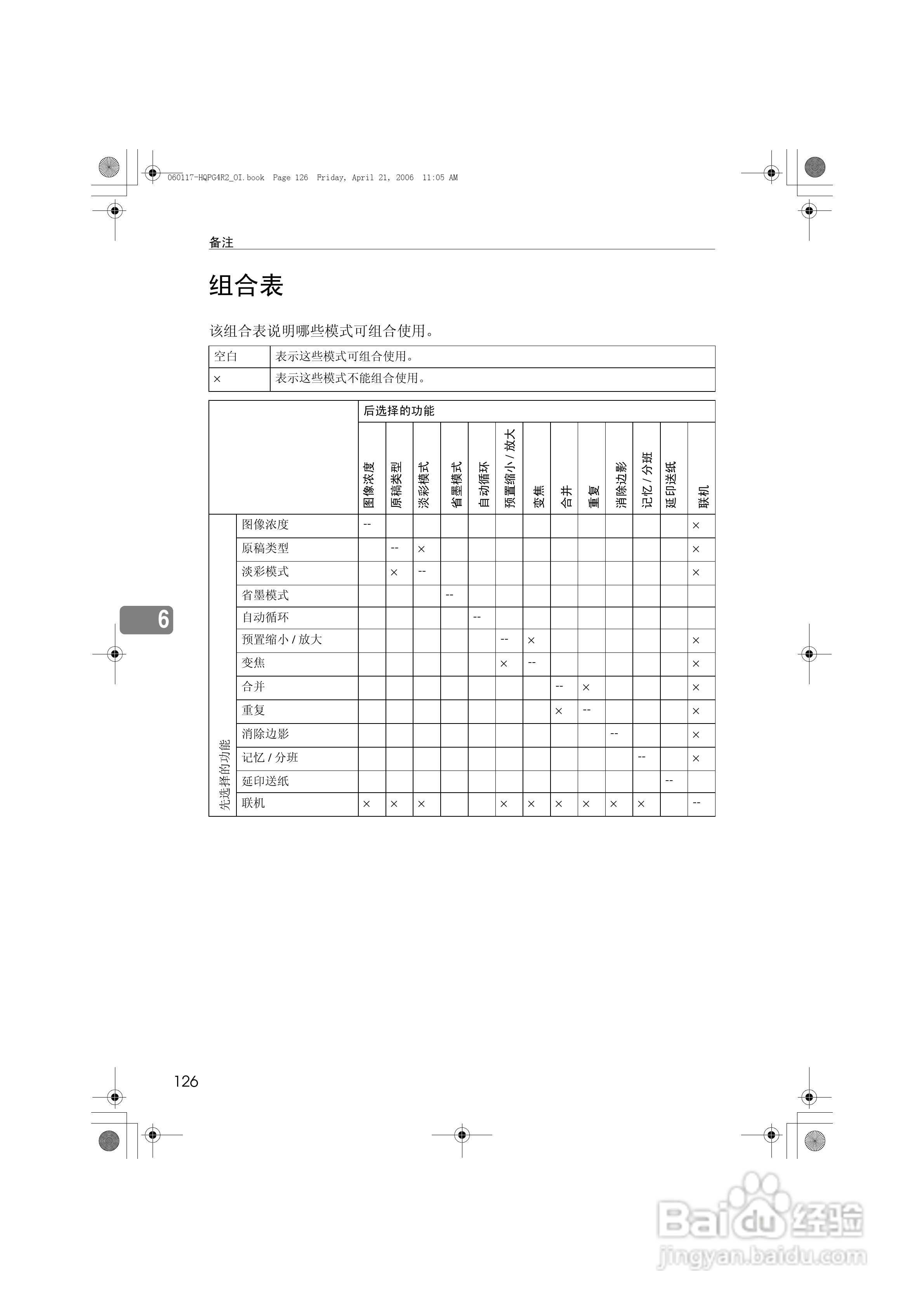
基士得耶CP6450C一体机使用说明书:[15]
2026-06-01 07:39:50
本篇为《基士得耶CP6450C一体机使用说明书》,主要介绍该产品的使用方法以及常见故障解决方案。
(共篇)
上一篇:
|
下一篇:
声明:
本网站引用、摘录或转载内容仅供网站访问者交流或参考,不代表本站立场,如存在版权或非法内容,请联系站长删除,联系邮箱:site.kefu@qq.com。
相关推荐
基士得耶CP6450C一体机使用说明书:[14]
阅读量:83
基士得耶CP6450C一体机使用说明书:[8]
阅读量:29
使用说明书封面怎么做
阅读量:93
使用说明书wf2651使用指南
阅读量:165
基士得耶CP6450C一体机使用说明书:[7]
阅读量:178
猜你喜欢
神调大全
二四六免费资料大全
土豆泥怎么做好吃
怎么样才能瘦腿
怎么缩小图片大小
怎么钓黑鱼
手机解锁密码忘了怎么办
肠粘连怎么办
炒芹菜怎么做好吃
例假量少怎么调理
猜你喜欢
香港三级片大全
白木耳的做法大全
简单又好吃的家常菜
钻木取火的方法
胸部一大一小怎么办
手机自动关机是怎么回事
忧郁症的治疗方法
黄鳝的做法大全家常
ppt目录怎么做
有皱纹怎么办