小度生活
首页
美食营养
手工爱好
生活家居
返回
小度生活
首页
美食营养
游戏数码
手工爱好
生活家居
健康养生
运动户外
职场理财
情感交际
母婴教育
时尚美容
知识问答
生活知识
搜索
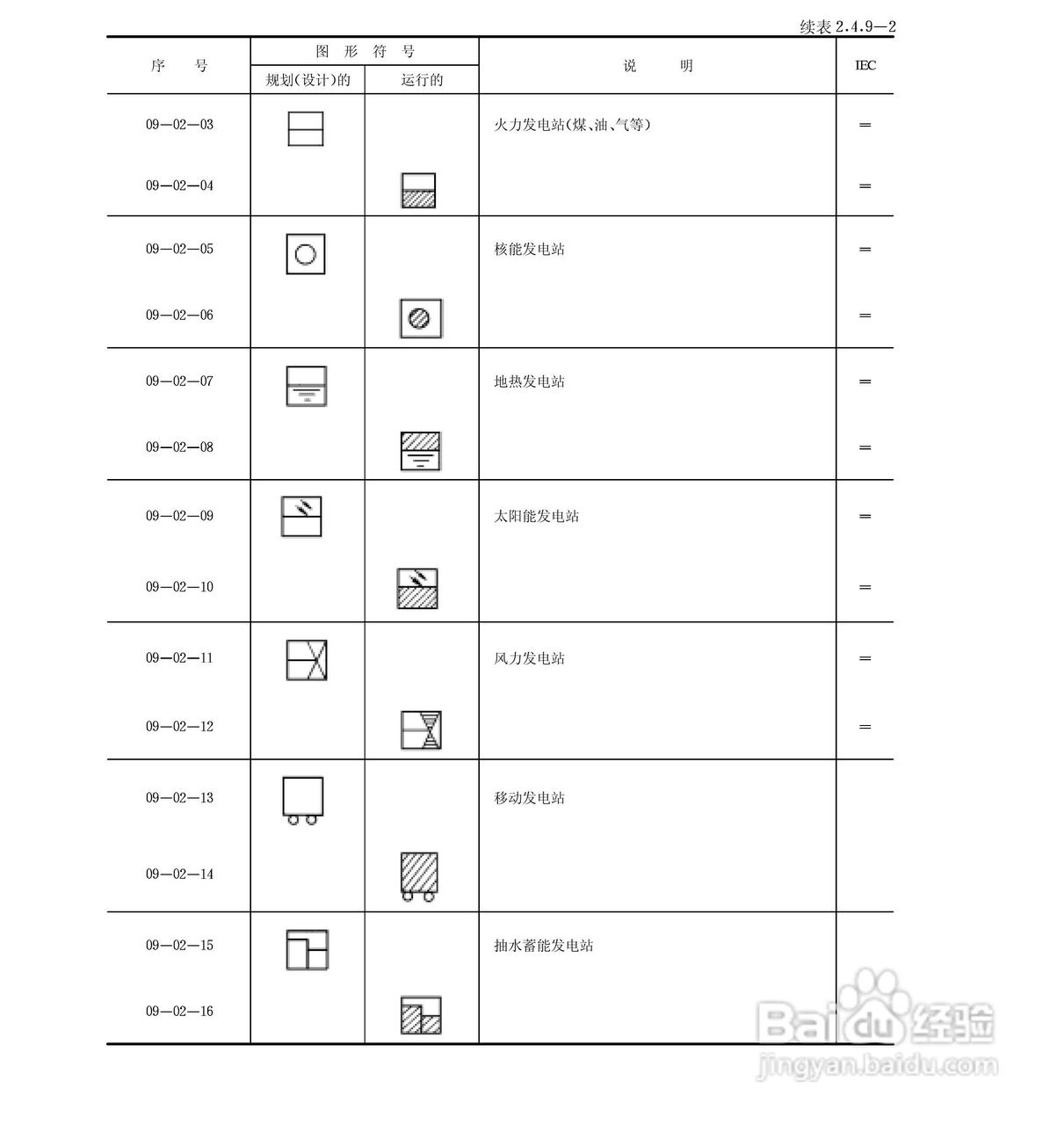
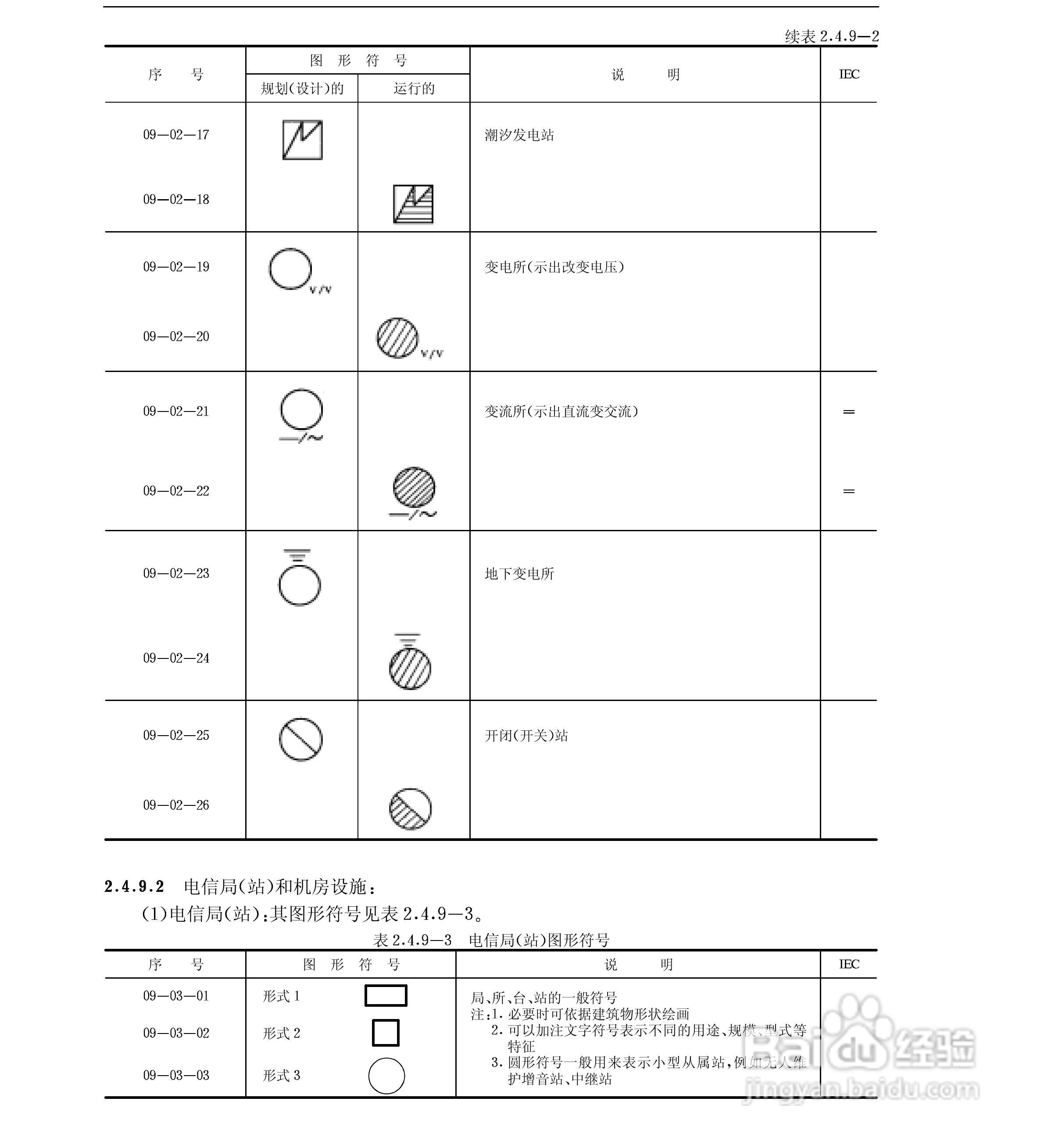
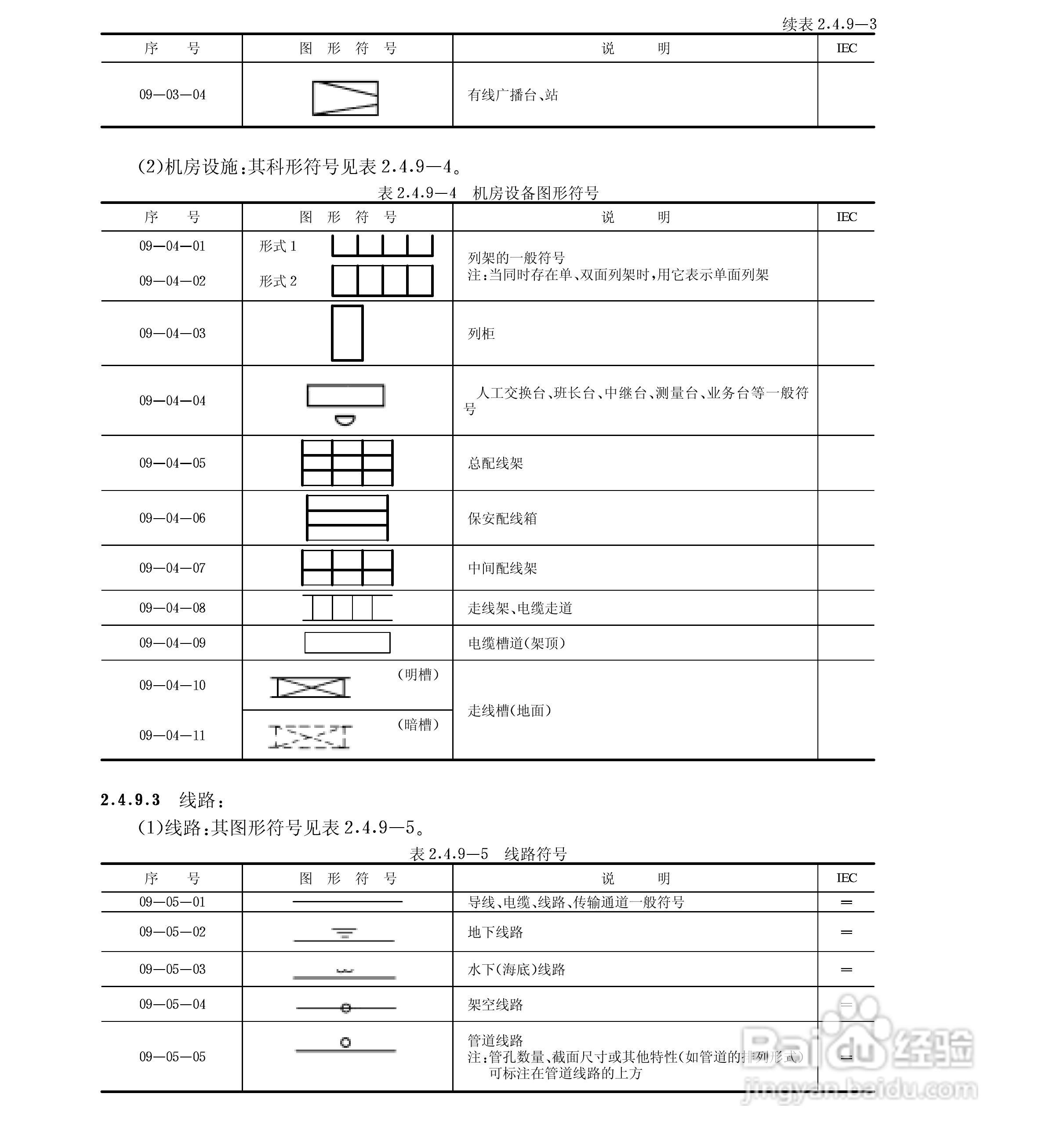
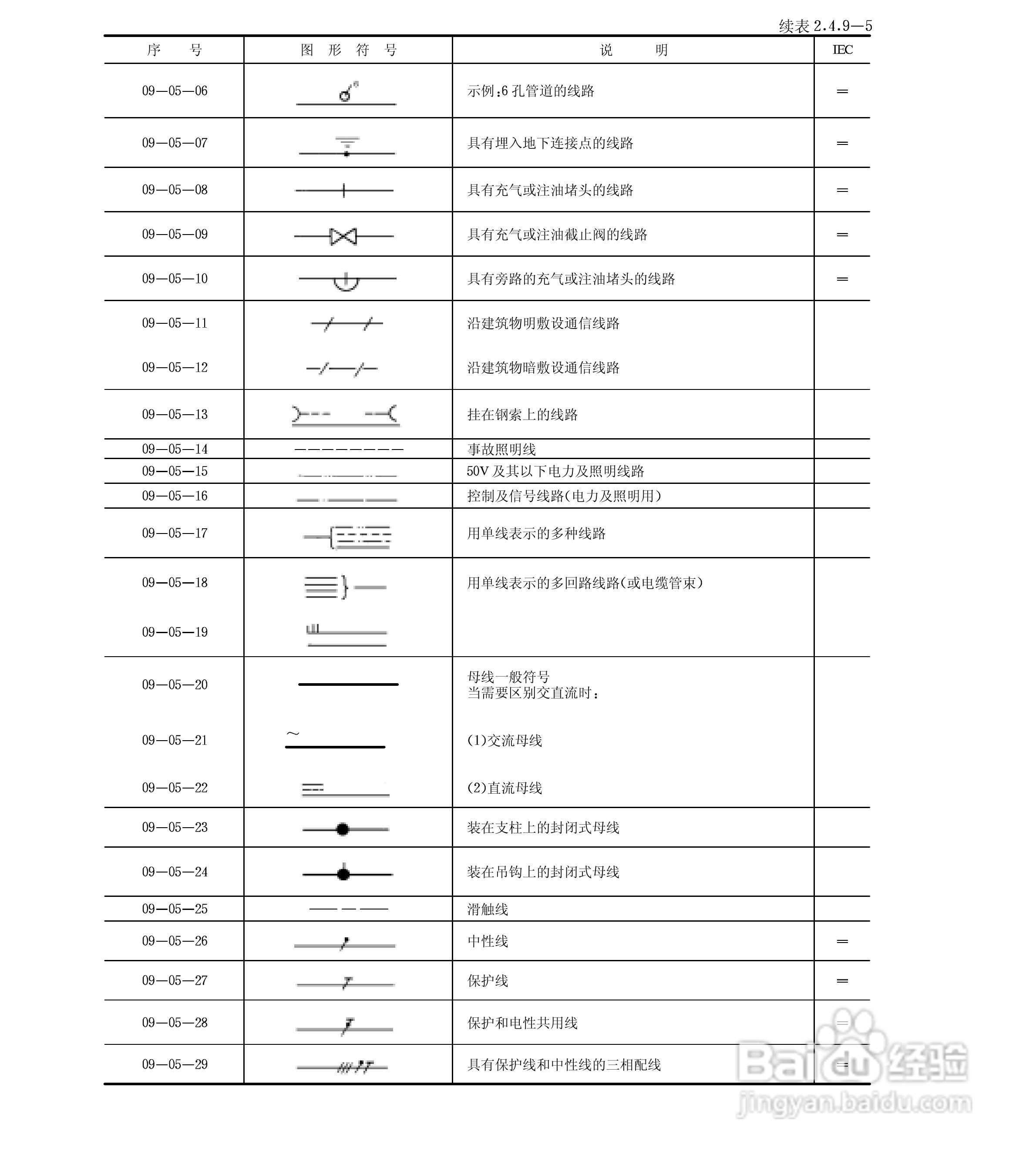
电气图形符号大全:[6]
2025-12-18 11:27:15
本篇为《电气图形符号大全》,主要介绍该产品的使用方法以及常见故障解决方案。
(共篇)
上一篇:
|
下一篇:
声明:
本网站引用、摘录或转载内容仅供网站访问者交流或参考,不代表本站立场,如存在版权或非法内容,请联系站长删除,联系邮箱:site.kefu@qq.com。
相关推荐
如何调节别克VELITE5车辆后视镜
阅读量:116
中铁锦鲤怎么下载
阅读量:101
HP Photosmart Wireless B110系列打印机说明书:[1]
阅读量:52
如果快速手算外墙幕墙铝板
阅读量:22
力勃士男士动力源正确吃法
阅读量:169
猜你喜欢
360卸载不了怎么办
沧浪之水清兮 可以濯吾缨
肉粽子怎么包
查干湖旅游攻略
旅游保险
需求分析怎么写
成山头风景区
怎么祛斑最有效
美的微波炉怎么样
顺丰怎么样
猜你喜欢
方特旅游度假区
江苏旅游
哺乳期可以减肥吗
港澳通行证过期了怎么办
小心眼怎么办
南京栖霞山旅游攻略
魔域怎么开三宠
股票可以当天买当天卖吗
十二星座特点
好好学习天天向上英语怎么说