小度生活
首页
美食营养
手工爱好
生活家居
返回
小度生活
首页
美食营养
游戏数码
手工爱好
生活家居
健康养生
运动户外
职场理财
情感交际
母婴教育
时尚美容
知识问答
生活知识
生活百科
搜索
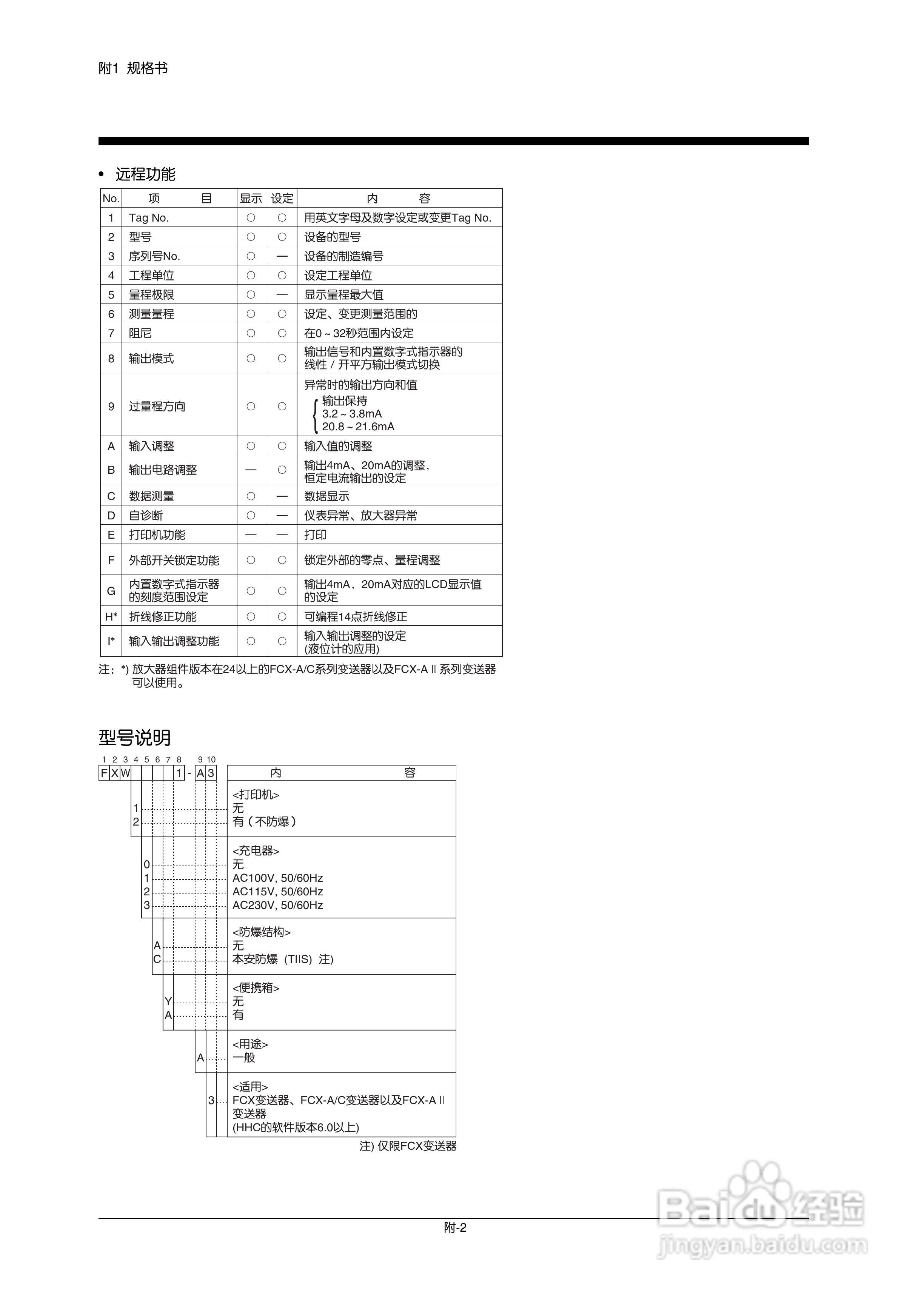
富士FXW手持通信器使用说明书:[5]
2026-04-22 19:44:29
本篇为《富士FXW手持通信器使用说明书》,主要介绍该产品的使用方法以及常见故障解决方案。
(共篇)
上一篇:
|
下一篇:
声明:
本网站引用、摘录或转载内容仅供网站访问者交流或参考,不代表本站立场,如存在版权或非法内容,请联系站长删除,联系邮箱:site.kefu@qq.com。
相关推荐
PS提高详细步骤实例 白天变黑夜
阅读量:48
碧蓝航线 猎人
阅读量:163
ps画图标之手机篇
阅读量:61
如何使用blender2.9设计可爱女生头像简图模型
阅读量:107
如何制作人物照片的梦幻光斑效果
阅读量:120
猜你喜欢
幼儿咳嗽有痰怎么办
如何删除word空白页
烫伤后起泡怎么处理
手机nfc功能在哪里
峨眉山旅游地图
tplogin路由器设置
白头粉刺怎么去除
路由器上不了网
感冒鼻塞流鼻涕怎么办
涨停的股票怎么买
猜你喜欢
如何网上开店
北平是哪里
ps如何画虚线
如何保护水资源
仙鹤草泡水喝的功效
钱塘湖位于哪里
旅游广告宣传语
剑门关在哪里
怎么用ps瘦脸
丝绸之路旅游