小度生活
首页
美食营养
手工爱好
生活家居
返回
小度生活
首页
美食营养
游戏数码
手工爱好
生活家居
健康养生
运动户外
职场理财
情感交际
母婴教育
时尚美容
知识问答
生活知识
生活百科
搜索
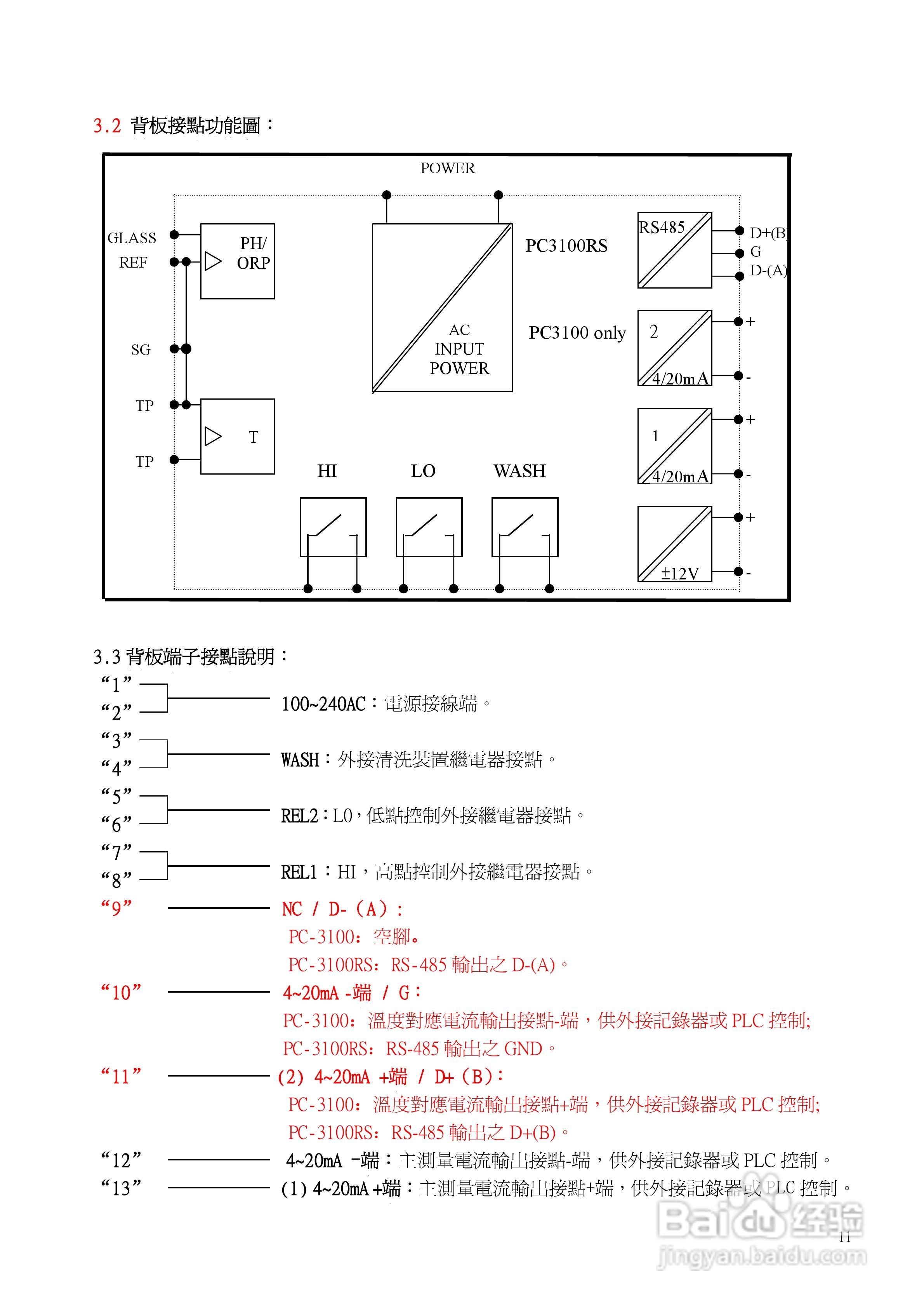
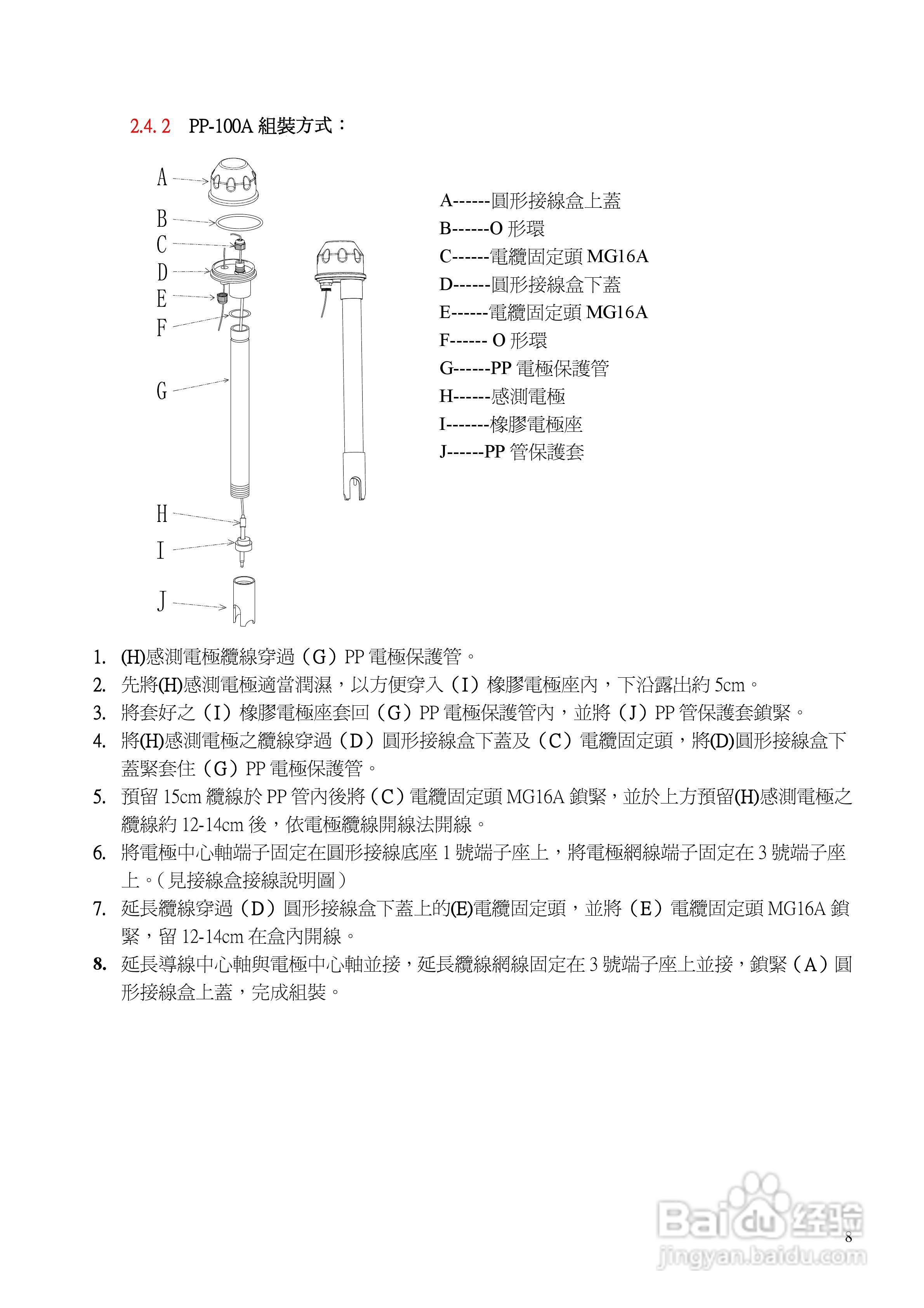
上泰PC3100微电脑pHORP控制器操作手册:[2]
2026-05-22 21:01:22
本篇为《上泰PC3100微电脑pHORP控制器操作手册》,主要介绍该产品的使用方法以及常见故障解决方案。
(共篇)
上一篇:
|
下一篇:
声明:
本网站引用、摘录或转载内容仅供网站访问者交流或参考,不代表本站立场,如存在版权或非法内容,请联系站长删除,联系邮箱:site.kefu@qq.com。
相关推荐
佳能LV-X2投影仪使用说明书:[2]
阅读量:149
精益生产专家必掌握的10个工具
阅读量:149
发过n篇文章的学神写的sci论文发表流程
阅读量:48
欧姆龙(OMRON)3G3MV-A4075变频器说明书:[2]
阅读量:127
精英ECS VB40RI7笔记本电脑说明书:[4]
阅读量:123
猜你喜欢
风情是什么意思
沈阳有什么旅游景点
婚鞋有什么讲究
磁条卡什么时候停用
更进一步的意思
车全险包括什么
家庭音响什么牌子好
乞巧是什么意思
断袖是什么意思
魔域什么职业厉害
猜你喜欢
怀孕4个月要注意什么
蜀黍是什么意思
什么动物天天熬夜?
苹果8什么时候出来
appear是什么意思
流水账是什么意思
公司年检需要什么资料
水到渠成的意思
情人生日祝福语
turkey是什么意思