小度生活
首页
美食营养
手工爱好
生活家居
返回
小度生活
首页
美食营养
游戏数码
手工爱好
生活家居
健康养生
运动户外
职场理财
情感交际
母婴教育
时尚美容
知识问答
生活知识
搜索
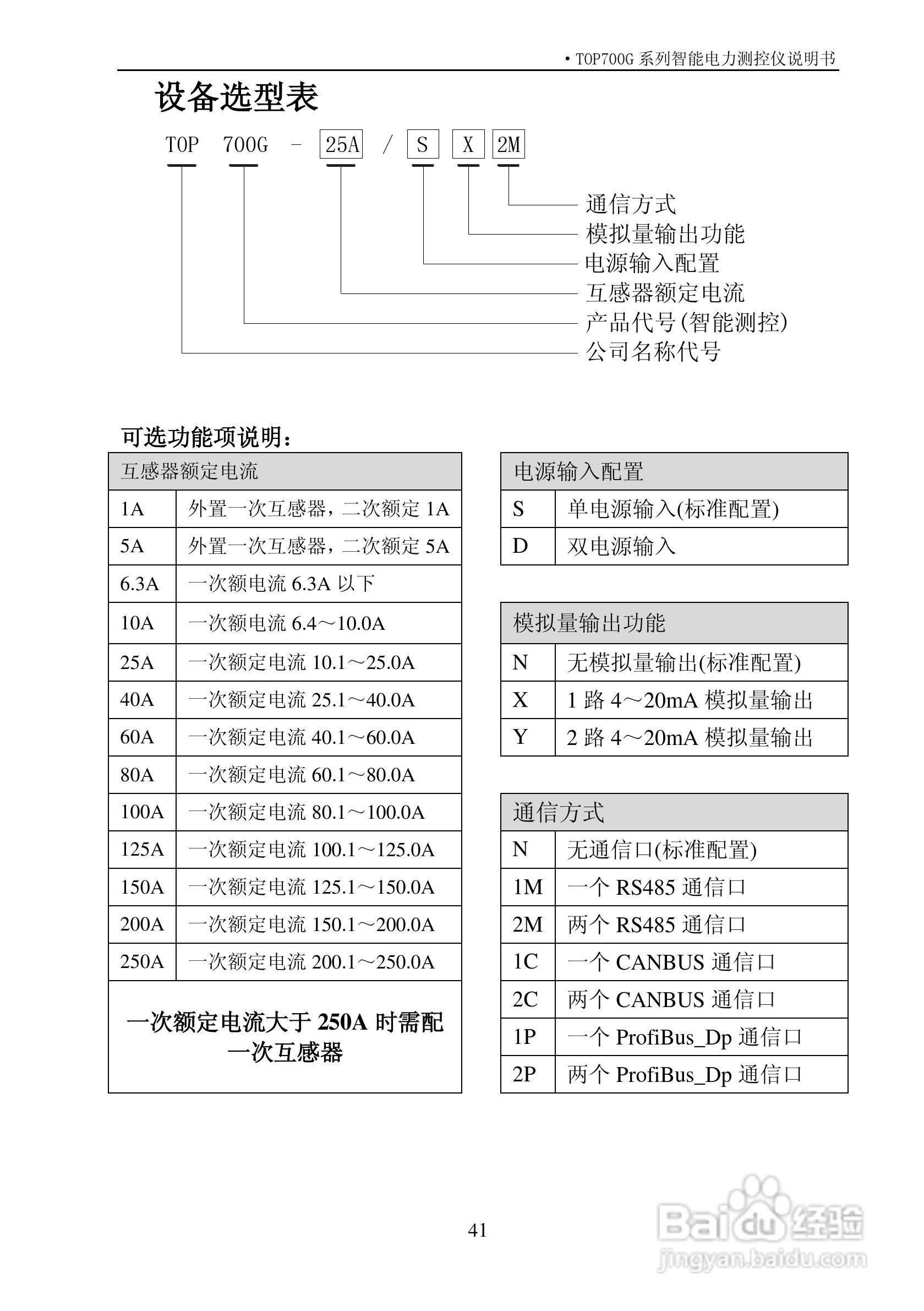
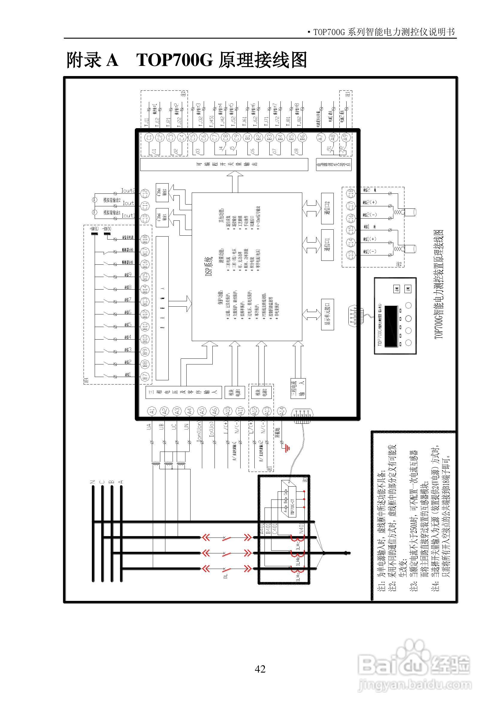
拓普TOP700G系列智能电力测控仪说明书:[5]
2026-01-13 23:57:50
本篇为《拓普TOP700G系列智能电力测控仪说明书》,主要介绍该产品的使用方法以及常见故障解决方案。
(共篇)
上一篇:
|
下一篇:
声明:
本网站引用、摘录或转载内容仅供网站访问者交流或参考,不代表本站立场,如存在版权或非法内容,请联系站长删除,联系邮箱:site.kefu@qq.com。
相关推荐
微信红包提现是否收手续费?
阅读量:73
治疗颈椎病有没有特效药?
阅读量:54
母猪太胖怎么减肥
阅读量:102
从微信转账到银行卡需要手续费吗
阅读量:33
开直播卖农产品怎么交易
阅读量:185
猜你喜欢
呈报的意思
劳燕分飞什么意思
502 bad gateway什么意思
钉子户什么意思
长辈过生日送什么
洗车水枪什么牌子好
转移支付是什么意思
party是什么意思
learn是什么意思
什么是ipc
猜你喜欢
0x0000008e蓝屏代码是什么意思
慈悲的意思
磨刀不误砍柴工的意思
税务注销需要什么资料
篮球鞋什么牌子好
义无反顾的意思
板塔结合是什么意思
签章是什么意思
盘盈是什么意思
饥荒渡渡鸟有什么用