小度生活
首页
美食营养
手工爱好
生活家居
返回
小度生活
首页
美食营养
游戏数码
手工爱好
生活家居
健康养生
运动户外
职场理财
情感交际
母婴教育
时尚美容
知识问答
生活知识
搜索
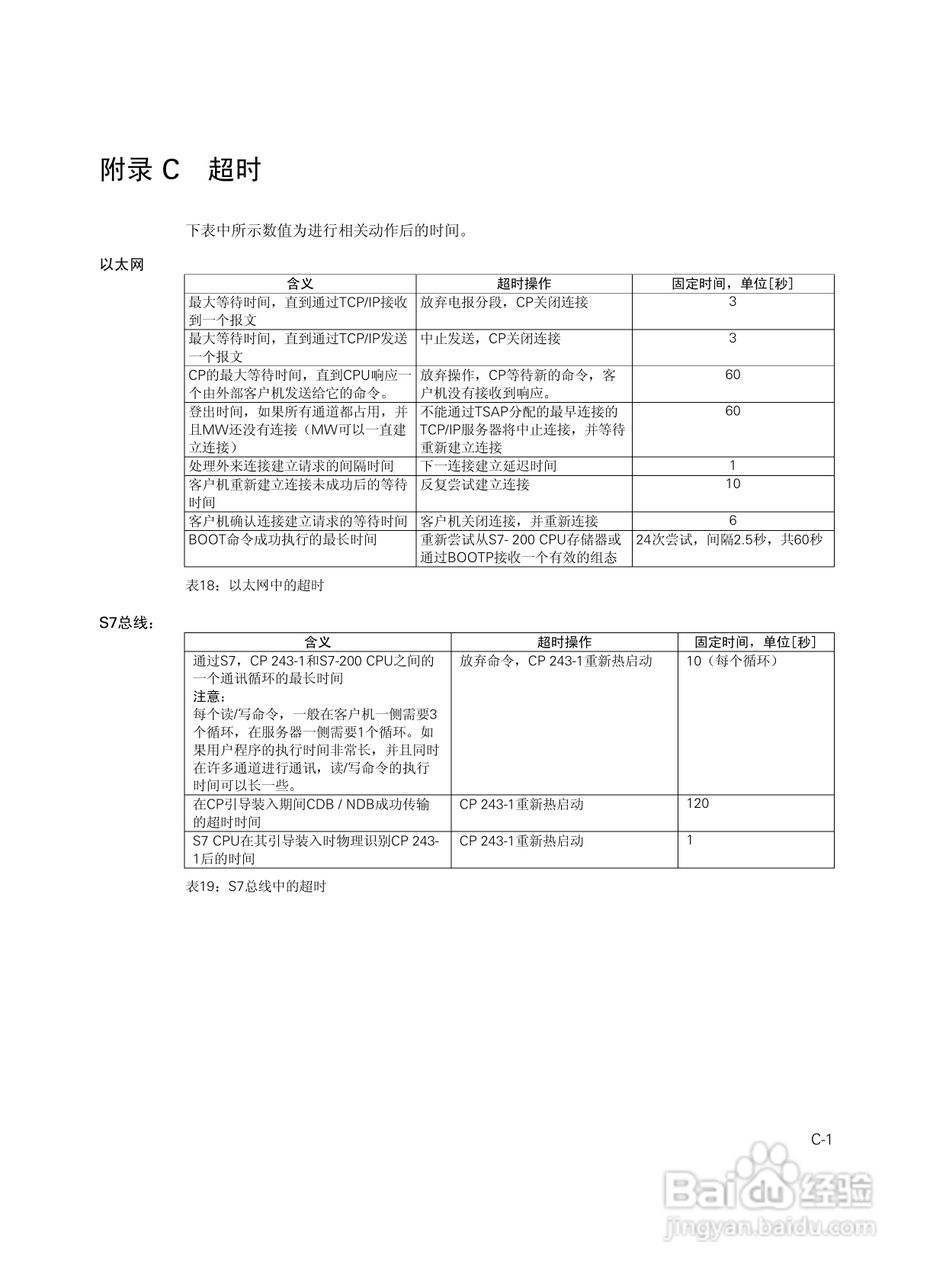
SIEMENS工业以太网通讯处理器CP243-1说明手册:[6]
2025-11-05 12:37:15
本篇为《SIEMENS工业以太网通讯处理器CP243-1说明手册》,主要介绍该产品的使用方法以及常见故障解决方案。
(共篇)
上一篇:
|
下一篇:
声明:
本网站引用、摘录或转载内容仅供网站访问者交流或参考,不代表本站立场,如存在版权或非法内容,请联系站长删除,联系邮箱:site.kefu@qq.com。
相关推荐
243-1EX08以太网模块设置与使用方法
阅读量:186
JQECT 243-IBUS以太网模块设置与使用方法
阅读量:79
台达DVP系列PLC以太网通讯
阅读量:123
欧姆龙CP系列PLC以太网modbusTCP通讯
阅读量:89
松下FP系列PLC以太网modbusTCP通讯
阅读量:66
猜你喜欢
邮费怎么算
西安文理学院怎么样
明艳遮瑕膏怎么样
fastboot模式怎么进入
头发干枯毛躁怎么护理
牙根疼怎么办
声调怎么打
事业单位怎么样
怎么治疗焦虑症
有妊娠纹怎么办
猜你喜欢
壁纸怎么贴
微信朋友圈怎么发链接
appcrash的问题怎么修复
本田锋范怎么样
怎么修改开机密码
股票创业板怎么开通
嗜睡是怎么回事
辉腾怎么样
怎么清理电脑缓存
怎么设置电脑不休眠