小度生活
首页
美食营养
手工爱好
生活家居
返回
小度生活
首页
美食营养
游戏数码
手工爱好
生活家居
健康养生
运动户外
职场理财
情感交际
母婴教育
时尚美容
知识问答
生活知识
生活百科
搜索
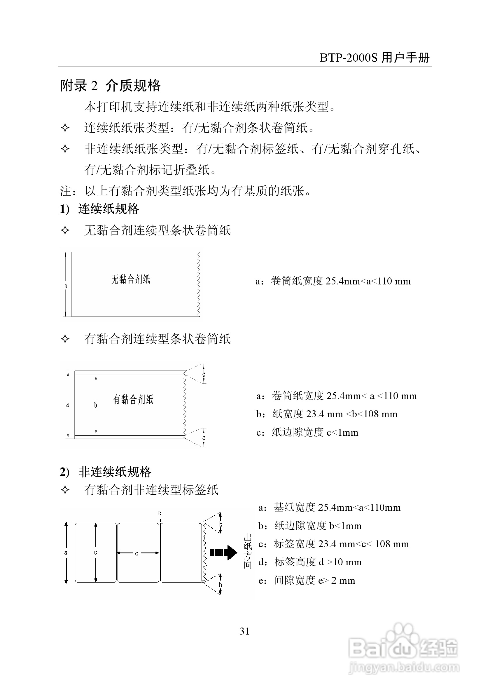
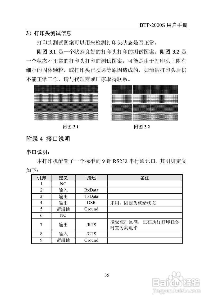
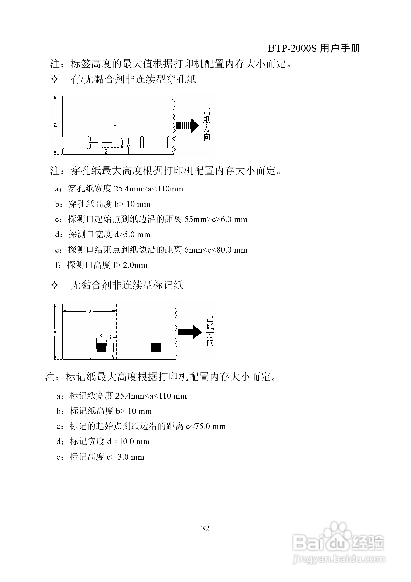
BTP-2000S 标签打印机用户手册:[4]
2026-04-30 11:33:58
本篇为《BTP-2000S 标签打印机用户手册》,主要介绍该产品的使用方法以及常见故障解决方案。
(共篇)
上一篇:
|
下一篇:
声明:
本网站引用、摘录或转载内容仅供网站访问者交流或参考,不代表本站立场,如存在版权或非法内容,请联系站长删除,联系邮箱:site.kefu@qq.com。
相关推荐
BTP-2000S 标签打印机用户手册:[1]
阅读量:116
BTP-2300E标签打印机用户手册:[4]
阅读量:105
BTP-2300E标签打印机用户手册:[1]
阅读量:181
新北洋BTP-1000PT条码/标签打印机用户手册:[4]
阅读量:124
新北洋BTP-1000PT条码/标签打印机用户手册:[2]
阅读量:61
猜你喜欢
利什么什么昏
圭臬是什么意思
自渎什么意思
户口迁出需要什么手续
天赋的意思
可歌可泣的意思
广州有什么好玩的景点
wipe什么意思
天下大同什么意思
清明时节雨纷纷路上行人欲断魂的意思
猜你喜欢
善罢甘休的意思
潺潺的意思
枣子的功效与作用
什么是三线建设
牛鞭的功效与作用
laugh是什么意思
有什么好看的小说推荐
刘寄奴的功效与作用
应运而生的意思
智能手环有什么用