小度生活
首页
美食营养
手工爱好
生活家居
返回
小度生活
首页
美食营养
游戏数码
手工爱好
生活家居
健康养生
运动户外
职场理财
情感交际
母婴教育
时尚美容
知识问答
生活知识
生活百科
搜索
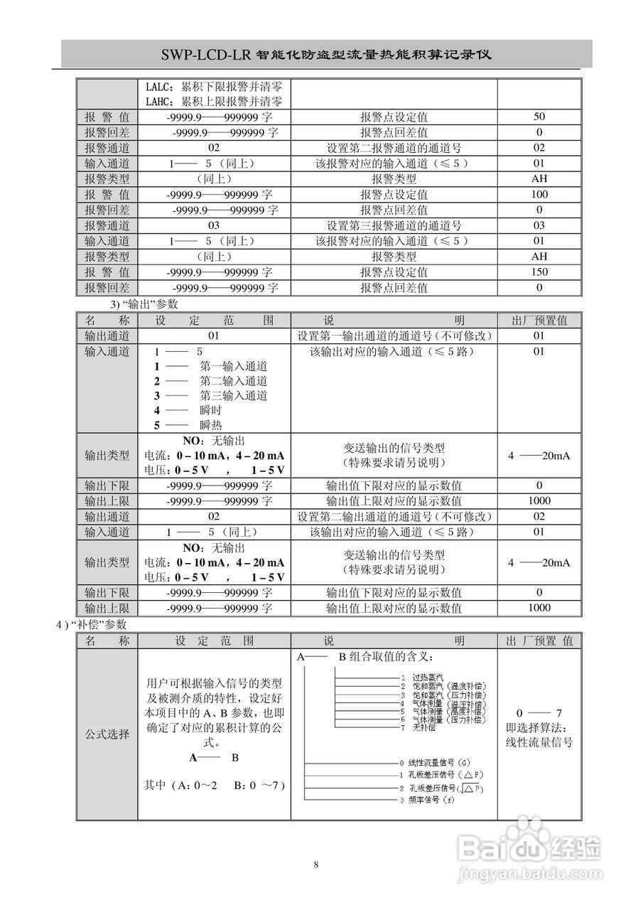
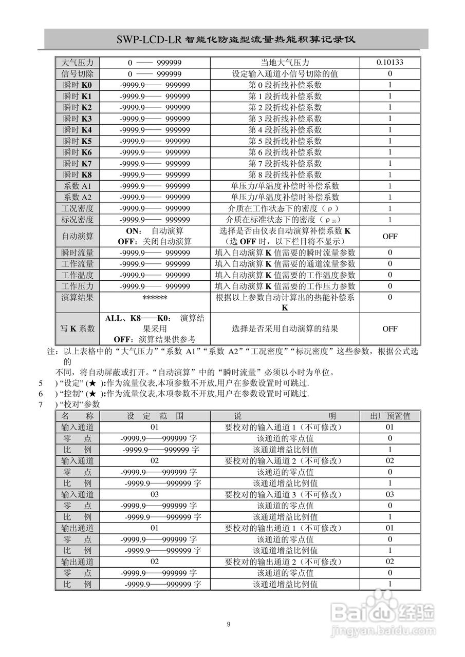
昌晖SWP-LCD-LR流量记录仪(带防盗)说明书:[1]
2026-05-15 13:11:17
本篇为《昌晖SWP-LCD-LR流量记录仪(带防盗)说明书》,主要介绍该产品的使用方法以及常见故障解决方案。
(共篇)
下一篇:
声明:
本网站引用、摘录或转载内容仅供网站访问者交流或参考,不代表本站立场,如存在版权或非法内容,请联系站长删除,联系邮箱:site.kefu@qq.com。
相关推荐
昌晖SWP-LCD-LR流量记录仪(带防盗)说明书:[2]
阅读量:181
昌晖SWP-LCD-LR流量记录仪(无防盗)说明书:[6]
阅读量:41
昌晖SWP-LCD-NLR智能化防盗型流量/热能积算仪说明书:[1]
阅读量:85
昌晖SWP-LCD-LR流量记录仪(无防盗)说明书:[5]
阅读量:95
昌晖SWP-LCD-LR流量记录仪(无防盗)说明书:[4]
阅读量:157
猜你喜欢
痛经是什么引起的
坚韧不拔是什么意思
女朋友特别会夹是什么体验
牛虻是什么
什么是阴沉木
mvc是什么
谁发明了什么
增资扩股是什么意思
李宁运动服
六七万买什么车好
猜你喜欢
薏苡仁是什么
不拘一格是什么意思
网银是什么意思
移动端是什么意思
纷至沓来什么意思
游戏id是什么
平安喜乐什么意思
吸氧机什么牌子好
绣球花的养殖方法和注意事项
黄油什么牌子好